2 Attachment(s)
70V too much for my motors?
Hi, I have tried to find out what voltages my motors (and others in general) can handle, but can not say I feel any smarter. So I resort to the gurus!
Couple of years ago before I knew anything at all, and this forum was way far into the future to be discovered, I bought 4 motors kit from cncrouterparts.com
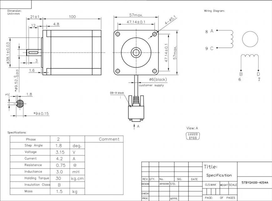
Attachment 18845Attachment 18846
They were bought because they were recommended by someone knowing a little more than me, and the fact they had low inductance. It had to be good enough for my 6040 engraver.
Now a new machine have emerged out of scraps and parts from distance parts of the world. And I want to get the most out of them.
The question is, should I go ahead and build a linear power supply that gives 70VDC and 12A? Will these motors run on that voltage? From my limited understanding, it is the amperage that burns them? (As in incorrectly configured drivers maybe?)
I appreciate any input!
Re: 70V too much for my motors?
It's the drives that will limit you. So what drives are you using?
Re: 70V too much for my motors?
Like Clive says the Drives used play big part in how the current is handled. Also the Max voltage they can handle is important.
The motors will handle 70v no problem but you'll want 80V drives rather than 75v. This will give you plenty of safety margin and ensure the drives are not stressed or worse blown up thru back Emf.
So to answer your next question. The drives you want are Digital and the ones of choice are either Leadshine EM806 or AM882. Very little difference between them except the AM drives tend to be cheaper. The EM superceded the AM but in terms of performance there's not lot of difference. Em are slight smoother at lower speeds.
Re: 70V too much for my motors?
Excellent! I decided to use 70V because I went with the AM882 drives. So it seems I will go ahead and order the parts for the power supply this weekend!
There will be 4 motors driven by it first, but hopefully a 4th axis will be operational after a while.
So will a 625VA be enough to supply 5 motors? My calculation is as follows:
625/50=12.5A
4.2A ea motor * 5 = 20A. Assume I need only supply 60% of the power needed: 0.6 * 20A = 12A
Re: 70V too much for my motors?
I think you will be fine with that you might need a D rated MCB though to cope with the inrush current
1 Attachment(s)
Re: 70V too much for my motors?
Quote:
Originally Posted by
Clive S
I think you will be fine with that you might need a D rated MCB though to cope with the inrush current
Yeah, I found this page, that simulates that.
http://www.changpuak.ch/electronics/...ply_design.php
Attachment 18850
Not sure how accurate it is, but it tells a picture of how its going to work?