8020 T Slot Aluminum Extrusion
Has anyone come across this before 8020 T Slot Aluminum Extrusion ?
I did find some for sale in the US on eBay 8020 T Slot Aluminum Extrusion But I'm darned if I can find any in the UK , I mus have searched 30 times with different variations but no joy .. anyone help ? :crushed:
2 Attachment(s)
Re: 8020 T Slot Aluminum Extrusion
Re: 8020 T Slot Aluminum Extrusion
Quote:
Originally Posted by
Lee Roberts
Cheers for the links Lee :) I need it more a 2 channel plate anchored to a wooden bed/block.
I've seen this and I can rip it down the center then screw through the bottom channels to hold it in place.. when I've finished I'll put some pics on :)
Re: 8020 T Slot Aluminum Extrusion
Np, think i've seen that profile on https://www.aliexpress.com, it had a funny name on it though to what we would call it...
Re: 8020 T Slot Aluminum Extrusion
Re: 8020 T Slot Aluminum Extrusion
How about this?
http://ooznest.co.uk/V-Slot/Linear-R...l-1500x20x80mm
Sent from my HTC One M9 using Tapatalk
Re: 8020 T Slot Aluminum Extrusion
1 Attachment(s)
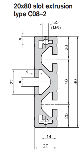
Re: 8020 T Slot Aluminum Extrusion
this is a picture of what we can offer, if its what you are after email me and i can send you a quote.
Attachment 19704
Re: 8020 T Slot Aluminum Extrusion
Quote:
Originally Posted by
cropwell
No mate was something like 300 wide, I think the reason I didn't order any was the p&p and not getting a response as it was China new year, others that did get back to me on other Ali profiles just couldn't do anything on the shipping, it's just to heavie...
Re: 8020 T Slot Aluminum Extrusion
Thanks for the suggestions guys very much appreciated , I think I have a much cheaper solution for what I need , I going to make some out of MDF with a T slot cutter. there's no load on it so MDF will be fine. And its only a prototype .. proof of concept and I'll rethink a more robust solution. :)