1 Attachment(s)
Schematic question wiring Am882 ALM Alarm, Limits and Security Relay Pilz S5 ?
Hello,
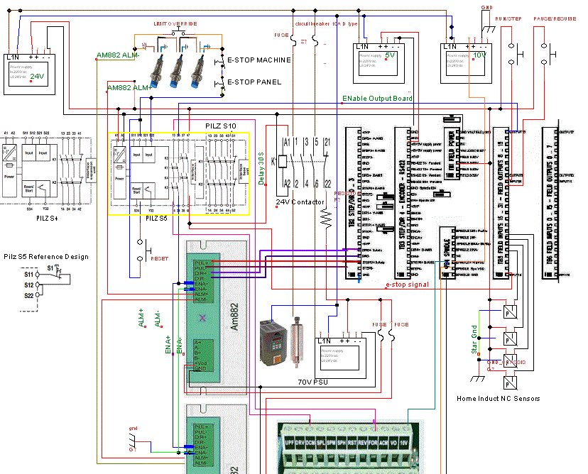
I'm trying to wire the AM882 Fault Alarm ALM on my system,
the latch reset and e-stop already works.
The Pilz S5 has 2 inputs, i'was thinking using on input for the limits and one for the am882 alarm, but when one of the 2 input signal is open the relay goes in Fault (red light) and it must be reset by removing the relay supply... 'maybe a problem of setup mode ?
or 2 I could wire the alarm in series on the estop circuit from the 24v to the inputs of the s5 but adding 3 or 4 inductive proximity sensor in series could be a problem with the maximum 100mA on the AM882 alarm.
Do you have an idea ?
Thanks for your help...
Attachment 24762
Re: Schematic question wiring Am882 ALM Alarm, Limits and Security Relay Pilz S5 ?
Quote:
Originally Posted by
pierantoine
Hello,
I'm trying to wire the AM882 Fault Alarm ALM
I could wire the alarm in series on the estop circuit from the 24v to the inputs of the s5 but adding 3 or 4 inductive proximity sensor in series could be a problem with the maximum 100mA on the AM882 alarm.
Do you have an idea ?
Thanks for your help...
Attachment 24762
Wiring in series the alarms to the relay input doesn t work...
Voltage drops from 24 to 8v...
Re: Schematic question wiring Am882 ALM Alarm, Limits and Security Relay Pilz S5 ?
Re: Schematic question wiring Am882 ALM Alarm, Limits and Security Relay Pilz S5 ?
Quote:
Originally Posted by
Nickhofen
Yes. Thanks.
But the problem is my 24v after the driver is dropping to 8v when driver is in fault state... And connected to the input of the pilz.
Re: Schematic question wiring Am882 ALM Alarm, Limits and Security Relay Pilz S5 ?
Hello
I ve still the problem of connecting the am882 alarm with a pilz if you have an idea it can help
Thanks
Re: Schematic question wiring Am882 ALM Alarm, Limits and Security Relay Pilz S5 ?
I am sorry to hear that, I hope the help come soon!
Re: Schematic question wiring Am882 ALM Alarm, Limits and Security Relay Pilz S5 ?
Have a look here;
http://www.mycncuk.com/threads/6565-...2213#post52213
Then I found the alarms were wired incorrectly and changed it here;
http://www.mycncuk.com/threads/6565-...7622#post57622
This all works well now.