2 Attachment(s)
Help needed to connect my VFD to the AXBB controller
Me again! :indecisiveness:
I'm hoping one of you fine chaps can help me, I have set my VFD up manually and tested the spindle to make sure it works as expected but I now want to connect it up to the AXBB for speed and on off control and maybe forward/ reverse although I'm not sure how useful the reverse would be?
I have moved the jumper on the VFD and set the PD00.. values for external control as shown in the manual but the wiring has me confused. I have also removed the jumper on the AXBB to allow 0-10v control.
In the AXBB manual it shows the following
Attachment 26444
and the VFD has the following
Attachment 26445
I have no idea what to connect and I dont want to screw up the AXBB after my last experience with the Charge pump output!
Will i need to connect a relay for switching or any kind of protection between the AXBB and VFD?
All help greatly appreciated :indecisiveness:
Re: Help needed to connect my VFD to the AXBB controller
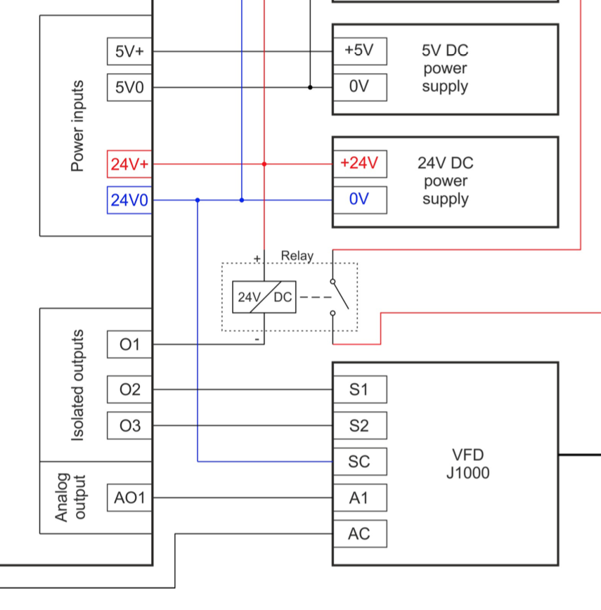
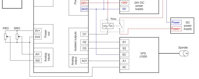
Connect the VFD ACM (analogue ground) to your 0V/GND level, and the AXBB analogue AO1 output to VI input to the VFD. That gives you your 0-10V control.
Now, I expect O2 and O3 outputs are designated forward/reverse, so connect these to the FOR and REV inputs to the VFD. As these are digital inputs to the VFD you'd best connect the DCM (digital ground) to your 0V/GND as well.
You say you've set PD00... : so I guess you've unlocked PD000, PD001 = run control = external = 1?, PD002 = operating freq = external = 1, PD044 = FOR = 2, PD045 = REV = 3, PD070 = 0-10V = 0 etc?
Re: Help needed to connect my VFD to the AXBB controller
Cheers Doddy, thats what i thought but its always better to have a second opinion!
I have set pd001 and pd002 to accept external commands but I never changed the others...i'll take a look at those values and see what they are set at. What do the forward/reverse PD044=2 and PD045=3 values refer to?
Sent from my SM-G920F using Tapatalk
Re: Help needed to connect my VFD to the AXBB controller
The For/Rev inputs are general purpose, by default bound to for/rev functions but you can remap them to other functions, eg e-stop
Re: Help needed to connect my VFD to the AXBB controller
Hmm...do I need anything else connected? I have dcm connected to 5v0 ground and isolated outputs 2 and 3 to the for/rev terminals and then I have acm connected to the power out 5v0 and Vi connected to the analogue out on the AXBB but I'm getting no control whatsoever[emoji848]
https://uploads.tapatalk-cdn.com/201...9f361cdcc2.jpghttps://uploads.tapatalk-cdn.com/201...69f1f952e0.jpg
Sent from my SM-G920F using Tapatalk
1 Attachment(s)
Re: Help needed to connect my VFD to the AXBB controller
The digital inputs to the VFD are referenced to the digital ground, DCM. The isolated outputs that you're using on the AXBB are open-collector outputs to the AXBB's 24V0 supply. So, rather than connect DCM to 5V0 connect it to 24V0. It's possible, of course, that your 5V0 and 24V0 are commoned in any case depending on your PSU wiring.
Question for you - when you enter a M3/M4 command from the MDI on the RUN page, do the corresponding LEDs on P1[2:3] illuminate?, just a check that you're getting the digital drive for the motor selection. Secondly - according to your settings a "M3 S5000" command into the MDI should set the AO1 pin to 10V, and e.g. "M3 S2500" should set to 5V. Does it?
Attachment 26449
1 Attachment(s)
Re: Help needed to connect my VFD to the AXBB controller
Attachment 26450
The AXBB manual shows the 24V0 being used as the ground reference to the digital outputs to the VFD controls.
Re: Help needed to connect my VFD to the AXBB controller
Also, there's a jumper next to the terminals on the VFD that needs to be set correctly.
Re: Help needed to connect my VFD to the AXBB controller
I have checked the voltage on the Analogue output and it is at zero but I'm wondering if something is set wrong, if you look at the screen below it shows the speed set at 5000 but actual is zero?? Also output 2 and 3 do change state on the AXBB but dont change the leds on the vfd. Also the vfd states to connect 5v0 so will it be ok with the 24v0 connected?[emoji848]https://uploads.tapatalk-cdn.com/201...d40eb4947b.jpg
Sent from my SM-G920F using Tapatalk
Re: Help needed to connect my VFD to the AXBB controller
The 5V0 is simply the 0v reference for the 5V supply. Similarly the 24V0 for the 24V supply. You *can* connect these together - it just means that the supplies then share a common reference.
The isolated outputs from the AXBB are (I said Open Collector, from recent posts it's clear these are Open Drain - difference in transistor technologies - FETs vs Bipolar, but ignore that). This does mean though that the output FET Source is connected, in the case of the AXBB to the 24V0 supply. Therefore, to switch the digital input to the VFD (which is to provide a low-impedance path between VFD DCM and FOR/REV) then you need to connect the FET's source (24V0) to the DCM line on the VFD and the drain (O2/O3) to the FOR/REV input on the VFD, or it simply won't work.
One other thing to try, to help diagnose your problem - you're 3-core CY cable - with the DCM/FOR/REV wires - just try shorting the other end so DCM & FOR are connected - you should see the VFD display change (from memory it goes from a flashing display to a solid 00000 to indicate a demand for 0RPM... but that's just a distant memory).