22 Attachment(s)
Denford Easimill restoration and upgrades
A couple of years ago I bought a Denford "Easimill 3" and used it for a little while in student accommodation before putting it into storage. I've now moved it into my own place so it's time to get it working properly. I'm no audiophile so I already flogged the originals controller complete with g-code on magnetic tapes. Apart from needing a good clean up and an unfriendly amount of backlash on Y, there's not much wrong with it.
This is how the machine looked when I bought it:
Attachment 26943
It's quite a nice size machine, somewhere in between a desktop "hobby" mill and a standard e.g. bridgeport size. Split into pieces it's not terribly difficult to transport, so for now it's a pile of parts and will remain so while I fix the main limitation - Z-stepper motor driving the quill not the knee.
I planned this slightly badly by lending my working CNC mill to a friend last week, so I'm now having to make do with my lathe and CNC router, which are 90 miles from the milling machine...I've there dismantled the X&Y axes, measured up and taken some parts home so I can replace the trapezoidal screw that lifted the knee with a ballscrew.
After some accurate scribbles...
Attachment 26944
I machines these few parts to mount a Nema 34 size motor inside the knee:
Attachment 26945Attachment 26946Attachment 26947Attachment 26948
Which fit as shown (using the Y-ballscrew to test):
Attachment 26949Attachment 26950
I've replaced the 6204 bearings in the knee with 7204BEP angular contact bearings. Not as nice as the 60 degree contact angle bearings on X and Y, but a lot more affordable so they'll do for now. I'm sticking with trapezoidal belts like on X and Y, as I feel they'll be best for low backlash. Found a local shop for the belts and bearings who were within 10% of the price online and more importantly open.
Here's a little part I made today for the ballnut, which will affix to the base:
Attachment 26951Attachment 26952
I cleaned up the Y-axis ballscrew and bearings to find that the source of the backlash was endfloat on the screw due to a loose locknut, so that wasn't very interesting. The Y ballnut feels smooth, but doesn't feel like there's any preload. This was confirmed when I reassembled the axis for a quick check and measured 0.01mm of backlash - better than the 0.2mm before but I'm hoping to improve it with an NSK ballscrew I've got on the way from eBay.
Attachment 26953Attachment 26954Attachment 26955
Here's some general photos for interest:
Attachment 26956Attachment 26957Attachment 26958Attachment 26959
Now I'm shopping for ballscrews for the knee. I've sized up based on a 32mm ballscrew for Z, as that seems to give a reasonable compromise for stiffness, at least according to the script I posted here a few years ago:
Attachment 26961
Attachment 26962
The important values here are the estimated axis stiffnesses, based just on the combined ballscrew nut and bearing stiffnesses - not the machine structure. The X and Y ballscrews are 25mm. This makes Z a similar stiffness to Y, which I think is acceptable since although Z can see very high forces while drilling the accuracy is less important.
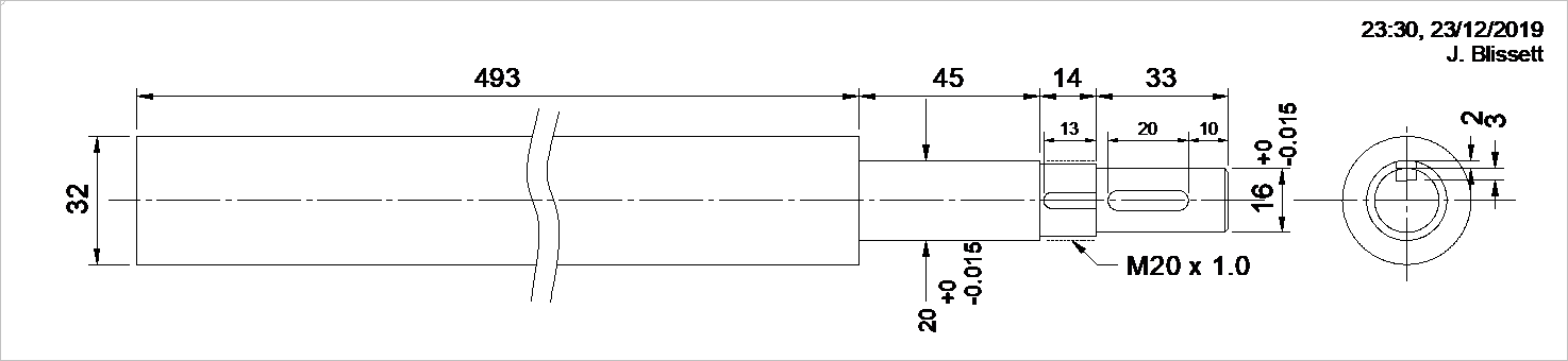
Here's a simple drawing of the ballscrew I need:
Attachment 26964
I've been making inquiries with some of the many different sellers on Aliexpress:
Attachment 26963
I used a C5 grade TBI one on my X3 conversion, and the preloaded double nut with zero backlash was very pleasing, but seems a bit of an indulgence here since the weight of the table itself will do a reasonable job of preloading the nut. They also seem to have gone up in price significantly. I'm after something better than the lowest quality ones though. The seller in bold seems to be saying there's are better quality - steel instead of plastic inserts. Also seems to be a manufacturer not a distributor. Has anyone tried these suppliers, except BST automation who seems to be a popular choice. He's suspiciously cheap compared with the rest.
Re: Denford Easimill restoration and upgrades
Are you planning on putting a braked motor on the knee?
Re: Denford Easimill restoration and upgrades
I've got a 700mm total length 25mm x 10 Ground Comtop with soft ends ready for machining which I think are C3 if not then Def C5 which I bought from Jenatec years ago. I've actually got 3 in total all different lengths, this is shortest, others are 950, 1100mm the longest one got a preloaded double nut. I Will sell them as a set for £300 + shipping.
Re: Denford Easimill restoration and upgrades
Quote:
Originally Posted by
m_c
Are you planning on putting a braked motor on the knee?
For now I just have a 12Nm stepper that's been kicking around. That's plenty to hold it while switched on so I guess there's not much call for a brake? There is a rear shaft on the motor, so I could probably devise something.
Quote:
Originally Posted by
JAZZCNC
I've got a 700mm total length 25mm x 10 Ground Comtop with soft ends ready for machining which I think are C3 if not then Def C5 which I bought from Jenatec years ago. I've actually got 3 in total all different lengths, this is shortest, others are 950, 1100mm the longest one got a preloaded double nut. I Will sell them as a set for £300 + shipping.
The ballscrew lengths that the machine currently has are X=936, Y=452 and I'm planning Z=585mm, so your set would be close to ideal except I'm not quite convinced by them being 10mm pitch as opposed to 5mm. Do you have the part number for the ballnuts to hand so I can compare their stiffness values?
Re: Denford Easimill restoration and upgrades
Quote:
Originally Posted by
Jonathan
Do you have the part number for the ballnuts to hand so I can compare their stiffness values?
Comtop
700mm = 080317065
950 = 061012060
1100= 0060927033
Re: Denford Easimill restoration and upgrades
Quote:
Originally Posted by
JAZZCNC
Comtop
700mm = 080317065
950 = 061012060
1100= 0060927033
I'm struggling to find anything based on those part numbers, but if I compare with TBI datasheets then it seems that higher lead screws actually have slightly stiffer ballnuts. Perhaps it's the larger diameter balls.
I still prefer 32mm for Z though, so I've just bought one from Aliexpress:
https://www.aliexpress.com/item/4000...3d073e5fnZZMYt
It was $132 plus $4 for the three extra nuts. I'll get back to you if when I've got the machine back together I'm not happy with the accuracy on X or Y. Thanks for the offer.
Instead of spending money on ballscrews, these encoders look wortwhile:
https://www.rls.si/en/la11-linear-absolute-encoder
That and closed loop position control through LinuxCNC would be very nice. About 370 EUR per axis though, so I need to do a bit of research first...
Now I've just gone to the local builders merchants and filled my car with wood and insulation. Going to make the workshop nice before I get too carried away :tennis:.
Re: Denford Easimill restoration and upgrades
Quote:
Originally Posted by
Jonathan
I'm struggling to find anything based on those part numbers, but if I compare with TBI datasheets then it seems that higher lead screws actually have slightly stiffer ballnuts. Perhaps it's the larger diameter balls.
I still prefer 32mm for Z though, so I've just bought one from Aliexpress:
It was $132 plus $4 for the three extra nuts. I'll get back to you if when I've got the machine back together I'm not happy with the accuracy on X or Y. Thanks for the offer.
A lot of modern CNC mills like Haas have 10mm pitch screws so makes sense along with extra speed they offer.!
They are going nowhere so just let me know if change your mind. They will eventually end up on a Mill or router at some point.!
Re: Denford Easimill restoration and upgrades
Nice looking conversion, I have a VMF that i am in the process of converting, these pictures have been really helpfull! I was looking for info on the denford before you posted these. Do you have any CAD files for the knee conversion? or drawings for them? Also do you have any pictures from inside the quill box?
cheers