1 Attachment(s)
	
	
		Cable recommendations for control box
	
	
		Hey everyone. I need a couple cable recommendations please for my control box. 
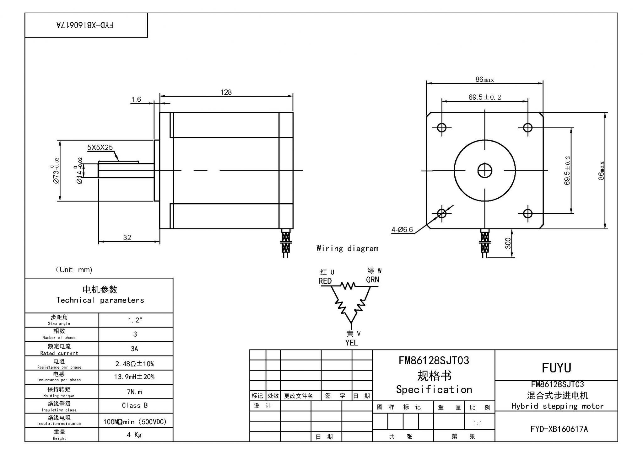
I have a 3-phase motor (specs in image) and need to find some suitable motor cable for it. RS Components have something I think is suitable but it only comes in a 50m roll. I actually have some 4 core 0.75mm cable from CNC4you which I bought not realising the motor was 3-phase... 
I was also wondering what cable is best to use inside my control box for connecting Mantis to my drivers? The drivers I'm using are DM542T's and a 3DM2283T for the Nema 34 in the picture. 
Finally, what's the correct power cable to use from the drivers to the PSU? https://www.omc-stepperonline.com/35...0Router%20Kits
Sorry, I know that's a lot to ask for but I'm hesitant about getting any of this wrong. I want to be cautious given that I'm working with electronics for the first time and want to ensure I, and anyone who comes near this, is safe.  
Thanks! Attachment 28762
P.S. If Jazz sees this, I'm holding off on the toroidal PSU for the moment. In V2 of this build I'll probably use one but trying to work with what I have for the moment.
	 
	
	
	
		Re: Cable recommendations for control box
	
	
		For motors I prefer to use 1mm cable (18awg) even when using nema 24's. 
(my nema 34 on Z was pre wired with short 18awg so just made motors all the same)
I fitted GX20 aviation to motors and GX16 to everything else. Mine are 4 wire steppers.
I'd say have a look on Igus.
They do 3 & 4 core shielded all the way up to like 10 core and bigger.
https://www.igus.co.uk/product/893
https://www.igus.co.uk/product/950
When I need to I'll likely purchase the CF6. But the CF140.UL is cheaper.
For board to drivers I'm using 20awg (individual wires no shield) I will shield when upgrading.
For psu to drivers I'm using 14awg (individual wires no shield) (I'm at 60Vdc) your 542 can only do 50v max.
On this page you can put in your requirments down the left.
https://www.igus.co.uk/chainflex/unh...9&chainfshil=1
Such as:
No. cores & conductor nominal cross section [mm˛]
such as:
(4G1.0)C    = 4 core shielded 1mm
4G1.0         = 4 core unshielded 1mm
(3G0.75)C  = 3 core shielded 0.75mm
3G0.75       = 3 core unshielded 0.75mm
My mill setup has had no problems with wiring.
	 
	
	
	
		Re: Cable recommendations for control box
	
	
		
	Quote:
	
		
		
			
				Originally Posted by 
dazp1976
				 
			For motors I prefer to use 1mm cable (18awg) even when using nema 24's. 
(my nema 34 on Z was pre wired with short 18awg so just made motors all the same)
I fitted GX20 aviation to motors and GX16 to everything else. Mine are 4 wire steppers.
			
		
	 
 Thanks for the comment. 
I'll get in touch with Igus to ensure I get the right thing. Cheers for pointing me in the right direction.
	 
	
	
	
		Re: Cable recommendations for control box
	
	
		Rapid keep drag cable in various sizes at whatever length you need. When I say "keep", they actually order it from the German factory, hence the 7 day leadtime.
https://www.rapidonline.com/Catalogue/Search?Query=drag%20cable&Size=20&Attributes={%22N  o.%20of%20Cores%22:[%224%22]}&Tier=Drag%20Chain%20Cable
Don't understand why you don't want to use 4 core for your 3 phase motor, simply leaving one core unused, or possibly use it as a ground. 
For motor connections, you could also use an SY cable. The braid will provide protection and also some EMC screening. https://www.tlc-direct.co.uk/Main_In...BoCk4AQAvD_BwE
	 
	
	
	
		Re: Cable recommendations for control box
	
	
		
	Quote:
	
		
		
			
				Originally Posted by 
Muzzer
				 
			
	 
 Cheers for the reply. 
I did wonder if I could just use the 4 core cable, thanks for confirming I can. I'll probably just do that for the moment. The link to Rapid is very useful, I've not come across them. 
Would it be best to just put some heat shrink around the end of the core I'm not using? I would use it as a ground but I don't think that would work with what I'm building. The setup has to be portable, so each motor will have a gx16 connector and the control box will have a bunch of gx16 connectors on it which are wired up to various drivers. I'll then create long extension cables between the control box and the motors. Hope that made sense.
When you say "for motor connections" do you mean between Mantis and the drivers? Or are you just suggesting SY as an alternative to the CY I have?
	 
	
	
	
		Re: Cable recommendations for control box
	
	
		Just cut off the unused core. Can't imagine it would need heatshrink if it's cut in the right place but no harm doing so either way.
Didn't twig you were using CY cable already. The main difference seems to be that the braid in SY is for primarily for protection against damage while in CY, it's for EMC screening. So SY seems to be used in machine tools where there is risk of cables being damaged. Must say, I've not used either on my machines - I have Lapp drag cables for the servos on my Bridgeport (power and encoder are separately screened) and steel conduit for the servos (the encoders have their own screened cables) and VFD on my bigger machine.
	 
	
	
	
		Re: Cable recommendations for control box
	
	
		
	Quote:
	
		
		
			
				Originally Posted by 
Muzzer
				 
			Just cut off the unused core. Can't imagine it would need heatshrink if it's cut in the right place but no harm doing so either way.
Didn't twig you were using CY cable already. The main difference seems to be that the braid in SY is for primarily for protection against damage while in CY, it's for EMC screening. So SY seems to be used in machine tools where there is risk of cables being damaged. Must say, I've not used either on my machines - I have Lapp drag cables for the servos on my Bridgeport (power and encoder are separately screened) and steel conduit for the servos (the encoders have their own screened cables) and VFD on my bigger machine.
			
		
	 
 Ok, so I'll stick with the 4 core CY I already have for the motor cable. If anyone find this thread after that's this stuff:
https://www.cnc4you.co.uk/4-Core-Scr...p?search=cable
For the PSU and board to drivers I'll find something based on dazp1976 recommendations. Just got in touch with Igus etc. to see what they recommend.
	 
	
	
	
		Re: Cable recommendations for control box
	
	
		
	Quote:
	
		
		
			Ok, so I'll stick with the 4 core CY I already have for the motor cable. If anyone find this thread after that's this stuff:
			
		
	
 Or even
https://www.cse-distributors.co.uk/p...m2-cy-4c-0-75/