3 Attachment(s)
Help with G-Code Arc & Radius
Hi everyone
Currently I am programming Mazak machines
but I was assigned a new machine.
Where I use G-codes
I have a problem with rays, arcs.
I made the first example myself using g2 / g3 / R
Attachment 29623
Attachment 29624
In the second example, I am supposed to use I, J
I am looking for some materials but they are hard to understand for me.
Does anyone have any material on using I, J for arcs and radius
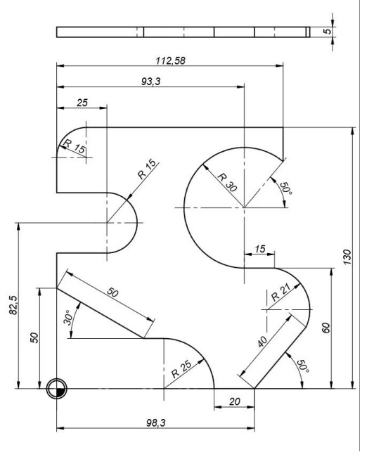
Attachment 29625
Please write some code for this drawing
Use the I, J functions maybe then on this example I can understand how the commands work
Regards,
Re: Help with G-Code Arc & Radius