Hi guys, can anyone tell me how to wire in the estop on this board please?Attachment 30756Attachment 30757
Printable View
Hi guys, can anyone tell me how to wire in the estop on this board please?Attachment 30756Attachment 30757
It looks like this board:
Breakout Board CNC USB MACH3
Attachment 30759
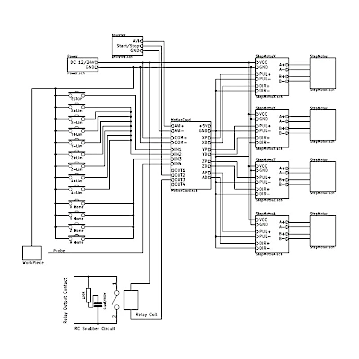
They have a wiring diagram which shows the E-Stop wired from the GND of the DC 12/24V power supply to input 1 of the board (IN1). But you could use any of the inputs (IN1,IN2,IN3,IN4). What control software are you using (e.g. Mach. LinuxCNC)?
Attachment 30760
With it wired like this it is just a software E-Stop (it relies on Mach to stop the machine for you). It's safer to also have a relay which can shut down your motors independently of the control software.
Thanks for the reply, managed to translate the Chinese instructions and get it sorted.