Lead screw and drive nuts ?
Hi all just would like to know does anyone on this board make or can recommend some leadscrew nuts for some 12 X 3 trapezoidal leadscrews and also can offer a machining service as I would like to complete my build of my larger machine which require the leadscrews to be turned down to accept the motor coupling and also the leadscrew thrust bearing ie skate bearing.If anyone in the Notts - Derby area can oblige it would be great as it would be uneconomical to post these and the risk of them getting damaged, many thanks Laz.
Re: Lead screw and drive nuts ?
I have a 12 X 3 trapezoidal tap if you want to make your own out of delrin/acetal. I can post it to you - if post it back when you're finished,
As for motor couplings - why not try dumpsterCNC - I am using their trapezoidal 12X3 couplings which connect to a 6.35mm motor shaft.
Get bigger bearings with a 12mm bore to support your lead screw (I may even have some of those spare in the garage - if not they are pretty cheap)
Nathan
Re: Lead screw and drive nuts ?
World of CNC/Marchant Dice (www.worldofcnc.co.uk) have trapezoidal nuts in that size.
Re: Lead screw and drive nuts ?
Hi Nathan many thanks for your post and can I take you up on that ? Ok I've just had a browse on e-bay for Delrin and there is loads of material available but can I ask what size should I be looking at ? It will hopefully drive a MDF made machine with a footprint size of 1 meter X 1/2 metre so how thick should the material be to make the nuts out of ? how would you recommend attaching them to the machines axis screws, glue or bolts ? Also what size hole will I need to drill for the tap to cut properly ? Also who are Dumpster CNC never heard of them, are they in the UK ? kind regards and sorry for all the dumb questions.
Re: Lead screw and drive nuts ?
I would make them to be at least 25 to 30mm minimum but think about making square ones as they are easier to fit. 12mm bearing will not be any good for 12mm trap 8mm bore is the norm for skate bearings.
Re: Lead screw and drive nuts ?
Yes I was thinking square/rectangle and maybe with 2 holes either side so I can screw or bolt them to the axis's now if the bore to house the the leadscrew is 12mm diameter what would be a safe thickness so i have enough meat either side of the leadscrew ? would 2omm thick be ok ?
Re: Lead screw and drive nuts ?
I would sketch out what you want to do first so that you at least get a sense of scale. It's a question of what you are going to use and buy will determine some of these things. At the moment it sounds like you are picking out the new stereo for the car and you don't no what car your getting. This is a sure fire way of wasting money, trust me i have. Create a shopping list of your parts, least you can then decide which ones are affordable and which ones to make. Could save you a lot of headaches ;-)
Re: Lead screw and drive nuts ?
By the way Acetal rod is an alternative to delrin
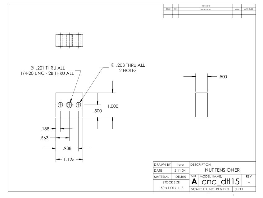
3 Attachment(s)
Re: Lead screw and drive nuts ?
Kammo,
I used the JGRO design for the nut - I attached some pictures below (dimensions are in inches - and you would need to alter the dimensions for a 12X3 central hole). It uses two rectangular pieces of delrin (each around 12mm thick), you can adjust the tension between these two pieces via two bolts to reduce backlash. It would be easier though to just use a single thicker piece and not worry about backlash. These nuts are attached to the machine using four bolts.
Send me a Private Message with your address if you want me to post you the trapezoidal tap. I used a 10.2mm drill for the hole.
DumpsterCNC make all these parts - they are in the USA but post worldwide - http://www.dumpstercnc.com/trapezoidal_12x3x1.html
Attachment 3291Attachment 3292Attachment 3293