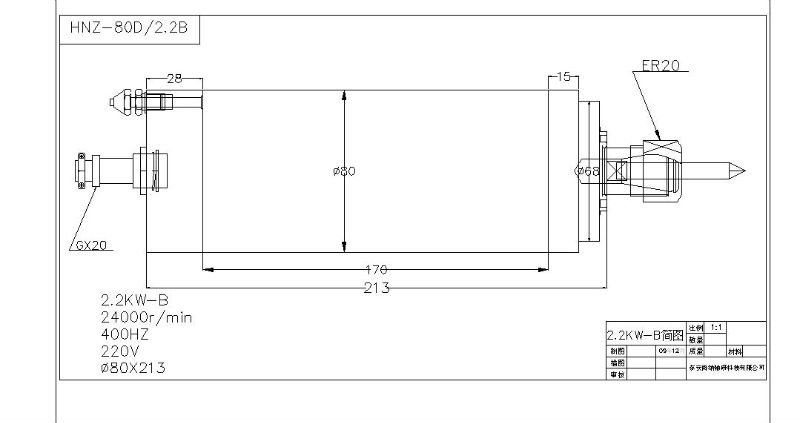
Could anyone help. I need a very basic outline drawing with dimensions of one of the 2.2kw water cooled spindles that are being sold on ebay. I'm trying to develop my concept for a router and this would be a great help.
Printable View
Could anyone help. I need a very basic outline drawing with dimensions of one of the 2.2kw water cooled spindles that are being sold on ebay. I'm trying to develop my concept for a router and this would be a great help.
How basic do you want it? also what format do you need it in? Those two items are top on my list to be able to even look at doing a "quick" draw up of it.
Michael
If you google you will find it ... I did at the time. However this exercise may be of limited value as the length (and possibly other dimensions) of the spindles do vary.
I was looking for a very basic drawing or sketch so I could work out the height and position of my X axis. I thought it might be sensible to work back from the tool, spindle, tool holder, etc.
Like this?? :smile:
Attachment 4391
Is this an acceptable (i.e. the latest) drawing for the 2.2kW spindle many people use?
What is the typical total (ER20) collet length sticking out the end, beyond the 213mm dimension shown?
For facility to cut 300mm in Z, what are the typical minimum and (more importantly) maximum length tools one might put in said collet?
Is there a standard mount or offset (in mm) used for axis of spindle from mounting plate?
Cheers, Charles