2 Attachment(s)
Wiring up the Alarm output on Leadshine AM882
Hey folks,
I'm wanting to double check I've got this right before wiring it up.
The AM882 has an alarm signal output that triggers when the driver goes into a fault state. The object here is I want that signal to be picked up on one of the BOB inputs so Mach can trigger an estop and halt the other drivers.
Here's the an image of what Leadshine suggests in the manual.
Attachment 7875
And here's a crude wiring drawing that I've knocked up to stick on the inside of the control box for quick reference (please ignore the extra details such as the relays and stepper wiring)
Attachment 7876
Will that work?
Re: Wiring up the Alarm output on Leadshine AM882
Loose the brown link wire to alarm.
you are feeding it V+ from this and then to ground. when it triggers it will be a dead short.
You want e stop to go to one alarm terminal then to ground.
Basically alarm is in series with the estop
1 Attachment(s)
Re: Wiring up the Alarm output on Leadshine AM882
Thanks John.
Not sure I completely understand but had a go at updating.
Is this what you were getting at?
It should be noted that the Alarm+ outputs 30v 100mA and Alarm- is 0v so I don't think I've done this right.
Re: Wiring up the Alarm output on Leadshine AM882
Quote:
Originally Posted by
Shinobiwan
It should be noted that the Alarm+ outputs 30v 100mA and Alarm- is 0v so I don't think I've done this right.
In which case feed the E Stop circuit through a set of relay NC contacts and the alarm + and - to that relay coil.
Connect all 3 drivers to the same coil and then it doesn't matter which one trips.
Driver alarms, switches the relay and breaks the E Stop. - Simples.
Re: Wiring up the Alarm output on Leadshine AM882
The alarm terminals don't output any power. It's an open collector output capable of switching 100mA at 30V.
So you still need a relay as per John's suggestion to connect into to the Estop circuit, but you need to provide the power to the relay, then connect the relay to ground via the alarm terminals. You could also have the relay in circuit after the alarm terminals, but it's usually better practice to switch the ground side in electronics.
1 Attachment(s)
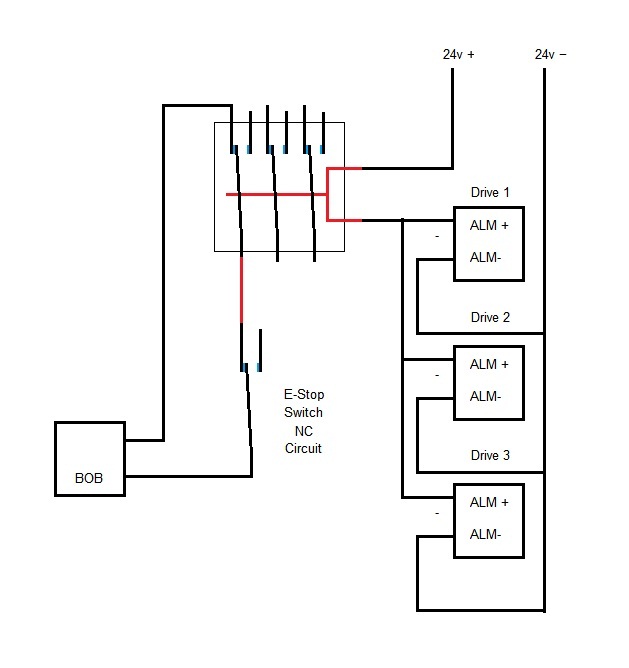
Re: Wiring up the Alarm output on Leadshine AM882
Thanks guy, I think I'm starting to understand now.
Based on what's been I've changed things around and attached the updated diagram.
Is this looking OK now?
Re: Wiring up the Alarm output on Leadshine AM882
Quote:
Originally Posted by
Shinobiwan
Thanks guy, I think I'm starting to understand now.
Based on what's been I've changed things around and attached the updated diagram.
Is this looking OK now?
No, I'm thinking that's still wrong, I suspect one of them will draw the circuit by tomorrow but if not I will, but I wont be home from work till the morning and not up till 2pm so we will have to see. Rick
Re: Wiring up the Alarm output on Leadshine AM882
Ohh thought I'd got it then. I'm missing something here so would someone be kind enough to just put me out my misery and scribble the correct way over the top my drawing please.
1 Attachment(s)
Re: Wiring up the Alarm output on Leadshine AM882
Quote:
Originally Posted by
Shinobiwan
Ohh thought I'd got it then. I'm missing something here so would someone be kind enough to just put me out my misery and scribble the correct way over the top my drawing please.
Ok I think this is how it would be wired but you better confirm that with the gurus..
Attachment 7893
Sorry its crude but ive just got home from work.. I think you will understand it.
Rick
1 Attachment(s)
Re: Wiring up the Alarm output on Leadshine AM882
Thanks Rick,
Have I interpreted it correctly?