-
1 Attachment(s)
1605 ballnuts
Are the 1605 ballnuts all the same dimentions ?
I am searching to buy one. On ebay different sellers have different ref, like ; SF1605 or RM1605.
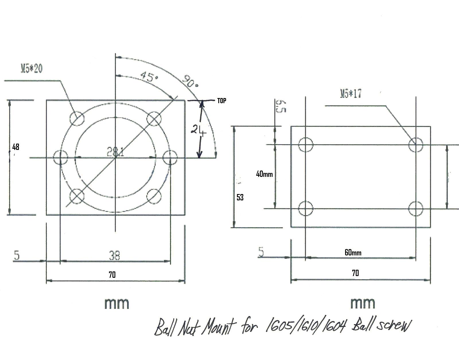
I am having my Ballnut housing custom made to the correct hight from the ballscrew center to the top of the ballnut housing. So I need to be sure that wherever I buy the ballnut, they are all the same dimentions between each mounting hole. This is my ballnut housing plan below.
Attachment 8562
-
Re: 1605 ballnuts
I do not have this ballnuts to measure them, I have just ordered them from Chai, but from their drawings, the Chinese RM1605 will fit perfectly in your supports. I have not encoutered the SF ones.
-
Re: 1605 ballnuts
cnc4you advertise it as an RM and there stock code is SF. I would like to say they are the same beast because i am sure i have ordered both in the past and they all look the same? trouble is is what comes across the sea consistent?
-
Re: 1605 ballnuts
I'd say they would be the same and conform to a standard on the mounting holes, would like to think the same for the rest of the nut dimensions but can only guess at a yes.
.Me
-
Re: 1605 ballnuts
The person who is supposed to be giving me a price on the custom Ballnut mount is not responding to emails. I want this asap, as I want to get the machine working again. Anybody interested in giving me a price please ? made from Alu and sent to France please. Bear in mind I really would like this in my possession within 2 weeks from now.
-
Re: 1605 ballnuts
Dudz
Looking at your drawing the out most holes for the nut show 38mm, but the mounting holes show 60mm between cntres. the drawing looks like they should be roughly in line. Can you just check those measurements please. I will be near Richelieu in a few weeks and will be driving down through LeMans but not as soon as you would like.
It might be worth you popping along to here Accueil - Aéro Modèle Club Armoricain on the 14th April. You could make some good friends local that may be able to help you out. I remember a chap from Loudeac was visiting near by and cam to my local flying club years ago.
-
Re: 1605 ballnuts
Wow those planes are big !
I build UAV's but on a much smaller scale.
Might just go there to take a look. Thanks