1 Attachment(s)
Need a quick hand with some resitors please
Hi guys if anyone has the time could they look at PItank there are 3 ristors metioned and if you could tell me what I need to buy or even better find a link for them on RS (I'm already going to order the other parts from there) I would be forever in your debt :)
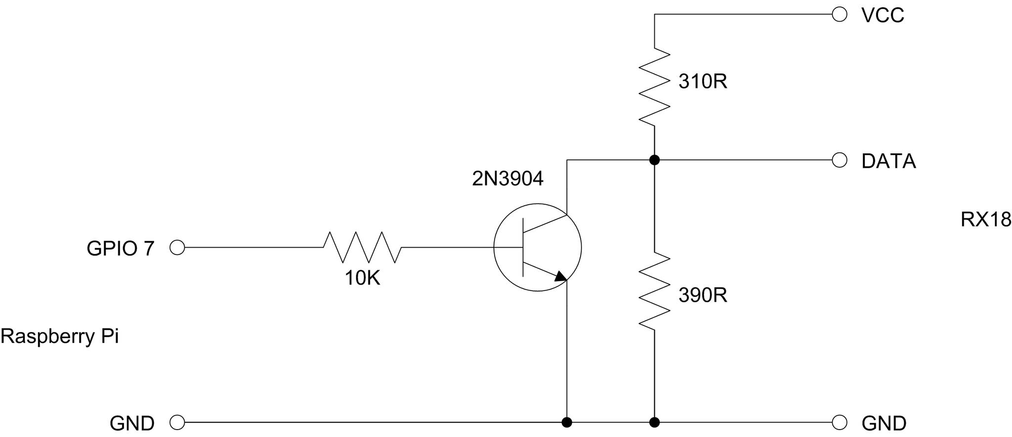
"The 2N3904 transistor has a high enough slew rate and hfe that we can choose a relatively high value for the resistor between the GPIO pin and the transistor — in this case, 10K. This really cuts down on the current being drawn from the GPIO pin, protecting the Raspberry Pi. On the other side of the transistor, a potential divider created with the 310R and 390R resistors creates a 4V level from the 7.2V power line."
More Info
"The resistor values in this circuit don’t have to be exactly the same as mine – anything roughly similar will do. The potential divider created by the 310R and 390R resistors ensures that when the transistor is off, the output is roughly 4V, but this 4V is fed into the RX-18 which isn’t particularly picky about its input levels. In fact, even with my resistors, the output is rarely exactly 4V as VCC varies between 6 and 8 volts depending on how full the battery is.
So long as you get a resistor close to 310 Ohms — 330 will be absolutely fine — you shouldn’t run into any problems."
Attachment 8680
Re: Need a quick hand with some resitors please
use 1/4W carbon
330R 707-7622
390R 739-7427
10k 707-7745
or 0.5W metal film
330R 148-382
390R 132-303
10k 132-731
all in packs of 10
Re: Need a quick hand with some resitors please
The 10k is simply to limit the amount of current from the GPIO pin through the transistor. Without a resistor the GPIO pin would see an almost short to gnd, leading to the Pi getting toasted (should have a certain degree of protection I would think) or the transistor gettign cooked (due to the limited amount of current, I;d expect the Pi to die first). Anything in the 1k-10k range should work fine.
The other 2 resistors are being used as a voltage divider to reduce the 7.2V to aprox 4V. One thing to note is the 310R will basically be connected direct to ground when the transistor is switched on, so you want to ensure it's got a high enough power rating.
So current is 7.2V/310R = 23mA, then Power is 7.2V*0.023A=0.16W. An 1/8W resistor is only 0.125W, so you may want a 1/4W resistor for durability, or two 1/8w in series or parallel, if you can't guarantee long periods of being the transistor being switched on.
Just done a quick search, and 1/4W are actually cheaper. I've been doing too much with SMD lately where 1/8W is normal!
10k - RS own brand 1/4W- 707-7745 12p for 10
390R -RS 1/4W - 707-7634 16p for 10
309R (nearest to 310R) - either Vishay 3/5 (0.6)W - 683-3500 -1.25 for 25 OR TE 1/4W - 754-9072 1.07 for 5
The TE have a tighter tolerance (0.1% v 1%)
Re: Need a quick hand with some resitors please
Wow thanks guys you are both awesome :) ordered ..
Re: Need a quick hand with some resitors please
MC I hope you dont mind but I posted your anser in the blog , but because there is on way of putting link backs on I just put mycnc.co.uk .. anyway I hope it helps others ..