2 Attachment(s)
Some turning required please
Hi Guys,
I need 2 parts turning if anyone has time?
The parts are identical and form a kind of flanged insert that will be held inside 2 bearings so the outer diameter is critical. The material needs to be steel, not entirely sure which grade is suitable, hoping someone might advise? ;)
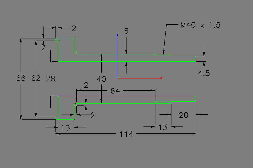
Attachment 8765Attachment 8766
I hope the drawings make sense.
Thanks in advance
Re: Some turning required please
That looks familiar! How come you've gone for 7x08 bearings not 7207? I can guarantee that you wont have problems with 35mm bore bearings.
A few points about the design:
- 40mm (or 35mm) main portion of shaft needs to be machined for a 'just sliding' fit on the shaft. Must not be a press fit otherwise the housing must incorporate the means to pre-load the bearings, which is more difficult.
- Be careful with the 62mm dimension - the tolerance on flange of the ball-nuts isn't especially consistent so you probably want it 0.1mm oversize, plus it's critical that this feature is concentric to the main shaft.
- The 2mm shoulder can be reduced to 0.2mm to save an, admittedly negligible, amount of material, but it also helps stop swarf getting on to the adjacent bearing.
- Use aluminium for the shaft since the moment of inertia will be about 2.9 times less, and it's plenty strong enough.
- Similarly, reducing the diameter to 35mm means you can use a smaller pulley, again reducing the inertia. I make the hole through the center just over 27mm, mainly because I have a 27mm drill, so if reducing the external diameter I'd make the hole 27mm to add a little strength. This wont affect the moment of inertia much at all since it's close to the center.
- Since the shaft rotates in both directions, you need room for two M40x1.5 (or M35x1.5) locknuts so that they can be locked against each other to ensure they don't unscrew. Standard M40 locknuts are 9mm wide. Alternatively you could a single locknut with grubscrews, or some other means of securing it, in which case make the thread as short as you can, as again there's no point having excessive thread when you could be reducing the moment of inertia!
- If you can incorporate a seal to wipe the swarf off the ballscrew as it runs along that could significantly improve the life of the ballnuts.
1 Attachment(s)
Re: Some turning required please
Hi Jonathon,
Thanks for the reply.
My assembly will look something like this:
Attachment 8772
Green = Insert, Red = Bearing, Blue = locknut
I've decided to opt for the 40mm OD just because of the configuration of my machine. The length of shaft past the locking nut will accommodate my pulley, so with a 35mm OD minus the thread pitch (1.5mm to allow the locknut to slide over) will leave me with only 2.5mm wall thickness...
Thats a good point you raise about the tolerance of the ball nut flange (62mm) I will measure the exact OD of my ballnuts and work to that because like you say its ciritcal to be concentric.
Good point with the 2mm shoulder, 0.2mm will be better.
I'm not sold on the idea of an aluminium shaft, admittedly the moment on inertia will be less, but the overall mass of the rotating ballnut assembly with steel components compared with that of the ballscrew (with a rotating screw scenario) is considerably less. I'm using 12.2 NM motors with high voltage drives, I know the torque will drop off at higher rpms, but I only need the machine to move quickly for positioning i.e with no cutting loads. Plus I hope to upgrade to servo's eventually.
27mm bore will be fine through the insert.
True about the locknut, I could probably afford to accommodate another nut.
Very true about wipers on the ballscrews, I'm hoping to have the ballnut assembly fully enclosed with wipers on each end or opt for bellows over the entire screw length, or both...
Lastly, What sort of price would you charge for doing these inserts? Keeping in mind the drawing will change slightly to update the items discussed.
Kind Regards,
Adam.
Re: Some turning required please
Quote:
Originally Posted by
drumsticksplinter
I've decided to opt for the 40mm OD just because of the configuration of my machine. The length of shaft past the locking nut will accommodate my pulley, so with a 35mm OD minus the thread pitch (1.5mm to allow the locknut to slide over) will leave me with only 2.5mm wall thickness...
(35-27-1.5)/2=3.25mm wall thickness. That's plenty, especially if the pulley is machined such that it clamps on to the shaft.
Quote:
Originally Posted by
drumsticksplinter
I'm not sold on the idea of an aluminium shaft, admittedly the moment on inertia will be less, but the overall mass of the rotating ballnut assembly with steel components compared with that of the ballscrew (with a rotating screw scenario) is considerably less. [...] Plus I hope to upgrade to servo's eventually.
The overall mass is irrelevant. The moment of inertia of a cylindrical object is proportional to it's radius to the power 4, and proportional to the density of the material, so I=k*density*radius^4. So if you can make the radius smaller, that makes a big difference (hence use as small bearings as you can). Similarly, whatever the inertia is is multiplied by the density, so using aluminium reduced it substantially.
More important than both of those is to consider the moment of inertia of this shaft(+ballnut+pulley) compared to if you were rotating the ballscrew.
The radius of this shaft is greater than the ballscrew, and that difference gets raised to the power 4 so you end up with the inertia of the shaft being equivalent to a substantial length of ballscrew. For example, the Ĝ62mm*13mm long piece of the shaft is 62/25=2.48 times the diameter of the ballscrew, so it's inertia is 2.48^4=37.8 times greater, but there's a hole about the same diameter as the screw, so that 13mm long portion of the shaft, if made from steel, has the same inertia as about 36.8*13=479mm of 25mm ballcsrew! If it's aluminium then it's inertia is only equivalent to 479/2.9=165mm of ballscrew. That's also an excellent excuse to use an aluminium pulley instead of steel.
Having big motors does make this less important than in most cases, but that's no reason not to make the design as good as you can - every little does help. Also if you do get servos, then it's helpful for the assembly to have a low inertia because it could reduce the size, and therefore cost of the servos you need.
1 Attachment(s)
Re: Some turning required please
I've just made a quick spreadsheet for calculating the inertia to demonstrate the difference:
Attachment 8773
I've entered the values for your original design as an example, so you could put the values in for the modified design and compare. You could also include the pulley and ballnut.
Re: Some turning required please
Thanks for your advice Jonathan.
I know what you are saying that aluminium will decrease the moment of inertia as will reducing the radius. I've seen lots of designs that all go the other way and house the ballnut inside the bearing housing using larger bearings still, I'd agree that this is overkill.
This is the design I liked the look of:
castanha 25mm passo 10 da OBR com sistema giratório [rotating nut] - YouTube
What do you think?