2 Attachment(s)
Can you quote my project?
Hi guy,
I am interested if anyone would be will to quote my project. I require someone with a 3-axis CNC router who can mill.
The project -
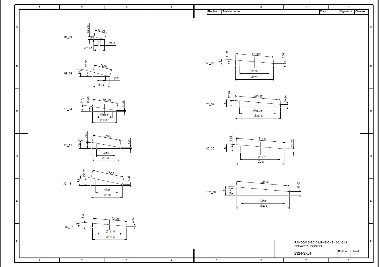
I want to make a logarithmic spiral, (like a snail), from Boltic Birch Plywood - 40mm thickness. I have worked out and completed the design. It consists of 102 sections which are hollow cylinders with an angled top. Each section has a different diameter ranging from 48.5mm to 238mm. The heights range from 13mm to 38mm and the angles ranging from 5 degrees to 15 degrees.
The design is completed, the disks have been nested for a ply sized 1200*2500. The file is an .STL ready for CNC routing.
A vacuum table or clamping shouldn't be required. I have designed the cut-outs to have a top and bottom tab, so that the disk remain attached to the board when routing.
Please see images.
Attachment 10182Attachment 10183
Re: Can you quote my project?
Hi Guy's, I'm still interested in getting my projected quoted. If you price is a fair and can be justified I would be grateful.
Re: Can you quote my project?
hi have you got programme for it?
Re: Can you quote my project?
Sorry, I am not sure if I understand you question. The design has been on solid works and the .STL files are ready to upload.