1 Attachment(s)
Another Home - Limit switch question
HelloEveryone,
Ihave been lurkingon the side lines for a few months now reading posts and designing a3 axix, gantry style router. The design work is pretty much done andI have started on the build, hopefully I get to post some images ofmy progress soon.
Myquestion lies with the circuit around limit and home switches. I haveattached an image showing the circuit so far but I have a fewunknownsbefore i can commit to wiring. I will be using a PNP proximity switch(LJ12A-4-ZB/Y) and the BOB HG07 from CNC4YOU. I am not great withelectronics so this is the area I would appreciate some help.
1.I am not sure if I have got the wiring right for the LJ12A's?
2.Is it ok to collect together the LJ12A's for the Y and X axis fromboth an electronics point of view and a MACH3 angle?
3.Will the LJ12A appear to the BOB like a microswitchand if so will it be N/C or N/O?
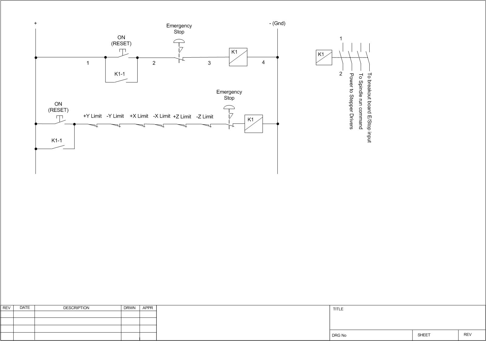
4.I would like to open a relay with the emergency button circuit sothat i can turn power off to a few items. Can someone suggestsomething suitable.
5.Do the LJ12A's work effectivelyboth in axially approach as passing by?
Ican't find very much information on the HG07 BOB input pins alongwith my lack of knowledge of electronics means I can't be certain ofthe circuit I came up with. I appologise for the diagram but itstarted out with me trying to work out how many wires I need and ifthey would fit into the drag chains!
Anyhelp would be much appreciated. Wishing everybody a Happy Christmasand here's to a little time off work to fiddle with CNC's
RegardsSimonAttachment 11069
Re: Another Home - Limit switch question
Hi Simon,
To be honest, I haven't got the patience to check through your diagram, but I presume you have built it in parts and tested it. I used a 2nd BoB (5v) to do the limit switches as the LJ12A's don't work below 9 or 10v. and I wanted more inputs. I have modified all my proximity switches to work in pass-by as I got a bit fed up with crushing them. It doesn't need much force to push the end in and kill the device. Also be aware that you need a switch to deactivate the limit sensing, so you can reset MACH3 (if you use it), otherwise you can't jog off the limit switch.
Cheers, Rob
I retired in 1999 (health issues) so all I do nowadays is play CNC and electronics.
1 Attachment(s)
Re: Another Home - Limit switch question
Simon,
1.I am not sure if I have got the wiring right for the LJ12A's?
They look correct up to a point
2.Is it ok to collect together the LJ12A's for the Y and X axis from both an electronics point of view and a MACH3 angle?
Take a look at this website for details of switches in parallel.
Sensors - Inductive Proximity Sensors
As these act as N/O then when any one of them is activated it will change the state of the bob input, as far as Mach3 is concerned this is fine because you can wire all the home switches to one input and it just cycles round them one at a time. However if you have a slave motor, as you do, this has to be on its own input. So X,Y,Z home switches are into one input, Y slave is into it's own input. Of course you can have them all on an input each but this is wasteful of inputs.
3.Will the LJ12A appear to the BOB like a microswitch and if so will it be N/C or N/O?
N/O
4.I would like to open a relay with the emergency button circuit so that i can turn power off to a few items. Can someone suggest something suitable.
You need to use a NVR (no volt relay). This means the circuit will not reset until you press the 'reset' button.
In the diagram below you could also incorporate the limit switches as shown if you wanted to save an input, I would want the machine to trip if it hit a limit switch.
Attachment 11070
5.Do the LJ12A's work effectively both in axially approach as passing by?
They need to be in passing by mode because your limits will be physically past or outside the home switches.
link to bob manual http://cnc4you.co.uk/resources/Breakout board HG07.PDF
As cropwell says you could have button that temporarily shorts out the limits if you hit them to let you back off but you could also do this, although I've not tried it myself.
http://www.machsupport.com/forum/ind...1;topic=6722.6
Re: Another Home - Limit switch question
My limit override switch sets an alarm going when operated, so I can't forget the little buzzer.
Re: Another Home - Limit switch question
Thank you Rob and EddyCurrent. I will have a look at NVR's and I didn't realise that I would need to a switch to reconnect the limit circuit to enable me to jog off from the error position. Am I correct in saying that the HG07 BOB will recognise a 0v or 5v line with a max 5mA? The HG07 data sheet says very little about the inputs.
EddyCurrent, you mention that I have the proximity sensors wired correctly to a point! What do you mean by that?
Is there a benefit to giving MACH3 a separate input for limits and emergency button, can MACH3 act differently? I suppose from my point of view I had the limit switches as just that, a last line of defence after soft limits, the emergency switch is a "oh my god" I am being eaten by the machine Stop everything NOW with no software involved.
Simon
Re: Another Home - Limit switch question
I wouldn't worry about the bob inputs just provide a 0 or 5v signal.
Quote:
Originally Posted by
Cube3
EddyCurrent, you mention that I have the proximity sensors wired correctly to a point! What do you mean by that?
I meant you have the correct coloured leads going to the right places i.e. brown + ,blue - ,black load
Quote:
Originally Posted by
Cube3
Is there a benefit to giving MACH3 a separate input for limits and emergency button, can MACH3 act differently?
Breakout board diagrams will generally show them using separate inputs, Mach3 has a dedicated E/Stop input.
If you want the machine to do something different depending upon the emergency stop button being pressed or limits being hit then use different inputs, you can make Mach3 act differently. I think it's a matter of personal choice, for me I want the machine to do the same thing if either happens and I don't want to rely on software that's why mine is like this http://www.mycncuk.com/forums/router...html#post52213
1 Attachment(s)
Re: Another Home - Limit switch question
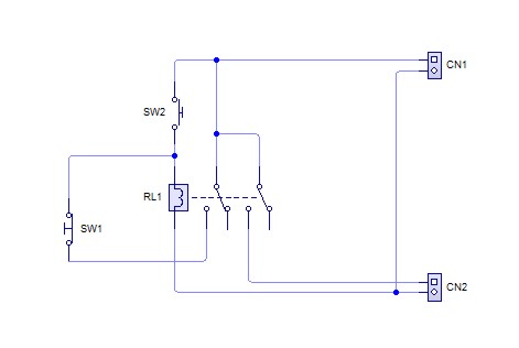
Attachment 11076You can make a NVR switch from a relay and a couple of push buttons (1 make 1 break) my workshop has one for all* the power sockets, made out of a hefty 3 pole contactor, so I can kill all the power from the door on the way out. * except for one set of plugs which I use for charging batteries. I am sure you don't need a diagram, but here it is anyway.
Cheers, and a Happy New Year :beer:
Rob