got 2 outputs from controller, need to connect 3 leds to them, any solution?
Hi Guys, on my CSMIO I got 2 outputs to spare out of 6 , I would like to use these remaining to connect a tower led light which has 3 bulbs, and utilize all 3 of course. is there a way to place something like a decoder which would translate binary representation of signals into individual line outputs? I've been told it might be done with 2 relays but can't think of the proper wiring for that
any help is appreciated
1 Attachment(s)
Re: got 2 outputs from controller, need to connect 3 leds to them, any solution?
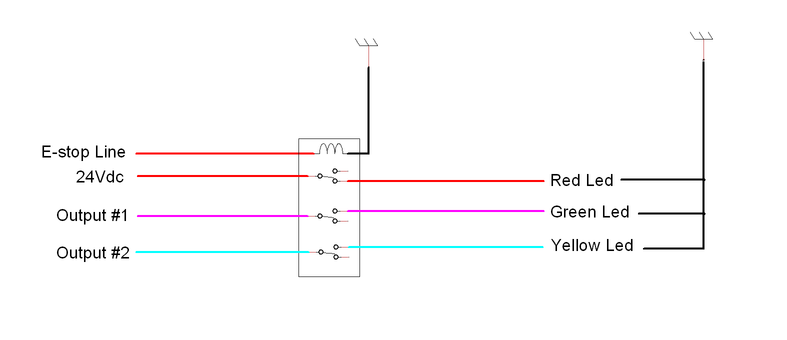
Easy done with 1 x 3PDP relay wired in series with E-stop. Here's how it works.
One NC is for the RED LED. Two NO contacts for each Output. One Output will go to GREEN LED other to Yellow LED.
When E-stop is safe Relay will turn on and contacts change state. E-stop Contact will break path to RED LED and make path to Green & Yellow Leds.
The One OUTPUT will only ever be turned on at one time depending on state of machine so the relavent led will turn on so we only need to break the paths in case of emergency. In which case the E-stop will turn relay off and create a path to power using the NC contact to turn on Red Led.
Depending on what your wanting to display ie: System Reset or program running = Green or Feedhold = Yellow will mean having a Macro pump or brain running in the background watching.
Attachment 17510
Re: got 2 outputs from controller, need to connect 3 leds to them, any solution?
Thank you jazz, initially I thought of something similar with no outputs dedicated for this, like the HWenable from CSMIO also powers the green led while the E-Stop when goes low red light comes up using relay or something. but then I found a link in CSMIO website which someone put up to show an example of using the outputs to show the states as they are in mach3 instead so I thought of doing it like that, but your way I guess is a good compromise! screw the yellow light lol ( it will be the NC one) and red and green will come from mach3 based on the light state there.
For reference: http://www.cs-lab.eu/en/artykul-131-...nal_Tower.html
Re: got 2 outputs from controller, need to connect 3 leds to them, any solution?
Quote:
Originally Posted by
Noplace
Thank you jazz, initially I thought of something similar with no outputs dedicated for this, like the HWenable from CSMIO also powers the green led while the E-Stop when goes low red light comes up using relay or something. but then I found a link in CSMIO website which someone put up to show an example of using the outputs to show the states as they are in mach3 instead so I thought of doing it like that, but your way I guess is a good compromise! screw the yellow light lol ( it will be the NC one) and red and green will come from mach3 based on the light state there.
For reference:
http://www.cs-lab.eu/en/artykul-131-...nal_Tower.html
So what do you want the light to tell you.? E-stop and system Reset or green if program Cylcle is running.?
If just system Reset then don't bother with using any outputs just use Contacts on Master relay.!
Regards the Cslabs Tower then I use similair setup using outputs and Macro pump to control the LED status on the Front panels fitted to machines I build.
Led's controlled are E-stop, Cycle running, Feedhold, Step or Continous mode (with flashing Led). These are the kind of things you can easily do with plenty of I/O.
Re: got 2 outputs from controller, need to connect 3 leds to them, any solution?
I would like to use the red one for any reset condition from mach3 and green when program starts, so I guess I'll do the green through relay for green and yellow, and red direct.
I'm currently using severals input for driver faults and spindle fault therefore the best way to see red is through mach3 reset not just the E-Stop
Re: got 2 outputs from controller, need to connect 3 leds to them, any solution?
Quote:
Originally Posted by
Noplace
I would like to use the red one for any reset condition from mach3 and green when program starts, so I guess I'll do the green through relay for green and yellow, and red direct.
If you want Red Led to turn on when mach is not reset but not E-stop condition then you'll need to use an Output for this and have the Macro pump watch the Screen Reset Led. Same goes for the Program Cycle. If you ok with not using the yellow Led then you can do this using 2 outputs and No relay required.
Quote:
Originally Posted by
Noplace
I'm currently using severals input for driver faults and spindle fault therefore the best way to see red is through mach3 reset not just the E-Stop
Both these should E-stop the machine and when in E-stop Mach should be told and drop out of Reset.