9 Attachment(s)
Re: Joe's 1000x600x200 steel and aluminium router started
Was still waiting for the pulleys this morning so decided to align the Z axis assembly and fit the ballscrew. I needed a 0.25mm/10thou shim between the ballnut holder and Z-plate, but it was extremely difficult to get the shim into place as the holder is buried between the rails inside the assembly. A bit of lateral thinking and I used some plastic lamination film cut from a normal A4 laminating pouch.
This stuff has the advantage of a) being quite hard after lamination,b) having a heat activated adhesive. So using an old iron I laminated 4 layers of the stuff onto the back of the ballnut holder, this formed the perfect shim. I trimmed it with a scalpel and cut the bolt holes. Worked really well. Z axis is now complete apart from lubrication points. These are a pain with the nipples supplied with the hiwin carriages and the ballscrew so will need some thinking.
Attachment 28265 Attachment 28266 Attachment 28267 Attachment 28268
Just as I finished the Z the delivery guy turned up with my belts and pulleys, so I spent a rather boring couple of hours, boring, reaming, cross drilling and tapping 8 steel pulleys. All done now. I only installed one M5 grub screw per pulley, each shaft will have a flat on it, hopefully this will be sufficient. I could do with some longer grub screws, or maybe just use an M5 bolt given the low RPMs.
Attachment 28269 Attachment 28270 Attachment 28271 Attachment 28272 Attachment 28273
4 Attachment(s)
Re: Joe's 1000x600x200 steel and aluminium router started
Made the motor mounts today, 3mm steel cut from some scrap box section. I used a cheap screwfix holesaw, wasn't at all convinced it would work. Lots of cutting fluid and smoked like crazy but delivered a very clean hole, cutter seems like new still. Just cleaned them up on the linisher and ripped the end of my finger nail off, very messy.
Attachment 28274 Attachment 28275 Attachment 28276
They are now painted.
Attachment 28278
For the machine bed I got a few quotes for 30mm HDPE, various Phenolic paper boards, etc, all around £300. I called Smiths for a quote on 1300x880x20mm aluminium plate, quote was £274, then they found a pre-cut piece 1500x990x20 which I can have for the same price. Seems a no-brainer so am picking it up tomorrow.
I will get a 1200x600 piece of phenolic for the spoil boards, these are a standard size and just right for my machine and readily available from electrical wholesalers.
1 Attachment(s)
Re: Joe's 1000x600x200 steel and aluminium router started
Picked up the bed today, 82kg of 20mm plate! Not sure how I'm going to cut it, too heavy for manoeuvring over the table saw. Will probably just use the circular saw very carefully...
Attachment 28283
Re: Joe's 1000x600x200 steel and aluminium router started
Re: Joe's 1000x600x200 steel and aluminium router started
Bit of a set back today. I noticed that the Z screw was operating smoothly in one direction but lightly jammed and clicked when the direction was reversed. I've taken it off of the machine and now believing there must be a ball trapped between two circuits, however I've now re-packed it twice and the exact same problem persists. I think there is probably a small error where returns are machined leaving a tiny gap that allows one outer circuit and the middle circuit balls to touch. The plastic returns didn't look to clever to me.
Anyway I've contacted Fred from BST to see what he suggests.
Re: Joe's 1000x600x200 steel and aluminium router started
Fred is sending a replacement, what an excellent after sales service. In the meantime I've ordered a ball nut from Cardiff for £11 that should arrive tomorrow so I can finish the machine.
1 Attachment(s)
Re: Joe's 1000x600x200 steel and aluminium router started
My spoil board choice solved itself today. I had to take the car in for a firmware update (I kid you not) and whilst I as waiting I noticed a small plastic engineering shop over the road. Knocked on their door and the owner was absolutely flat out making perspex screens for covid protection in shops and offices, he said he was 10x busier than he'd ever been before although there was now a world shortage of perspex, well done him!
Anyway I asked about foamed PVC and he went into his warehouse and pulled out a 19mm offcut 1300x700 which he sold me for £30, perfect!
Attachment 28303
Re: Joe's 1000x600x200 steel and aluminium router started
Lovely machine. May I ask which aluminium you bought from Smiths? They have loads of different tooling plate names. Alplan, certal, contral etc.
Also, You have mounted your ball screw supports directly to the steel box section. How did you make sure they were aligned and in the same plane? Surely the box section wasn't that flat?
1 Attachment(s)
Re: Joe's 1000x600x200 steel and aluminium router started
Quote:
Originally Posted by
Nealieboyee
Lovely machine. May I ask which aluminium you bought from Smiths? They have loads of different tooling plate names. Alplan, certal, contral etc.
Also, You have mounted your ball screw supports directly to the steel box section. How did you make sure they were aligned and in the same plane? Surely the box section wasn't that flat?
This time I got a piece of KASTAL 300 from Smiths, but tbh all I do is phone my local branch and ask what they have ready to go, so long as it is cast milled plate.
The rails are set on epoxy what was cast in plane. The ballscrew supports are bolted to the steel and shimmed with the ballnut hard mounted to the gantry so it aligns perfectly. I. E. fit ball nut before end supports.
Edit:
This is what I use for shimming, £15 for a pack of different thicknesses from RS, works really well.
Attachment 28306
4 Attachment(s)
Re: Joe's 1000x600x200 steel and aluminium router started
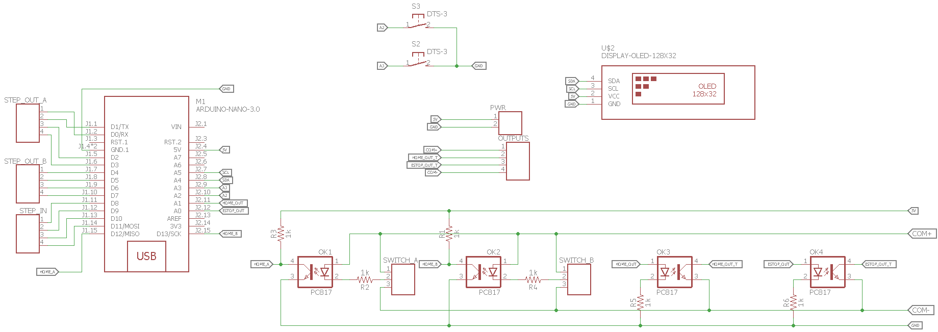
I'm waiting on some proximity switches to arrive. In the meantime I've started to work on the control side, my enclosure with psu and drivers is finished so this is about the actual machine control
In the past I've always used MACH and an old PC, this time I'm going try using a standalone DDCS controller, no experience of these other than checking it powers up.
Attachment 28307
The are 4 axis controllers (there is a thread on here somewhere) but have no capability to slave two axis together. My solution is to add a daughter board that will both slave two drivers and handle the gantry squaring. I don't think such a thing is available so I've started to build one. The basic system is an arduino nano with appropriate opto isolation that sits between the controller X outputs and X home input and the two X drivers and two X home switches.
The (untested) algo to deal with this is as follows. Under normal operation the arduino will mirror the X signals to drivers X1+X2. When a home switch is triggered AND the machine is moving in the homing direction the system will enter a homing state. It will suppress further steps to the motor whose home switch triggered whilst continuing to pass thru steps to the other motor. Once both home switches have triggered it will signal home to the controller. The controller will then back away from the home switches, the system will then perform the opposite logic and suppress steps to the motor whose switch releases first until both switches are released then clear home to the controller and return to the normal state.
The system never generates its own steps rather it chooses when to pass through steps from the controller, the hope is that it can sit passively and just do its job without the operator or controller having to do anything special. There will be a configurable max overdrive/underdrive number of steps that if exceeded will fault the estop. It will also be possible to set offsets for each motor home position so that the axis can be squared up without moving proximity switches or targets.
The DDCS has a sensible power domain isolation between the logic and stepper outputs on one side and home/limit inputs and outputs on the other side. My system will honor this isolation, on the switch side using opto isolators on the COM+/- domain. The stepper signal side will have a ground shared with the DDCS logic side, the stepper signals themselves are just 5v differential logic so can be connected directly to the arduino pins.
I've written the code, knocked up the schematic and just made a quick PCB so will assemble and test for when my home switches arrive.
Attachment 28308 Attachment 28309 Attachment 28310
There is also a tiny oled screen and a couple of buttons for configuration.
Once I've validated it works as intended the code can be shared.