A quill master only gives 2:1 speed up so would give me 6000rpm, no idea of what a speeder is?
My high speed spindle gets me to 24,000 rpm, still low but very usable on aluminium.
Printable View
Some more progress...
Got the cabinet mounted on the side of the mill...
Attachment 18992
Also cut and welded up the pendant workstation and trial-fitted it on its suspension arm...
Attachment 18991
Not all the holes will have buttons but thought it best to cut spares and fit blanking plugs.
Slightly concerned about the strain on the 10mm stud holding the arm on the rear of the ram but it seems ok.
Dave,
truly inspiring!
You thinking of making a flood enclosure for the mill? It made my life so much better when I did.
I think it will need a chip control enclosure but I'm hoping to run mist coolant only.
Started panel wiring today, one of my favourite parts of a build :)
Got the grounds and most of the neutrals in, plus the motor supply from the VFD to the terminal bar.
Attachment 18993
The space at top-right is for the high-speed spindle VFD - can't fit that yet as its still on the mini-mill.
You are not putting the output from the VFD onto 3 separate switches are you ?
If one trips you will fry the VFD.
VFD has to go to motor with no breaks.
No, no, no ;)
The output from the vfd goes direct to the terminal bar and then to the motor.
The three contactors are:- VFD 1 supply, VFD 2 supply and Servo's supply.
The VFD's are for main motor spindle and aux high-speed spindle, only one will run at any time.
I think having a terminal bar in between motor and VFD is acceptable.
Yes that's fine Dave, hard to tell what someone envisages just from a picture
Of course, no worries ;)
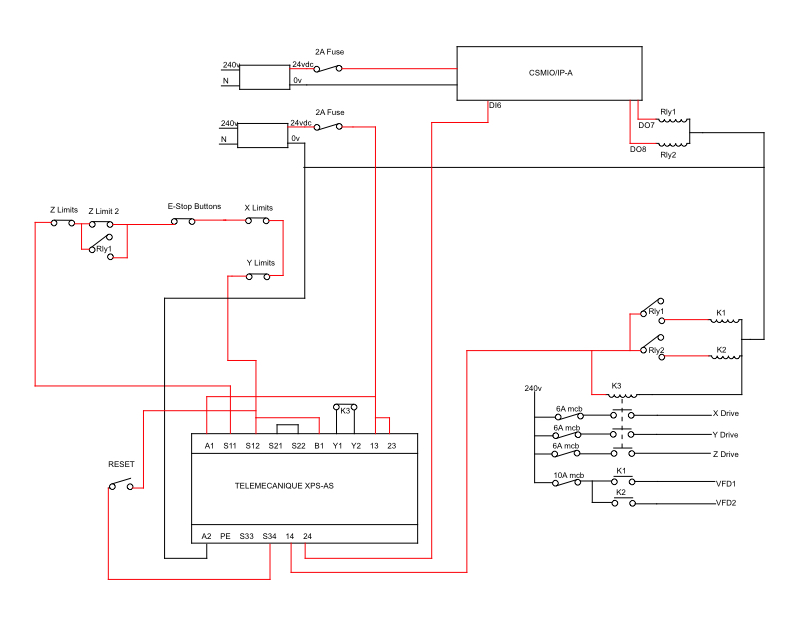
A rough idea of the safety/control side of the wiring...
Attachment 18994
Sir,
Sir,
Query please?
You show pin 14 from the XPS as going to relay 1, relay 2 and the coil of K3 but you are also showing K3 across Y1 and Y2 ?