Re: PDMX 126 with AM822 drivers and relays.
Quote:
Originally Posted by
dachopper
I read in the PDMX manual, if the charge pump signal is disabled, then it will disable the PMDX-126 and all motor drivers. If the drivers are disabled, then they cannot be in fault mode, right?
Am I missing something regarding the fault loop? or does this sound like it will work?
Yes, you are missing the fact the Drives will still be OUTPUT a fault signal unless the fault is cleared inside the drives. The PMDX only disables its OWN OUTPUTS it cannot control the Drives OUTPUTS and because you're watching these OUTPUTS with the PMDX INPUTS then the fault signal going to the PMDX will Never be cleared.
Also, think your misunderstanding the Charge Pump. The function of the Charge pump is to disable the PMDX outputs if the connection to the PC is lost. Shouldn't be used for E-stop or to control drives etc.
The drives could be reset using the Enable signal but not a good solution IMO because it's relying on software.
Re: PDMX 126 with AM822 drivers and relays.
I see, I just read this from 882 manual "Reset the drive by repowering it to make it function properly after removing above problems" so, if I have one of the pdmx relays controlling the driver voltage, so it cuts driver voltage on fault, this should accomplish the job, or I can manually cycle 882 drive power to clear ?
If I'm using the relay, should it be cutting power on the DC side, or AC side of my power supply?
Nick.
1 Attachment(s)
Re: PDMX 126 with AM822 drivers and relays.
Re: PDMX 126 with AM822 drivers and relays.
Quote:
Originally Posted by
dachopper
I see, I just read this from 882 manual "Reset the drive by repowering it to make it function properly after removing above problems" so, if I have one of the pdmx relays controlling the driver voltage, so it cuts driver voltage on fault, this should accomplish the job, or I can manually cycle 882 drive power to clear ?
If I'm using the relay, should it be cutting power on the DC side, or AC side of my power supply?
Nick.
Always cut the ac side. Cutting the dc side risks blowing up the drives.
Re: PDMX 126 with AM822 drivers and relays.
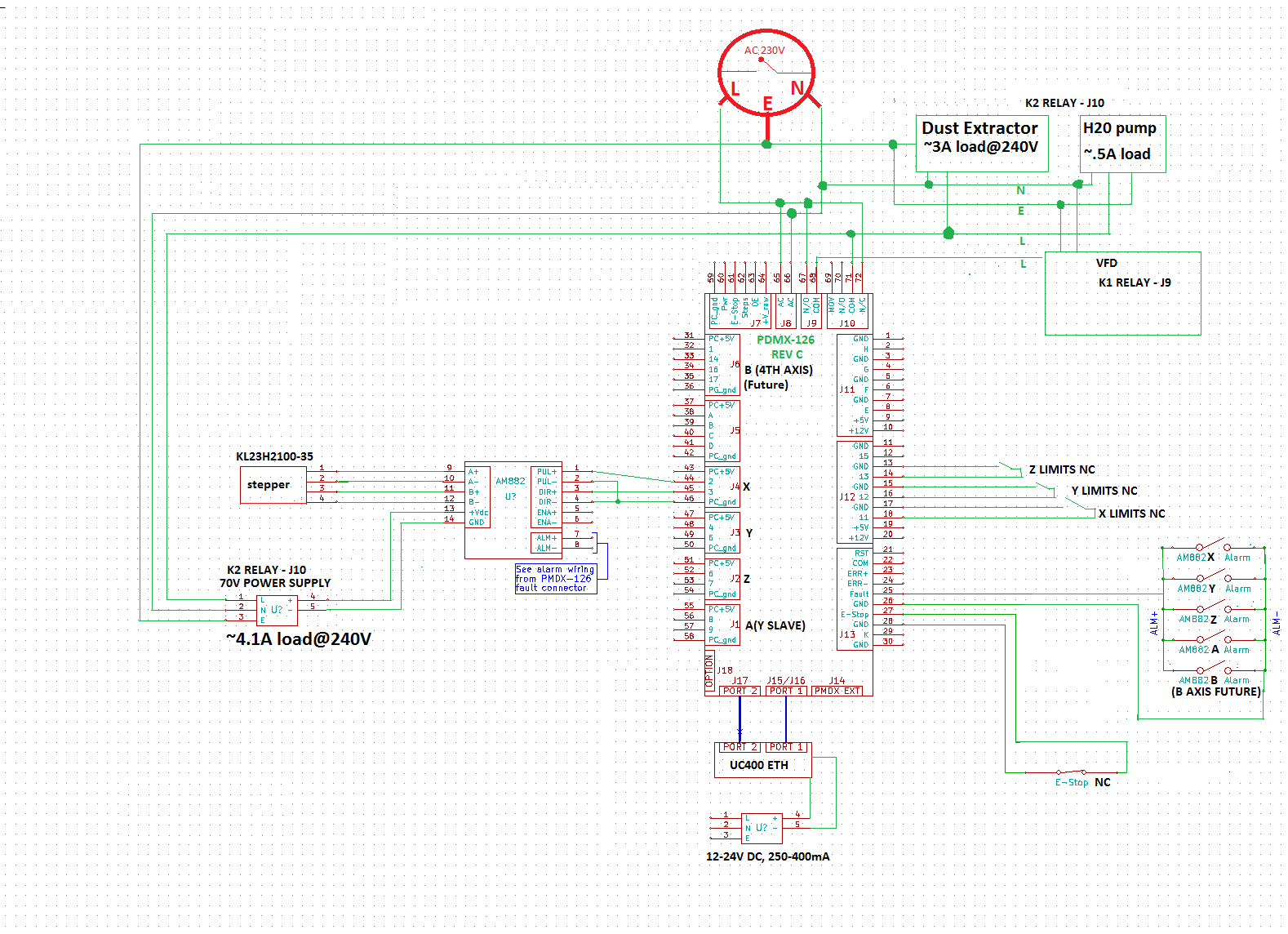
OK - I'm goint to try knock up a more complete schematic, and see what you think
1 Attachment(s)
Re: PDMX 126 with AM822 drivers and relays.
Re: PDMX 126 with AM822 drivers and relays.
Don't like this setup because you don't have latching safety circuit. How you have it now soon as you release the E-stop the system becomes active again regardless if the fault is cleared or not.
Personally, I would run the E-Stop thru Master relay wired so forms latch. This then controls the Killing of power to high powered devices like Drives, Vfd etc. Then informs PMDX E-stop occurred which then does the Rest and turns off its Outputs. The Master Relay can only be Reset by pressing Momentary Button and will only allow the Relay to reset if all faults are clear.
The E-stop circuit can then be run using 24V giving better noise immunity.
Re: PDMX 126 with AM822 drivers and relays.
Ok, But latching or not, the software that is running the machine will go into reset condition the second it receives an E-stop or limit switch touched, until someone physically pushes the reset button in the software, and then clicks on start again in the software. So regardless of weather the E-stop remains latched or not, The PDMX will not activate anything again as the software is in reset active mode? A latching circuit is adding another layer of buttons I have to press to get the machine started again.
What do you think about the load I was placing on the K2 relay? All i did was look at the rated Watts, or Amps per motor and figure out what that would be at 240 Volts ( 100% conversion) to guess the load at max drain for everything on? It says 10A max in the manual
Re: PDMX 126 with AM822 drivers and relays.
A key rule is never to trust software!
What size of machine is this?
Personally, I'd ensure the e-stop circuit removed all power to anything that moves directly, which if I remember correctly from the PMDX manual, the BOB will kill all outputs as soon as the E-stop signal is lost. However, I'd add an extra relay (the onboard relay is probably not ideally rated for handling PSU start-up surges) controlled directly by the E-stop circuit (adding a reset/latch is reasonably easy - they are a legal requirement for commercial use, but hobbyist use you can do whatever you want as long as it's only you that's going to risk getting injured), which controls power to the drives.
If the E-stop directly controls the main power relay, then you can use an extra set of contacts in the relay to switch the BOB E-stop input. Unless you're using more than about one KW/KVA of power supply, I'd use a common DIN rail mounted DPDT 10A relay. RS part numbers are 488-2610 for the relay, and 803-376 for the socket to give you an idea of the type - other sources are available.
Having the main drive power supply active without the BOB active is not a problem, as the BOB/software should prevent any motion from occurring. The big problem arises when you rely on the software to kill things, and the reason you want to kill things is because the software isn't doing what it should, so you really want to make sure the E-stop kills everything, even if the computer/software is doing it's very best to not stop things.
Re: PDMX 126 with AM822 drivers and relays.
Quote:
Originally Posted by
dachopper
Ok, But latching or not, the software that is running the machine will go into reset condition the second it receives an E-stop or limit switch touched, until someone physically pushes the reset button in the software, and then clicks on start again in the software. So regardless of weather the E-stop remains latched or not, The PDMX will not activate anything again as the software is in reset active mode? A latching circuit is adding another layer of buttons I have to press to get the machine started again.
What do you think about the load I was placing on the K2 relay? All i did was look at the rated Watts, or Amps per motor and figure out what that would be at 240 Volts ( 100% conversion) to guess the load at max drain for everything on? It says 10A max in the manual
Was going to answer this then noticed Moray did the job for me.
Everyone does it there own way just some do it better than others, it's down to you to decide if think yours is better or not.!