2 Attachment(s)
Re: Combined CNC Engraving Technologies. Spindle + Laser
Hi,
some help here please. I am not very good with electronics.
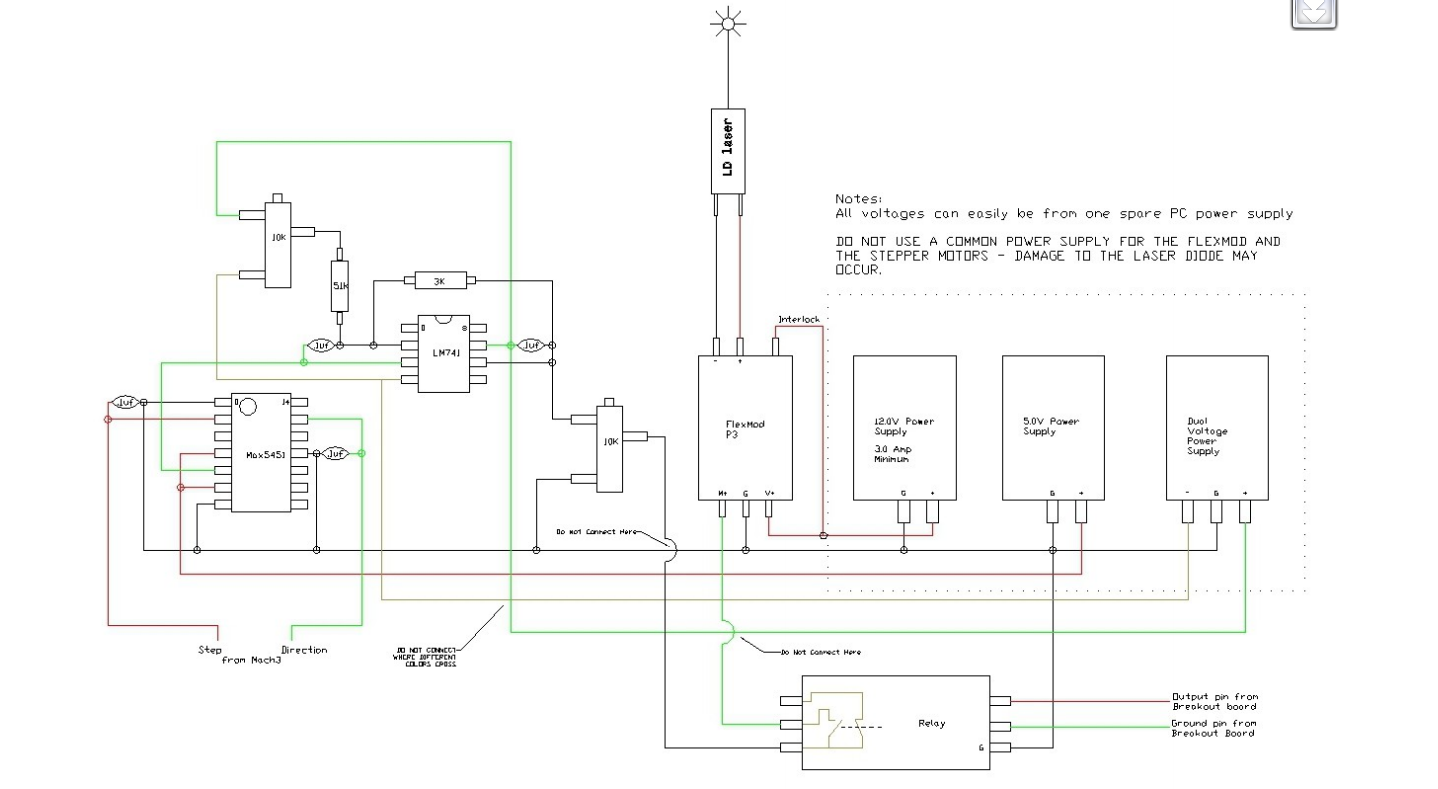
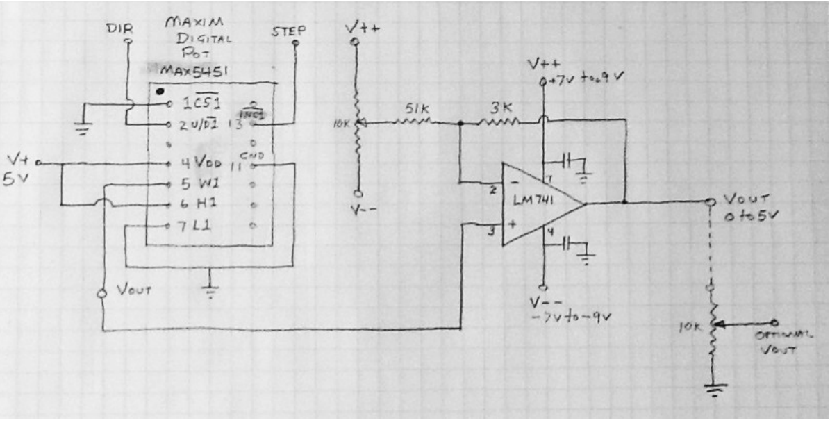
I am looking at the pdf and i see some difference between the 2 drawings
some questions:
-the caps on the 1st /hand/ drawing go to ground and on the second not? I started soldering like the first, then saw the difference, so which one is correct?
-there are 2 more caps on the second drawing /DIR , STEP/ ??
-i will use +-12v from PC ATX instead of 7-9v do i need to change something? UA741CN
http://www.mycncuk.com/attachment.ph...id=14735&stc=1
http://www.mycncuk.com/attachment.ph...id=14736&stc=1
Re: Combined CNC Engraving Technologies. Spindle + Laser
It's difficult to answer the question about capacitors as it's so difficult to follow the second diagram, but it looks to me as if they are doing a different job. However, I think that they should all have one end to ground. You can probably use the capacitors in both diagrams - in the first, they are power supply decoupling caps which are a good idea, and in the second probably to reduce noise and small random fluctuations on the output which you often get when a variable resistor is involved.
As for power supply - the original diagram shows +7V and -7V. You could replace these with +12V and -12V from an ATX supply. That should work fine and is well within the 741 ratings. You can't use just +12V and ground; the 741 would be happy but the output would not go right down to zero.
Re: Combined CNC Engraving Technologies. Spindle + Laser
Thanks Neale,
Meanwhile I have soldered everything as per second diagram.
Now i wonder how to test and adjust everything without burning my BOB or the laser driver. I still dont have the diodes. It seems i have to install the program and start from there.
I still don't understand what these pots do. The one at the output seems to adjust the max voltage output, right? I mean its still not clear how to adjust them.
I am frustrated at the point of freelancing sb to make PCB drawing and even revising all and making me a PCB where double laser driver and this is integrated in one so its very simple to connect and operate. Not sure if there would be enough public for this but i am ready to jump and sale it slowly later or some kickstarter campain.
Re: Combined CNC Engraving Technologies. Spindle + Laser
Quote:
Originally Posted by
silyavski
I still don't understand what these pots do. The one at the output seems to adjust the max voltage output, right? I mean its still not clear how to adjust them.
The pot connected to the input of the 741 is to adjust the output to zero, and the pot at the output is (as you say) to reduce the nominal 0-5V output range to 0-something less, that is, reduce the output swing. I assume that the "digital pot" device has an output range of 0-5V and the output of the 741 will follow this.