If you have roughing cutters they work best. I cut all my Z-axis covers and Timing belt covers etc ready for folding and welding with either 6mm or 8mm roughing cutters.
Printable View
I don't have any roughing cutters but OK I'll get some and try it next time I have some panel work.
Also for some reason in the last reply my 'thumbsup' symbol came out as '??' which kind of changed the meaning of my reply! Not sure what happened there or if my browser is at fault or it is because it was from my phone.
Trying again - :thumsup: OK that seems to have got it.
Time for episode 3 - main electrical cabinet . . .
https://www.youtube.com/watch?v=F-pVtiMvjfY
More shenanigans . . .
This time - finishing off the electrical cabinet and getting it mounted, starting the control box, and stripping down the drill press . . .
https://youtu.be/n_qHrwWYRM8
If you are following along, here is episode 5:
https://www.youtube.com/watch?v=DG4HozR5-7w
Ran into a few issues . . . but made progress
https://youtu.be/xtBs0Fxs0so
I decided to have an initial look at these Banggood 20 mm linear rails and 1605 ballscrews . . .. plus a bit more progress on the machining.
https://www.youtube.com/watch?v=O2gPxOmKXAk
More machining and then the motor installation!
https://youtu.be/evFaIQK1RIE
The control box is installed and we get the motor parameters sorted and running. Plus some other jobs along the way.
https://youtu.be/SYwBaAelUD0
You wait weeks for a video then 2 come along together. Here is the next instalment !
https://www.youtube.com/watch?v=ks8m2LqkdwI
More progress . . . .
https://www.youtube.com/watch?v=FUgnnO5wxRg&feature=youtu.be
Brackets and Ballscrews . . .
https://youtu.be/Fcbyv0s6ivs
This time - making the part for the Z axis assembly
https://www.youtube.com/watch?v=LzQc8n_XV08
A little bit more. This time Banggood sent me a DRO system to have a look at . . .
https://www.youtube.com/watch?v=sWLOoOnEblg&feature=youtu.be
Another small milestone - finished off the Z height adjust mechanism
https://youtu.be/OFbVpacbIZ0
The adventure continues . . .
https://youtu.be/QbvH5dnUF1Q
This time - machining the main front plate . . .
https://www.youtube.com/watch?v=dlL-V3Git2M
Time for some of the small, fiddly but necessary jobs . . .
https://youtu.be/FCv9JyxGMVw
This time we teardown an import XY table - yes, I decided to buy one rather than make one. . . :-(
https://youtu.be/7fXiUs0FXeI
Having taking this XY table apart I thought it would be a good idea to put it back together. I found some interesting things along the way !
https://youtu.be/JoKTulK83Vs
More progress. Testing the accuracy of the XY table, and making parts for the knee
https://youtu.be/EuP3GZT0IpE
Getting the knee finished. Plus bonus PC overheating problems !
https://youtu.be/2gJe_o1ZJ28
Sorting out the knee brake, and fixing the PC - properly this time !
https://youtu.be/P-MzVEIxYDA
More . . .
https://youtu.be/jLkSHRH5THs
Sorting the brake out (again), getting the Z DRO working, and then looking at the ballscrew options . .
https://youtu.be/BbK22RUROCw
It was all going so well . . .
https://youtu.be/rhl5nPELFis
Ethernet upgrade starts today !
https://www.youtube.com/watch?v=JCE_Hf0RoFQ
Getting started on the power supply for the main cabinet
Also, JazzCNC website !
https://youtu.be/psSmat4raRs
More electrics . . .
https://youtu.be/VO_fNBVwPc4
Who uploads on a Tuesday night?
https://www.youtube.com/watch?v=UXk-0j2BExQ
First look at the UCCNC software, and getting some movement . . .
https://youtu.be/s1AIRR2HD-M
Finished ! . . . . for now.
https://youtu.be/AWvzFnInIRw
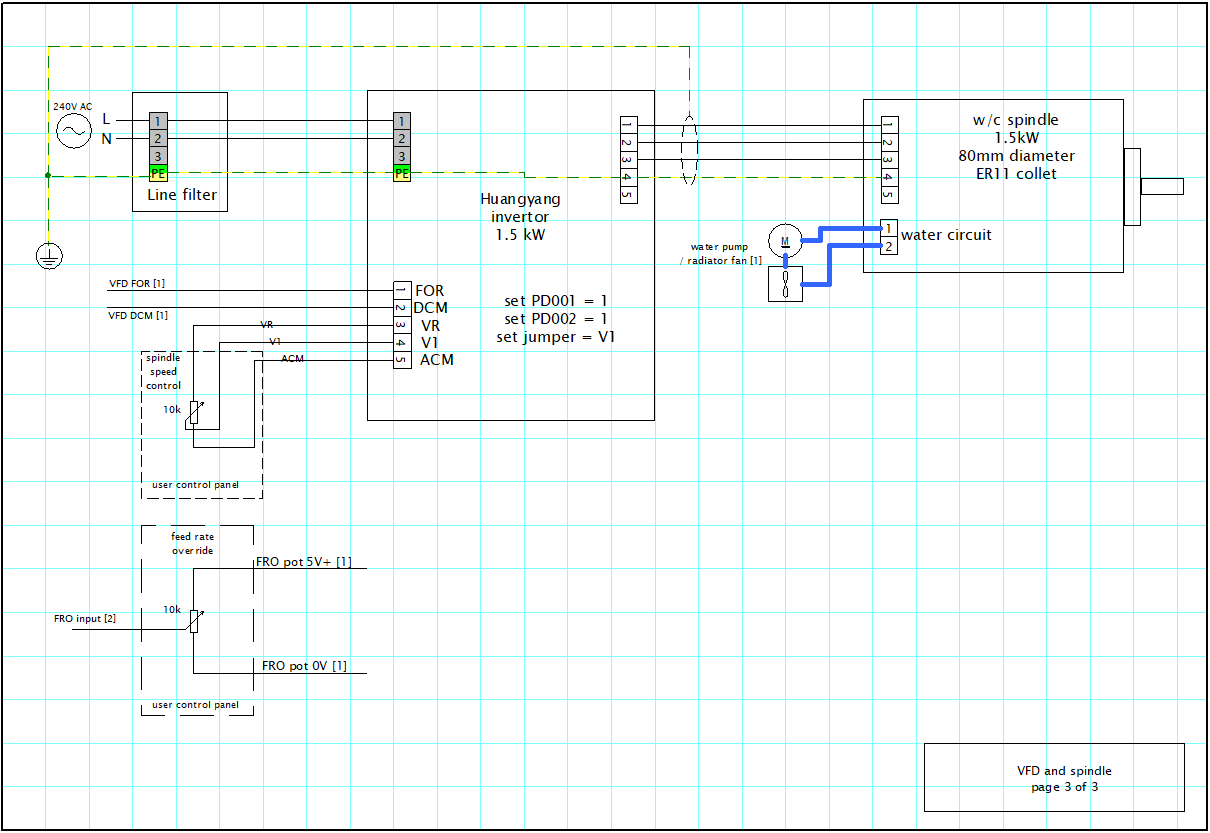
I had some requests for the new control cabinet wiring diagram on my YouTube channel so I'll direct people here (I guess they need to become members to download attachments ?).
While I was building the wiring I noticed a few small errors so hopefully I have remembered them all and corrected them in the diagram, but I can't guarantee it is error free !
By all means use this as a starter or for information, but note it was designed around what I wanted it to do. It is best to have an idea what you are trying to do and ultimately create one yourself. That way if there is a problem, or you want to customise it later, you can make it work.
Obviously there are high voltages used here so if you are not sure, please ask for professional help. Good luck with your project.
Attachment 30647
Attachment 30648
Attachment 30649
Controller upgrade video series starts here:
https://www.youtube.com/watch?v=JCE_Hf0RoFQ&t=135s
Hi Routercnc
Thanks very much for that. I'll have a good look through it. It looks like it's going to be a good guide.
Cheers
Andrew
We are finally back on track - hooray !
Then run straight into a problem - boo !
https://youtu.be/AJQd38dwgt8
Getting the Y axis moving . . .
https://youtu.be/W0qQK1_Tr_Q
Finishing the XY table !
https://youtu.be/etTpM385H2I
fitting the DROs . . . .
https://youtu.be/1Decpr6MYaU
Every project gets to a point where you need to make lots of small but necessary parts . . . this is that video !
https://youtu.be/mRkQaPk3DyI
Bit of a delay in getting this video sorted out but here we go - rear bellow / covers :
https://youtu.be/PdGkL9aIje8