Ok fitted BOB today, all axis move in one direction only!!! but sound rough and move very slowly so a bit of sherlock is required (par for the course, how much is simple nowadays)....
Rick
Printable View
Ok fitted BOB today, all axis move in one direction only!!! but sound rough and move very slowly so a bit of sherlock is required (par for the course, how much is simple nowadays)....
Rick
Check for voltage at Dir +&- also pulse? on BOB inputs
LOL how stupid can one get....derrrrr forgot to connect GND on BOB. All Axis now work both step and direction!!! im off to play for a while and tune the motors :)
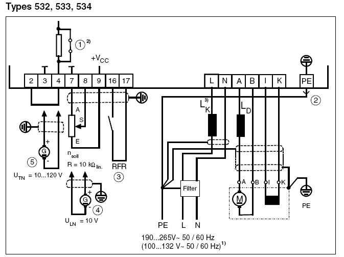
Ok im going mad,, will someone take a look at these two items and tell me how they interface and how they connect to the bob please ive tried for two hours and when it gets to that my experience tell me im doing something wrong...
there are only three connections to the lenze 534 to the speed interface and although it only shows 1 connection to the breakout board there is also an rtn connection.....:confused:
Lenze534 vfd
Attachment 2627
pins 7,8,9 are for the speed control using a 10klin pot or circuit below
cncdoctor speed controler
Attachment 2626
0-10v on speedcontroller TB2 to pin 8 on Lenze
0v on speed controller TB2 to pin 7 on Lenze
+ve on speed controller TB2 not connected
STEP on speedcontroller TB1 to BOB Output (typically pin 8)
RTN on speedcontroller TB1 to BOB Ground associated with the chosen output
Do NOT share the grounds... they may not be the same ground level...
Thanks irving, did you know what the rtn connection on the speed control to bob is..
RTN = return
see my post above... connected to BOB ground alongside pin 8