LOL nope the spindle has an M12 (I think) thread in the top & Holds the sprocket on, that goes all the way through and as you may know the easy change has an m12 hex bolt that goes up inside it...
Printable View
LOL nope the spindle has an M12 (I think) thread in the top & Holds the sprocket on, that goes all the way through and as you may know the easy change has an m12 hex bolt that goes up inside it...
Here is a quick drawing i knocked up just to give you an idea:-
Attachment 2666
Ill give you a buz in a moment.
Rick
just had a nose back through the pics, and it looks like the spindle is designed to take the coventry easychange collet, rather than an R8 or int.
Give me a quick ring, as i think you have a int spindle there.
Hello.
I have a 260VMC converted to run on Mach3, so I thought I'd add a bit to your thread...
They are a good machine within their limited capabilities, I've cut aluminium, brass, PB and hardwood on mine. When I get coolant fitted to it I'll be having a go on some steel, so if any other readers have a 260 fitted with coolant I would like to know where the tank went and so on.
The facility to swing the head round 90 degrees makes it a horizontal borer, a shame that there is no way of clamping the head at some intermediate angle (future project?)
I've had no problems with the existing proximity home switches, their repeatability is not an issue on my machine. The Z axis is controlled by a drilling (dimple) near the top of the column. As to the spindle taper I can't help you, because I've never had the easychange chuck off. From your photos it could be a modified INT 30 without the driving slots/keys or a shortened MT3....some measurements would throw more light on that issue. Is the disappointment about it not being R8 because you have a heap of R8 stuff? Collet chucks and so forth? Well, with the Z to the top, there is barely room to get an R8 collet chuck up the spindle from the top of the table without a tool in it and then of course there is no spindle lock so it would be impossible to tighten the collet nut. What I had to do was bite the bullet and BUY (not a nice word in a Yorkshire Lad's lexicon) an easychange ER25 collet chuck and a set of collets.
My tool carousel is lurking at the back of the workshop somewhere as I saw no good reason to keep it, if the user can't pick the correct tool in its holder from the cupboard under the machine when the software is yelling for a toolchange, then he shouldn't be driving it IMO. And anyway I wanted somewhere to park the monitor.
To digress a little, I'm in the latter stages of converting a Denford Easiturn3 to run with Mach3 and I required more inputs than your average BOB has, so 2 parallel ports and 2 of Peter Homanns MB-02 V6 BOBS filled the bill, the 1st BOB is normally jumpered (5 inputs) but the 2nd BOB is jumpered to give inputs on pins 2 to 9 as well as the usual 5, giving me a grand total of 18 inputs. As and when I get round to it I'll be having an MB-06 in the 260VMC and another stepper driver to run the 4th axis (under construction), and have the jog buttons on the front panel working again. This seemed easier to me than PICs or Modbus, being a humble MechEng, not a programmer.
Get yourself some 1/2" x 6" aluminium, drill and tap M6 holes on say a 20x20 matrix for a "sacrificial" fixture plate, surface or flycut both sides on your machine, add dowels underneath to drop into the T slots, then beg, borrow make or buy a verticality detector AKA a spindle square and check the column to table. Mine is a few thou out on the Z (another job on a long list) but was easily adjusted along the X axis. If you do have a crash into the plate it can always be surfaced again, which is better than looking at a part-pocket in your table. Not mine, fortunately, but I know where there is one.....
Elsewhere on this forum someone mentioned X+, X- Y+, Y- etc travel directions. If these appear to be wrong they can be reversed in Mach3, its in the config menu, under "Home/Limits", first column.
Link: Peter Homann homanndesigns.com/store/index.php
Keep up the good work, I'm looking forward to the next installment !
Regards,
John
In North Notts.
From the details and a quick chat it seems that the spindle has been made specifically for the easychange toolholder, without the normal r8 or 30 int holder.
Well as stated by i2i in the post above, the actual easy change chuck and spindle, after investigation seems to have the same taper as one of the easy change tool holders, I had wanted to go down the R8 tooling route as there is so much R8 tooling out there at such a reasonable price. as it turns out my plans for the future of the 'Z' Axis fit quite nicely with the existing taper, in fact im very happy as i intend to fit an ATC and the spindle fits nicely with that but that will be in another chapter!!
I have tried to keep the machine in line with the defualt settings in mach and as such i have and will alter the machine rather than the software to keep in line with the default settings.. but thats just me.
Thanks for posting some interesting points and suggestions, and please post again, im sure i speak for everyone when i say the more information out of the brain and on the forum the better.
Rick
OK ive got an hour or so before i have to go to work so i decided to have a look at this tach setup, the 22 sensor i have used is obviously working as i get numbers on the display but they are all over the place, so i decided to investigate the existing sensor that is on the spindle, this is an rs 306-061, there are two types of this sensor, mine is the slotted type, my uestion is can i use this with the divider circuit i got from irving...(posted earlier in this thread??) or indeed if irving is around what does he think..
Rick
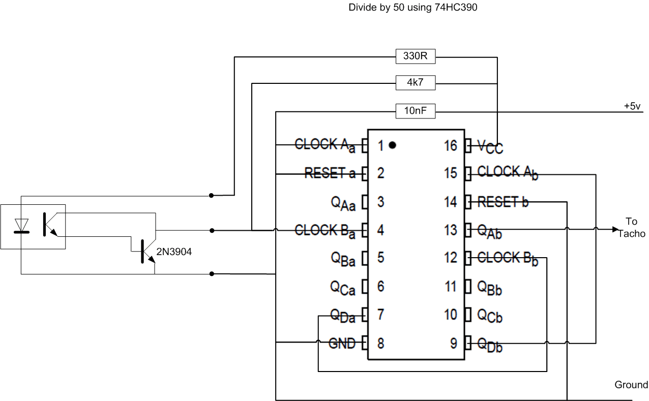
This is the divider Circuit to save searching.
Attachment 2684
And here is the link to the RS sensor
midas.herts.ac.uk/Datasheets/opto/optoswitch.pdf
Rick
why don't you just make a disc with one slot, and swap it for the existing one.