sorry double posted
Printable View
sorry double posted
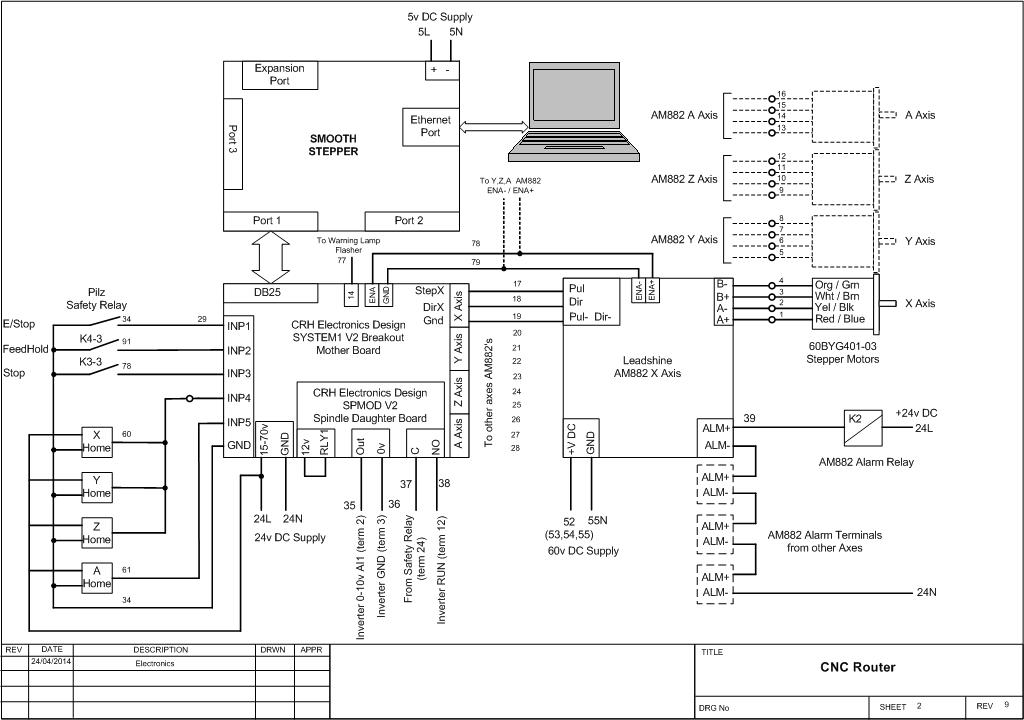
Today I changed the wiring for the AM882 alarms.
Initially each drive had the alarm set to 'High' so that if a fault occurred the internal alarm contact would close. I have four AM882's so the internal contacts were connected in parallel with an external relay in series fed from 24 volt DC so that if any drive went into fault it would energise the external relay.
This was okay until someone queried it this week highlighting the fact that if any drive lost input power then the external alarm relay would not energise. This is most important where the X axis uses two separate motors.
So using ProTuner I changed the alarm settings to 'Low' and connected the 4 off AM882's internal relays in series along with the external relay, see drawing.
Now the external relay is energised when all AM882's are powered up and healthy, if one goes into fault or loses input power than the external relay will de-energise indicating a fault condition.
Attachment 12197
For anyone using a PDMX bob FAULT input (J13) they should connect the AM882's as in the diagram using a relay, then connect the normally closed NC contacts of the relay to the PDMX FAULT(J13) input and Gnd(J13)
This means when the relay is energised the PDMX Fault input will be High (floating) and LOW when the relay is de-energised (connected to Gnd)
From the PDMX manual;
"The Fault input provides an interface for external fault detection circuits. This signal is “active low”, meaning that a logic “low” (or ground) indicates a fault condition, and a logic high (or floating) means “all is OK”.
Link to a dust shoe experiment.
http://www.mycncuk.com/forums/open-s...html#post57624
eddy, your machine looks great - very inspiring... makes me want to start mine asap!
everything you've posted will no doubt be of use for me - so thanks in advanced for that...
It's a while since I logged in, the problems I've had with computersand internet since a lightning strike several weeks back have been unbelievable, still not out of the woods yet so just a quick reply.
Here, but you might have to phone them for that size as they don't keep all sizes in stock.
http://www.thomas-graham.co.uk/aluminiumboxsection.html
Thanks Eddy, for the link I'll give them a call. Sorry to hear about your PC + IS problems, is there anything we can do to help ?
Mike
I thought the 882's won't back off on stall detect unless they are above 300 rpm? That's why I have to go to 2 home switches on x, I've seen it rack the machine a little and the 882's didn't alarm.