Re: MSD043A1XXV Panasonic AC Servo Driver 400w - MB3 connection help
Quote:
Originally Posted by Nemo1966
Seems literally just the "servo on" for that one - as you posted in the modified picture.
Yup, like Kitwn said earlier - the beauty of open-collector drives is in the ease (and general robustness) of interfacing.
Re: MSD043A1XXV Panasonic AC Servo Driver 400w - MB3 connection help
Quote:
Originally Posted by
Doddy
Yup, like Kitwn said earlier - the beauty of open-collector drives is in the ease (and general robustness) of interfacing.
Thanks again.
Now the "other" thing that is worrying me is..... :black_eyed:
Looking at this video https://www.youtube.com/watch?v=ab6P...ature=youtu.be 7:30 minutes in.
It mentions the "Axis" controls are 5v and goes on to say he blew the fuse by connecting 24v to the VCC on that side (you'll understand what I mean if you watch that section).
I am was worried about controlling the 24v servo with 5v, however in the last pics I sent showing the MB3 connected to a Panasonic Minas. The MB3 people connected to it directly... so i guess I may be worrying unduly?
Re: MSD043A1XXV Panasonic AC Servo Driver 400w - MB3 connection help
Fuse?, a transient voltage suppressor (TVS) is not intended to protect in the manner that he orchestrated.
The servo inputs, apart from the step/dir, are intended to be driven by the 12/24V supply to the servo driver, and through current sink inputs. The step/dir are intended for 5V differential, or single-ended supplies.
If you want to understand the difference - look at the resistors attached internal to the servo controller on page 11-13 of the manual - the step/dir are 270R (from memory), and the other inputs are 4.7k (4700R). Each opto-isolator device has an internal LED (the term opto-isolator is a bit confusing - they provide electrical isolation, by using an infra-red light between a LED and a photo-transistor across an air-gap, so the mechanism to drive this is to drive the LED 'on'). The LED will have, from memory, around 1.8V forward voltage drop. For the step/dir, 5v-1.8V = 3.2V. Through a 270R resistor, that's around 12mA (Ohm's Law: I=V/R). Typically drive current for a LED like this is around 10mA (max 20mA), the optical power is broadly proportional to the current - the choice of 270R is a standard value in the E3 etc range of resistor values - it's a "rule-of-thumb" resistor value). Now, the other inputs, with 4700R resistors - again, drop 1.8V across the LED, and if you're driving the stepper controller with 12V, then 12-1.8 = 10.2V, I = 10.2/4700 = 2mA, or at 24V then 24-1.8 = 22.2V, I = 22.2/4700 = 5mA. Actually, the currents a little low, but obviously it works - but hopefully you can see that if the 5V works on the Step/Dir at 12mA, that the other inputs with 4k7 resistors are perfectly safe at 24V because of the choice of resistors selected by the designer. being honest, I think the designer has been a little cautious.
Again, it's information provided by the manual that takes a bit of background knowledge/understanding to interpret properly.
But, yes, unduly worrying - the Step/Dir are designed for 5V signalling, the other controller inputs designated for current-sinking through a 4k7 resistor are designed for 12-24V signalling.
Re: MSD043A1XXV Panasonic AC Servo Driver 400w - MB3 connection help
Quote:
Originally Posted by
Doddy
Fuse?, a transient voltage suppressor (TVS) is not intended to protect in the manner that he orchestrated.
Perhaps you can see what a minefield processing information from tinterweb is (for a newbie in this area). Hence why I am triple checking everything before diving in. :redface:
Quote:
Originally Posted by
Doddy
The servo inputs, apart from the step/dir, are intended to be driven by the 12/24V supply to the servo driver, and through current sink inputs. The step/dir are intended for 5V differential, or single-ended supplies.
If you want to understand the difference - look at the resistors attached internal to the servo controller on page 11-13 of the manual - the step/dir are 270R (from memory), and the other inputs are 4.7k (4700R). Each opto-isolator device has an internal LED (the term opto-isolator is a bit confusing - they provide electrical isolation, by using an infra-red light between a LED and a photo-transistor across an air-gap, so the mechanism to drive this is to drive the LED 'on'). The LED will have, from memory, around 1.8V forward voltage drop. For the step/dir, 5v-1.8V = 3.2V. Through a 270R resistor, that's around 12mA (Ohm's Law: I=V/R). Typically drive current for a LED like this is around 10mA (max 20mA), the optical power is broadly proportional to the current - the choice of 270R is a standard value in the E3 etc range of resistor values - it's a "rule-of-thumb" resistor value). Now, the other inputs, with 4700R resistors - again, drop 1.8V across the LED, and if you're driving the stepper controller with 12V, then 12-1.8 = 10.2V, I = 10.2/4700 = 2mA, or at 24V then 24-1.8 = 22.2V, I = 22.2/4700 = 5mA. Actually, the currents a little low, but obviously it works - but hopefully you can see that if the 5V works on the Step/Dir at 12mA, that the other inputs with 4k7 resistors are perfectly safe at 24V because of the choice of resistors selected by the designer. being honest, I think the designer has been a little cautious.
Again, it's information provided by the manual that takes a bit of background knowledge/understanding to interpret properly.
But, yes, unduly worrying - the Step/Dir are designed for 5V signalling, the other controller inputs designated for current-sinking through a 4k7 resistor are designed for 12-24V signalling.
Fantastic information - thank you very much!!! Your time and effort is really, really appreciated.
2 Attachment(s)
Re: MSD043A1XXV Panasonic AC Servo Driver 400w - MB3 connection help
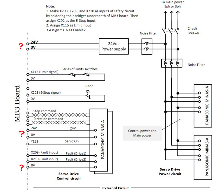
Hi, just managed to get back to this... :uncomfortableness:
Still having a problem with where the 24v Power should come from for the servos. My problem is that the the Y316 input will only sink 70mA. Could someone please explain what would be the safe way to do this without me damaging the servo and/or MB3.
thanks
Attachment 31050
Heres another diagram for the MB3 - so you can see what I mean... just unsure which 24v I should be using.
Attachment 31051
Re: MSD043A1XXV Panasonic AC Servo Driver 400w - MB3 connection help
Quote:
Originally Posted by
Nemo1966
Hi, just managed to get back to this... :uncomfortableness:
Still having a problem with where the 24v Power should come from for the servos. My problem is that the the Y316 input will only sink 70mA. Could someone please explain what would be the safe way to do this without me damaging the servo and/or MB3.
thanks
Attachment 31050
https://industrial.panasonic.com/con...s_manual_e.pdf is my "source of truth" here - please confirm yourself that it's applicable to your servo drive.
From that link, page 11, fig 6-1-1 shows the intent of the 24V supply - though in that link it's referred to as COM+ and COM-, and specified as 12-24V. This is the feed to the isolated inputs to the servo driver, and the purpose is entirely to manage that interface. For this, use the same 24V supply as you use on the MB3 for the servo COM+/COM- pins. If you look at the schematic in 6-1-1, you'll note the series resistor on the opto-isolator inputs - 4k7, a quick bit of Ohms law resolves that as you need a sink capacity of around 5mA per input, so with your schematic with the MB3, Y316 needs to be able to sink 5mA - it's rated at 70mA, and will be fine. (I'll not bore people with the maths here, by all means IM me if you need that explaining, Nemo.... oh, looking up, I think I did in the earlier post).
Re: MSD043A1XXV Panasonic AC Servo Driver 400w - MB3 connection help
Quote:
Originally Posted by
Doddy
https://industrial.panasonic.com/con...s_manual_e.pdf is my "source of truth" here - please confirm yourself that it's applicable to your servo drive.
From that link, page 11, fig 6-1-1 shows the intent of the 24V supply - though in that link it's referred to as COM+ and COM-, and specified as 12-24V. This is the feed to the isolated inputs to the servo driver, and the purpose is entirely to manage that interface.
For this, use the same 24V supply as you use on the MB3 for the servo COM+/COM- pins. If you look at the schematic in 6-1-1, you'll note the series resistor on the opto-isolator inputs - 4k7, a quick bit of Ohms law resolves that as you need a sink capacity of around 5mA per input, so with your schematic with the MB3, Y316 needs to be able to sink 5mA - it's rated at 70mA, and will be fine. (I'll not bore people with the maths here, by all means IM me if you need that explaining, Nemo.... oh, looking up, I think I did in the earlier post).
Aye you did, and got it wired, but I cannot get the servo to move, I have wired it to the correct pins etc in Mach4/ESS.
I have been through several wiring scenarios in the book but to no avail, when I connect Servo ON it does lock the spindle of the servo.
Looking though I think the Pulse Input Mode should be "3" - it's set at "0" could someone confirm please? Page 37 https://www.airgunownersclub.co.uk/d...s_manual_e.pdf
Can anyone work out what connections are actually needed for the MB3 - do I need all the connections from page 11 and also the ones at top of page 13?
thanks - any help appreciated. :05.18-flustered: