Looking good Paul :)
I'll have to find the time to pop in
Bill
Printable View
Looking good Paul :)
I'll have to find the time to pop in
Bill
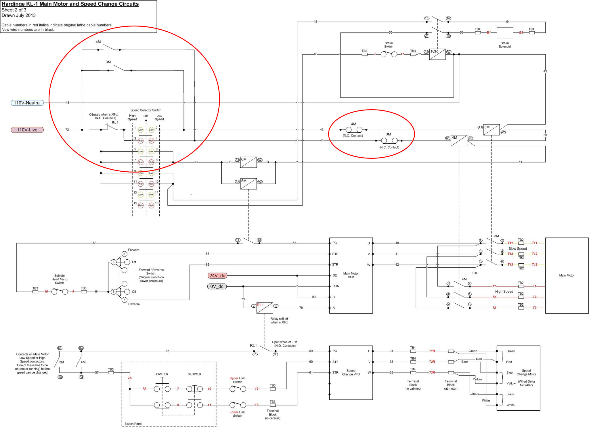
This arrangement would work better for me.
Attachment 10441
With RL1 closed the Speed Selector Switch is moved to 'Low'
3M coil is energised and the NC contact in series with 4M coil opens. (preventing 4M being energised at any point - 'cross interlock')
3M contact across Speed Selector Switch closes to retain 3M should the switch be moved.
RL1 opens thus isolating the Speed Selector Switch from the 3M / 4M circuits.
If the Speed Selector Switch is moved then nothing will happen until RL1 closes again i.e. VFD at zero speed.
Same applies if you select High speed. The cross interlocks in series with 3M and 4M coils is standard practice and is in addition to mechanical interlocks that I think you mentioned.
Hi Eddycurrent,
Yes - that looks like a good solution to the problem.
I've run into the situation where I have accidentally changed speed before the speed has dropped, so 'll definitely look at re-wiring. Shouldn't be too hard.
Thank you.
Bill, thanks - pop round when you can !
Cheers all.