Attachment 16483Attachment 16484
Base for legs: 2mm profile (2.5 before planing) 5mm plate plus m8 nut, so total of 15mm thread depth for vibro-damping stands.
Printable View
Attachment 16483Attachment 16484
Base for legs: 2mm profile (2.5 before planing) 5mm plate plus m8 nut, so total of 15mm thread depth for vibro-damping stands.
Attachment 16485Attachment 16486Attachment 16487
Frame almost done.
Y motor bracket need to be welded in place
Detecting plate for Home and Limit - this will have slots, so can be adjusted accordingly - should be done before was welded - now need to buy angle drill. I should finish design to last bolt first before starting fabrication - always do the same mistake - just not patient enough.
Had to shortened the RM1605 ballscrew by 14mm.
Attachment 16489Attachment 16490Attachment 16491Attachment 16492
My tip for turning exact diameter is to leave 0.1mm and use sand paper on the end to get nice fit to bearings.
Looking good Tom keep it up can't wait to see it Rattle n Roll. .:onthego:
Planing base for ballscrew - base is 60x5 mild still (as we know is far from flat, unlike cold rolled - bright steel)
As always got some distortion after welding.
Attachment 16541Attachment 16542Attachment 16543Attachment 16544Attachment 16545Attachment 16546
Updated design - new colour, few minor changes in Z plate
Attachment 16595Attachment 16596Attachment 16597Attachment 16598Attachment 16599Attachment 16600Attachment 16601Attachment 16602
Welding the gantry - was waiting for another precision angle from Amazon - Happy with the result 0.5 mm off i checked against one side - spot on from other side. When all will be welded together (base for rails, ribs, etc) than will machine the base to have straight angle. I will leave the rails on the block, as this will be reference surface to the angle plate when fix to the mill - confusing now, but will show the picture soon.
Meantime - how I achieved accuracy before welding - spot how I use the straight angles (Gantry legs, than against table and Base for X axle) All surfaces has been planed each time I weld something - this was my error, should weld everything first than machine to avoid distortion.
Attachment 16603Attachment 16604Attachment 16605
Tom I spotted 2x Fixed Prox switches on the Gantry. Do it other way around and use just one traveling switch with Fixed Targets, less switches less wiring same result.
Looking Good. . . :thumsup:
Jazz, other side is reserved for cable carrier, so switch(es) has to be near the motor. Did you noticed that bed frame has slightly more room opposite the motor (just enough for radius/bend of my cable carrier
Attachment 16619
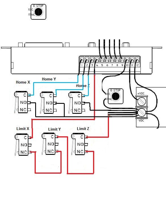
I always was using two sensors - Limit and Home with Mach3 - connected similar to that:
Attachment 16620
can you explain how to use one switch (NC)? Wiring diagram would be ideal:)
I know how to daisychained together - but this is limit side, how to wire them to use Home?
Each black signal wire to input X,Y and Z?
Ok well maybe we are at odd's here.? It looked like 2 switches for Limits and I was meaning just have one switch that traveled.
But call it option #1 if your wanting to Share one Switch for Limits and Home then you can do that but with NC switches each Axis will need a Input. So 3x switches and 3 x Inputs.
Option #2 You can use NO switches then you can have all Limits and Homes on 1 input and wire them in parallel. So 3 x switches and 1x input.
What you lose with the later is the Safety of NC switch but you have more inputs to play with if limited.
Other option #3 uses 2 inputs and 2 types of switch. NC wired in series for limits on one input. NO wired in parallel for Homes on other input.
This gives Safest option because Limits can be set to be monitored while Homing.
#1 Shared Home and Limit on 1 Input with NC Switch is easy. Just wire each Axis switch to a Input. Then in Mach3 ports&pins Inputs set the limits and home input for that Axis to same Pin number. Set Both to go Active Low. Then go into General config and Turnoff(uncheck) HomeSW safety and thats it.
Now when Mach homes it ignores Limits.
#2 Setup for NO is just the same but All Axis share same pin number for Limits and Home. Then set to go Active High. Rest is just the same.
#3 Should be obvious really.!! Limits in Input 1 set active Low. Homes in Input 2 set Active High. Then turn ON Home SW Safety.
Can do a diagram if you let me know which you prefer.
Ok. Jazz
I know what you mean by using one sensor:
Attachment 16622
So far I use 2 sensors, one is limit +, other is Home and limit- all in one, connected like that:
Attachment 16621
I think this is your option#3 " uses 2 inputs and 2 types of switch. NC wired in series for limits on one input. NO wired in parallel for Homes on other input"
I was wonder how you get away with having only one sensor, must use soft limits in Mach for safety. I've seen 3 sensors solution: limit+ limit- and home in one axis, but I think is not needed.
Correct me pls. if we I am wrong.