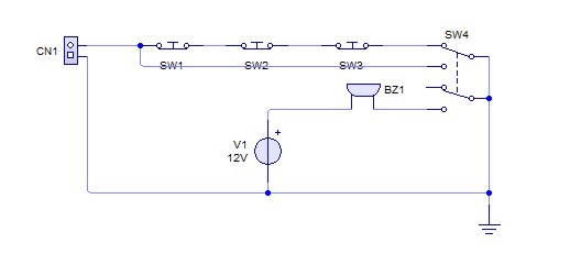
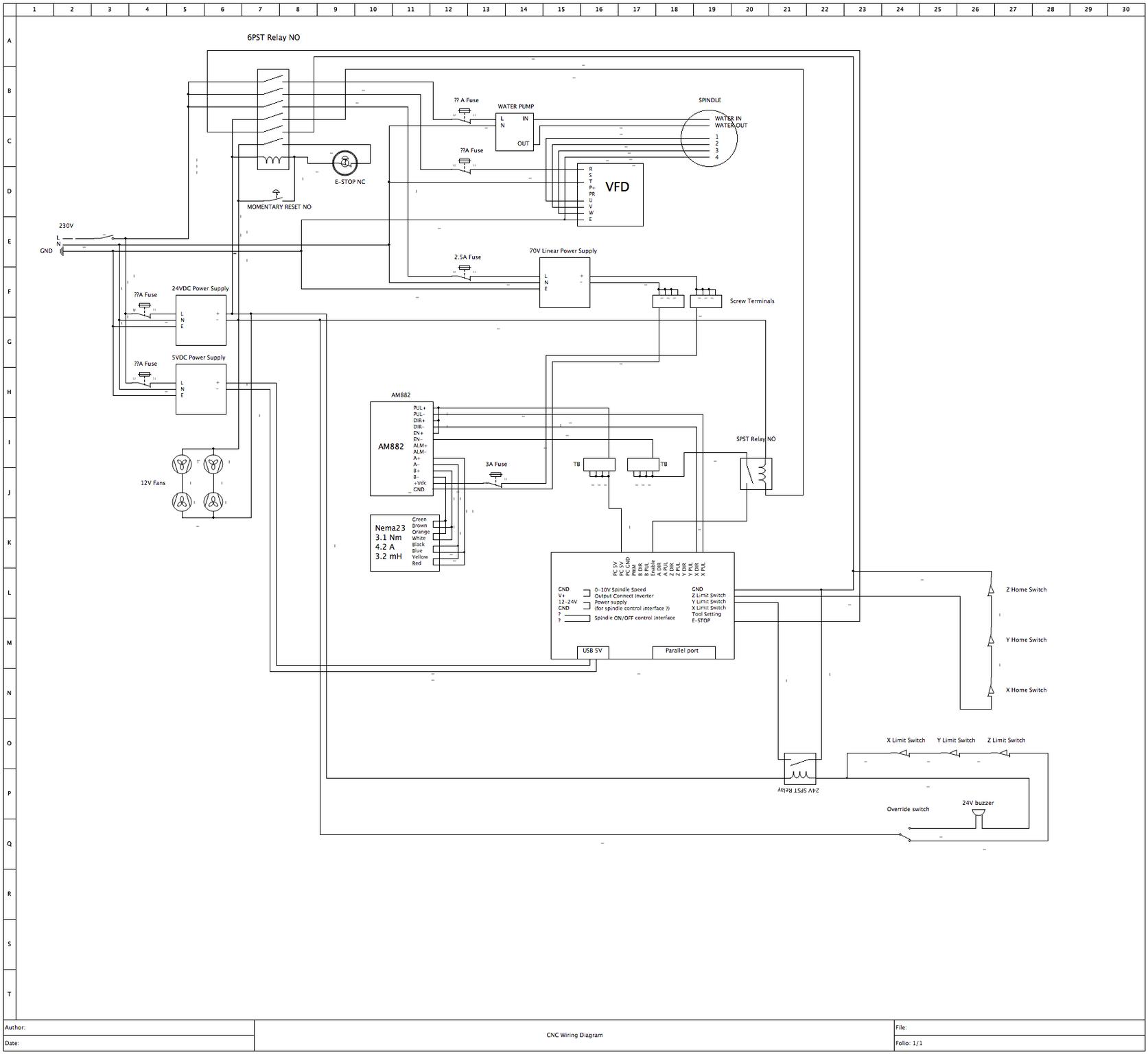
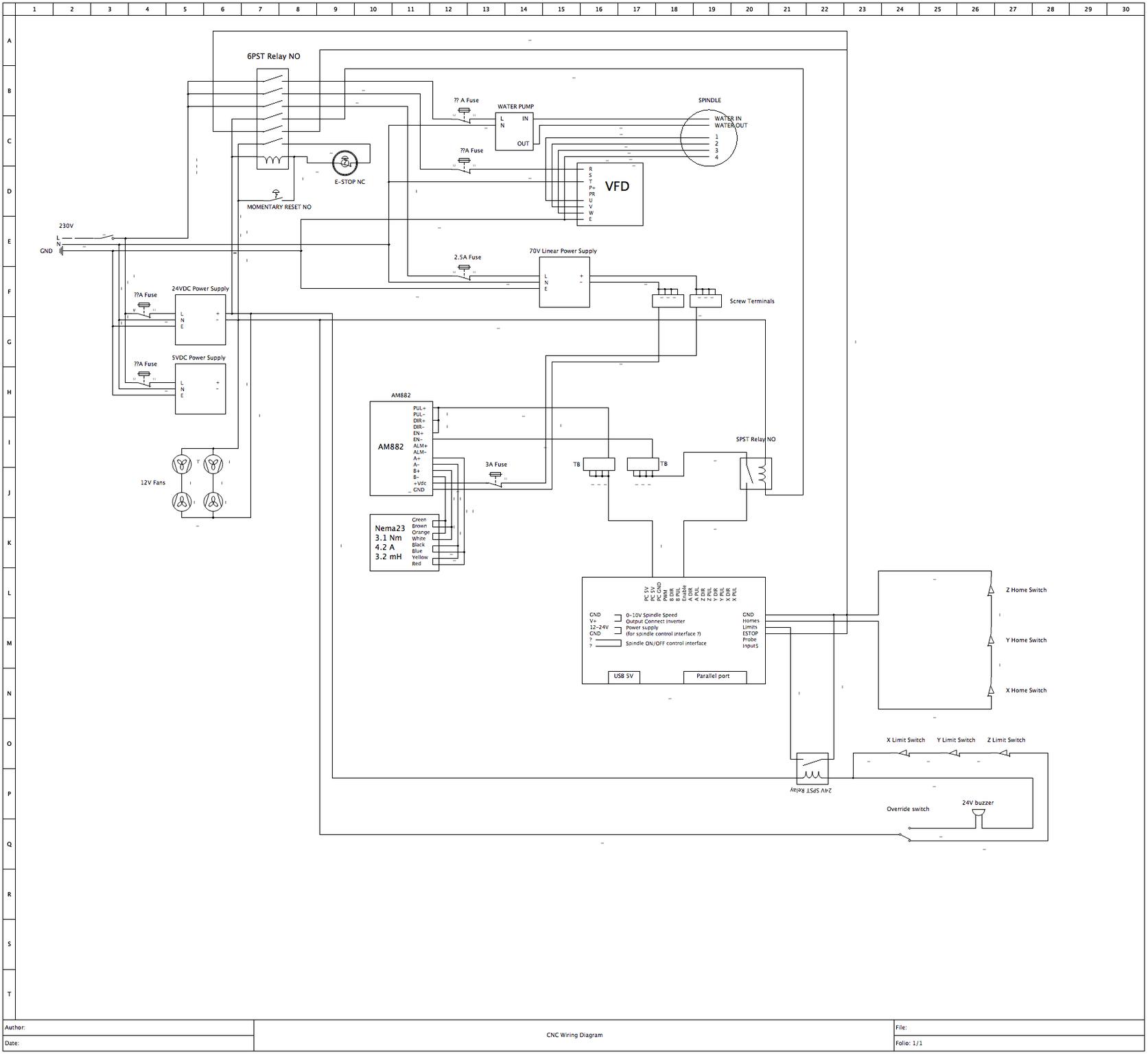
The CN1 is the BOB's (CN == "Common 1" or "Input 1" ? + ground). 
- You move your gantry or whatever triggered, or home your machine to be safe and reset Mach3. This releases the triggered switch. 
I might be wrong on #4 and #5. I don't understand why you have a 12V buzzer. Doesn't the BOB send 5V through the limits circuit ? Therefore, having a 5V buzzer would be enough ? It seems to me like your diagram causes the BOB to take 12V in when you press the override switch. I'm not sure the BOB can take that much on the input pins (thought I know it can on the spindle control interface).
Now if you look at my diagram, it acts similarly to yours, I think :/ ? When a limit is triggers, it opens the circuit and you have to put the override switch in position 2, which closes the buzzer circuit. The buzzer is now powered with the BOB 5V (unless I'm wrong about the BOB sending 5V through those pins).