-
Re: Electronics for New Machine + Chinese Spindle + VFD
Quote:
Originally Posted by
JAZZCNC
They will sense Aluminium but you have to get very very close and they are erratic so NO is the answer. Sense to a bolt head or Metal plate etc.
If you run your target bolt head axially on to the sensor, one day you will jog onto it and crush the coil in the head. Put your sensor at right angles to the motion of the axis, so the bolt passes by the sensor. My MD machine was designed with axially mounted sensors. Jeesh !
Rob
-
Re: Electronics for New Machine + Chinese Spindle + VFD
Quote:
Originally Posted by
cropwell
If you run your target bolt head axially on to the sensor, one day you will jog onto it and crush the coil in the head.
Rob common sense to me and can't believe MD or anyone would position any switch not to mention Prox switches so they could be crashed into.!
Another reason is the sensing repeatabilty is actually better when sliding over rather than approaching head on. Most Quality Prox switches data sheets will give specs on both types of approach.
-
Re: Electronics for New Machine + Chinese Spindle + VFD
Common sense because you've researched and tested the answer! I would have thought (probably like a lot of people) that end-on would give better results although I am now quite convinced as a result of your testing demo a while back. I did worry about over-run though, and it's good to know that there's a simple answer.
-
Re: Electronics for New Machine + Chinese Spindle + VFD
OK Great. Thanks Jazz.
So hopefully that's the plan sorted now. Reckon I might get stuck along the way, but i will give it a go.
So am i right in saying I need NC ones. So that when it detects something it opens and breaks the circuit ?
I will have to ensure that the aluminium frame of the router won't cause false triggers then on the prox switches.
Does NPN or PNP matter for my purposes ?
Do these look like they will do the job?
http://www.ebay.co.uk/itm/1-5Pcs-Ind...U0u32s_xiK0nkw
Thanks again for all your help. Couldn't of done without it.
Cheers
Martin
-
Re: Electronics for New Machine + Chinese Spindle + VFD
Quote:
Originally Posted by
mturneruk
OK Great. Thanks Jazz.
So am i right in saying I need NC ones. So that when it detects something it opens and breaks the circuit ?
Does NPN or PNP matter for my purposes ?
Do these look like they will do the job?
http://www.ebay.co.uk/itm/1-5Pcs-Ind...U0u32s_xiK0nkw
Thanks again for all your help. Couldn't of done without it.
Cheers
Martin
It depends on the BOB you are using. the one's you have linked to are about £4 each I have linked to some for £1.41 http://www.ebay.co.uk/itm/1417817891...c=1&rmvSB=true
these are NO so would need to be wired in parallel if you only want to use one input on the BOB for the three switches.
.
If your BOB has hardwired pullups to 5 V you would need NPN type. otherwise either will do.
-
Re: Electronics for New Machine + Chinese Spindle + VFD
NPN or PNP depends on your control. Nearly all have either +5 or +24V inputs,
for those you need NPN. I have never seen any control unit who works with ground signals. But it must exist, because so many PNP switches are offered.
-
1 Attachment(s)
Re: Electronics for New Machine + Chinese Spindle + VFD
Sorry to be dumb guys but im getting lost within the techno on your answers to my question, I am no electronics engineer!
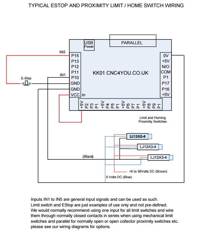
I found this wiring diagram for my KK01 specifically for prox sensors..
Attachment 16657
There are also some words underneath which say..
"We would normally recommend using one input for all limit switches and wirethem through normally closed contacts in series when using mechanical limitswitches and parallel for normally open or open collector proximity switches etc. "
Can I just copy this wiring diagram for the sensors and put my 24v in where it says 6-36v?
Any problems with this ? They suggest these prox switches : LJ12A3-4
Cheers
Martin
-
Re: Electronics for New Machine + Chinese Spindle + VFD
Martin The ones I linked to will be fine and yes the drawing is OK If you are going to just use one input.
But do the Estop circuit as you have been advised by Jazz earlier
-
Re: Electronics for New Machine + Chinese Spindle + VFD
-
Re: Electronics for New Machine + Chinese Spindle + VFD
Quote:
Originally Posted by
mturneruk
I found this wiring diagram for my KK01 specifically for
prox sensors..
Attachment 16657
Can I just copy this wiring diagram for the sensors and put my 24v in where it says 6-36v?
Any problems with this ?
Like Clive says yes you can wire just like that.
Also you use the E-stop portion the same but instead of running thru the E-stop button like they show run it thru the Relay Contacts of the E-stop system I did for you. Then power the Relay coils like I show using the E-stop button.
Quote:
Originally Posted by
mturneruk
They suggest these prox switches : LJ12A3-4
That's because they want you to buy there switches. Prox switch is a prox switch doesn't matter who you buy it from or what make provided you use the right type to suit your needs.
Cheers
Martin
-
1 Attachment(s)
Re: Electronics for New Machine + Chinese Spindle + VFD
Hey guys...
Lots of progress here. Really pleased with how the machine has turned out so far.
Super strong and bloody heavy. Not a bit of wobble in the Z. It only took 2 days to assemble all the parts in the end.
Attachment 16673
Lots still to do.
Jazz - Got a couple more electronic questions if you would be so kind.
1. Can you confirm that a 1n4007 1000V diode is ok for the fly back diode on my 24v relay and that the line on the end of diode goes towards the PSU and not the other way around ?
2. I've got my transformers. The 24V one I've received is only 1A. I thought it was more than that, but no.
Basically it's driving the relay (which has a coil current of 69mA) and 3 prox switches. The only data I can find on these switches is that they have an "output current" of 300ma.
So does that mean 300 x 3 + 69 = 969ma, e.g. Just less than 1A so ok ?
3. The relay I've got did not have a base. Would it be ok to mount the relay upside down and use spade connector crimps ?
4. Is it worth it to run earth fly leads from panel to panel in my multi-panel case. It is painted so there is no conductivity between some of the panels.
Thanks Guys.
Martin
-
Re: Electronics for New Machine + Chinese Spindle + VFD
2. No, that only mean, you can switch a maximum of 300ma with the switch, but if you will drive the relay then the switch needs a little bit maybe 2mA, more then the 69mA. If you go to the bob, then it will need 10mA or less.
3. Not good, a relay socket don't cost a fortune. You can make it upside down, but, if the relay have an indicator, you can't see him. And if you glue it to your assembly plate, it can fall down if the glue isn't correct for the material. then you can get a shortcircuit.
-
Re: Electronics for New Machine + Chinese Spindle + VFD
Quote:
- Got a couple more electronic questions if you would be so kind.
1. Can you confirm that a 1n4007 1000V diode is ok for the fly back diode on my 24v relay and that the line on the end of diode goes towards the PSU and not the other way around ?
2. I've got my transformers. The 24V one I've received is only 1A. I thought it was more than that, but no.
Basically it's driving the relay (which has a coil current of 69mA) and 3 prox switches. The only data I can find on these switches is that they have an "output current" of 300ma.
So does that mean 300 x 3 + 69 = 969ma, e.g. Just less than 1A so ok ?
3. The relay I've got did not have a base. Would it be ok to mount the relay upside down and use spade connector crimps ?
4. Is it worth it to run earth fly leads from panel to panel in my multi-panel case. It is painted so there is no conductivity between some of the panels.
1. The diode is ok and the line goes to the +ve side.
2. The transformer is ok for what you are using it for. the switches will only pull a few mA each
3. I would buy a base from Ebay it will be easer to change if it goes faulty and it will also support the relay.
4. You need to make sure that they are earthed to each other you could scratch the paint off between the bolt and nut heads and use star washers.
-
Re: Electronics for New Machine + Chinese Spindle + VFD
Clive answered eveything but I'll just check on this.?
Quote:
Originally Posted by
mturneruk
4. Is it worth it to run earth fly leads from panel to panel in my multi-panel case. It is painted so there is no conductivity between some of the panels
If you are running wires to Star Earth point then the cases being connected shouldn't matter because your not using them for Earth. You should however tie them to the Star Earth for safety in case of short circuit.
-
Re: Electronics for New Machine + Chinese Spindle + VFD
Quote:
Originally Posted by
JAZZCNC
can't believe MD or anyone would position any switch not to mention Prox switches so they could be crashed into.!
I can, when I consider the design of the rest of the machine !!!!
-
Re: Electronics for New Machine + Chinese Spindle + VFD
Or you could buy these proximity switches http://www.worldofcnc.com/collection...ty-home-switch :cower::toot:
-
Re: Electronics for New Machine + Chinese Spindle + VFD
Quote:
Originally Posted by
JAZZCNC
Clive answered eveything but I'll just check on this.?
If you are running wires to Star Earth point then the cases being connected shouldn't matter because your not using them for Earth. You should however tie them to the Star Earth for safety in case of short circuit.
The whole point about Star earthing is that it avoids earth loops. If you have shielded wires in a earth loop, you can get a current flowing in the shield due to different magnetic fields at places in the loop. This will act as half a transformer, with the signal wire being the other half. This could generate spurious signals and affect the machine in unpredictable ways. In audio applications, with high impedance inputs to pre-amplifiers, this is immediately obvious as hum.
It does no harm to earth cases, in fact from a safety point of view, it is essential. I would also protect the mains input to the box(es) with an RCD. 30ma up your arm for 10 milliseconds is a lot more pleasant than it going up in smoke !!
From the safety aspect - if your Estop is a NC switch then any break in the circuit signals as an Estop condition. A NO system, if it fails will not show a fault and not work when you need it.
-
Re: Electronics for New Machine + Chinese Spindle + VFD
Quote:
Originally Posted by
cropwell
Good profit margin then:shame:
-
1 Attachment(s)
Re: Electronics for New Machine + Chinese Spindle + VFD
Thanks Clive.
14pin 10A 24v relay sockets seem to be rarer than hens teeth.
I am thinking I am going to 3d print a bracket to firmly hold it upside down and solder / heat shrink my connections, purely because I can do it now without buying anything or waiting.
There are no LED's on it, so that's not a problem.
Attachment 16674
This is a picture of the relay I've got.
I realise that I need to use 9,10,11,12 pins for one side of my switch connections.
Do I use 1,2,3,4 or 5,6,7,8 for the other side? Anyway to tell ?
EDIT : Just noticed that you can look at the side of the relay and see which pins are doing what.
Thinking out loud - When the coil is not powered I want the switches to open and break the circuits.
Suppose I could test when i've got my 24v psu up and running.
Cheers
Martin
-
Re: Electronics for New Machine + Chinese Spindle + VFD
Quote:
Originally Posted by
mturneruk
14pin 10A 24v relay sockets seem to be rarer than hens teeth.
Look at AC3592 on page 138
http://asp-gb.secure-zone.net/v2/index.jsp?id=1816/2360/9875&lng=en&startPage=138
-
Re: Electronics for New Machine + Chinese Spindle + VFD
Duplicate. Please delete.
-
Re: Electronics for New Machine + Chinese Spindle + VFD
Quote:
Originally Posted by
cropwell
The whole point about Star earthing is that it avoids earth loops. If you have shielded wires in a earth loop, you can get a current flowing in the shield due to different magnetic fields at places in the loop. This will act as half a transformer, with the signal wire being the other half. This could generate spurious signals and affect the machine in unpredictable ways. In audio applications, with high impedance inputs to pre-amplifiers, this is immediately obvious as hum.
It does no harm to earth cases, in fact from a safety point of view, it is essential. I would also protect the mains input to the box(es) with an RCD. 30ma up your arm for 10 milliseconds is a lot more pleasant than it going up in smoke !!
From the safety aspect - if your Estop is a NC switch then any break in the circuit signals as an Estop condition. A NO system, if it fails will not show a fault and not work when you need it.
Rob I'm not getting the point of that post.? . . . . Do think I'm saying some thing different to what you are.!
-
Re: Electronics for New Machine + Chinese Spindle + VFD
Thanks Cropwell - That base only has a contact rating of 6A. This is a 10A relay.
They do exist, but i can't really be bothered to buy / wait. Is there any reason why I can't solder the connections and heatshrink?
I trust solder over screw terminals.
-
Re: Electronics for New Machine + Chinese Spindle + VFD
Quote:
Originally Posted by
mturneruk
I realise that I need to use 9,10,11,12 pins for one side of my switch connections.
Do I use 1,2,3,4 or 5,6,7,8 for the other side? Anyway to tell ?
Very easy to tell the picture shows you all you need to know. Just realise the picture is showing you contacts without the Coil energised. They just Flip when powered up.
Take the First Contact 9 = Common 1 = NC 5 = NO
-
Re: Electronics for New Machine + Chinese Spindle + VFD
How's it coming on Martin? Any updates?
-
Re: Electronics for New Machine + Chinese Spindle + VFD
some real good information in this thread, one for the bookmarks I think.
As Im sure many others have, Ive often thought about messaging Lee to get him to set up one page. Off this page, have diffinitive links to all the threads for each subject. For example this would be a great candidate for control box wiring. I can think of other threads where people have eloquently explained other subjects.
I too will be adopting the circuit design Dean has so well explained on my mill. Thanks for all your patience on this one Dean. Keep up the good work and updates mrturneruk.... more pictures required!!
-
1 Attachment(s)
Re: Electronics for New Machine + Chinese Spindle + VFD
Hey guys....
Ended up redesigning my room to fit in my new machine.
Then I decided that I needed a new floor and that the walls needed painting, so I've been doing that. Workshop is looking great now!
All the electronics parts are now in and the decoration is nearly complete.
So hopefully get back on it in the next week or so.
Here is a picture of the stand I am going to build, for my machine to sit on showing control box and dust extractor under the table.
The machine has to be on wheels as it blocks a hatch door into my loft. I will need to be able to move the machine out the way for access.
I have got a sloping ceiling, so I had to work out how high i could make the stand.
Would like it a bit higher really, but this should be just about ok.
Will post lots of pics of my build as I get into it.
Attachment 16725
Cheers
Martin
-
Re: Electronics for New Machine + Chinese Spindle + VFD
Guys..
Just a thought. Would you say it's a definite no-no to run the shielded VFD to spindle cable in the same drag chain as the rest of the shielded cables to steppers / sensors ?
It would be real ugly to have this cable floating around or to have two drag chains.
Thanks
Martin
-
Re: Electronics for New Machine + Chinese Spindle + VFD
In an ideal world you run power down one side and signals down the other. There are lots on this forum happily running everything together. If your power cables and signal cables are all shielded then it should be fine.
-
Re: Electronics for New Machine + Chinese Spindle + VFD
Yes it's fine and if it's water cooled Spindle just try to put the water pipes between signal and power cables. Provided you have correct grounds then you shoudln't have any troubles.
Edit: Doh didn't see neils post.! . . Same What he said. . .Lol
-
Re: Electronics for New Machine + Chinese Spindle + VFD
Just a small comment on the solder vs crimping or screwing.
In high vibration environments such as in aircraft, drilling tools and military vehicles, it has been found that solder joints are more likely to fail. The solder wicks up into the cable and causes a hidden stress concentration and a slight heat affected zone in the copper. Also tin whiskers as discussed here: http://www.aviationtoday.com/av/comm...ers_76599.html
Depending on your application, my recommendation would be to see if you can crimp a ferrule boot on to the cables and use screw terminals. Also to note, some screw terminals are not meant to take a soldered cable in them.
-
Re: Electronics for New Machine + Chinese Spindle + VFD
http://www.aviationtoday.com/av/comm...ers_76599.html
A very interesting yet disturbing read, thanks for that
Regards
Mike
-
Re: Electronics for New Machine + Chinese Spindle + VFD
If you buy solder from China, it is generally 63/37 Sn/Pb, which avoids the whiskering problem. Commercially you can't use it, but as an amateur you are not bound by recent regulations to industry. If you are not soldering all day and everyday the risk is low.
Most spindle connector plugs have to have soldered joints and I would recommend that you use at leat a 50W iron with a large bit. Low wattage irons and small bits don't transfer heat quickly enough to stop the heat soak up the wire. The faster you can solder a joint (at the correct temperature) the better.
To echo and amplify the remarks of Komatias, you will need to cut down the joint flexing as it is more likely to fail at the solder due to embrittlement of the wire. If you can fit a flex limiting sheath (several layers of heat shrink will help) then you increase the radius of curvature at the flexing point.
Cheers,
Rob
https://www.gore.com/en_xx/products/cables/flat/highflex/flat_cable_hi_flex_apps_tech_background_document.h tml
-
Re: Electronics for New Machine + Chinese Spindle + VFD
This is what I love about this forum, so much information on so many different topics by the members :)
-
Re: Electronics for New Machine + Chinese Spindle + VFD
God forbid - If the worst should happen with my machine and for what ever reason the sensors didnt read the end stop position or user error, what do you think would give first. Steppers ? Can't see the frame breaking.
-
Re: Electronics for New Machine + Chinese Spindle + VFD
-
Re: Electronics for New Machine + Chinese Spindle + VFD
yeah I agree, your trousers would be needing some attention.
:eagerness:
-
Re: Electronics for New Machine + Chinese Spindle + VFD
Fingers.!!!. . .Then under wear.. .:hopelessness:
-
Re: Electronics for New Machine + Chinese Spindle + VFD
lol. Cheers Chaps. I assume you have never done it then...
-
Re: Electronics for New Machine + Chinese Spindle + VFD
I've jogged the Z axis into the frame sides slowly and caused the drives to fault but never (yet...) full on crashed it. Slapped the "OH SHITTTTTT" button a few times after forgetting to re-zero and the machine's taken off in an unexpected direction....