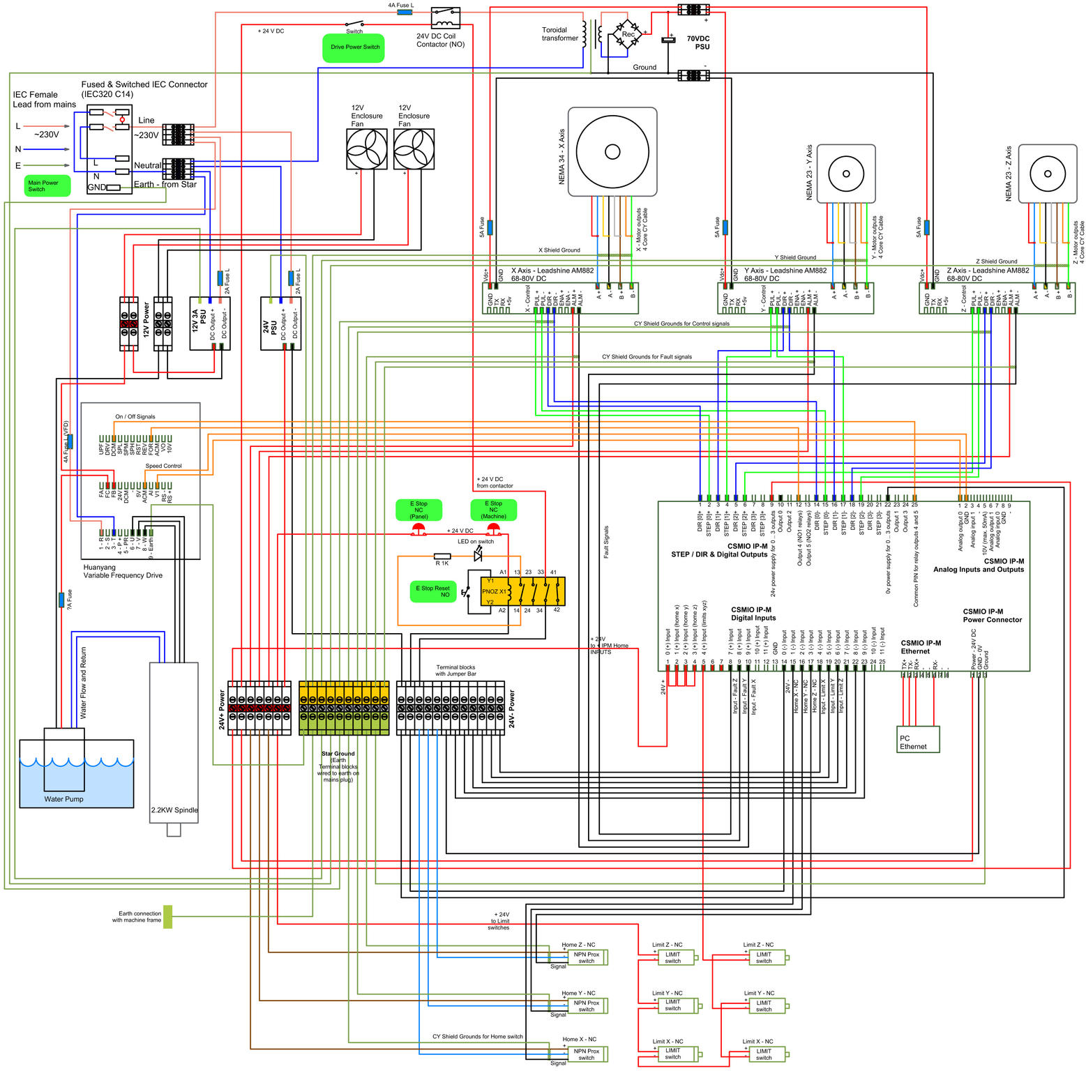
Got some random bits and pieces ordered - Pulleys, estop buttons, cy cable, copper tape, momentary switches, Ethernet panel connector, heat shrink, insulation tape... I'm going to bite the bullet and get the drives and controller ordered soon...
Sent from my iPhone using Tapatalk

