Take 2,
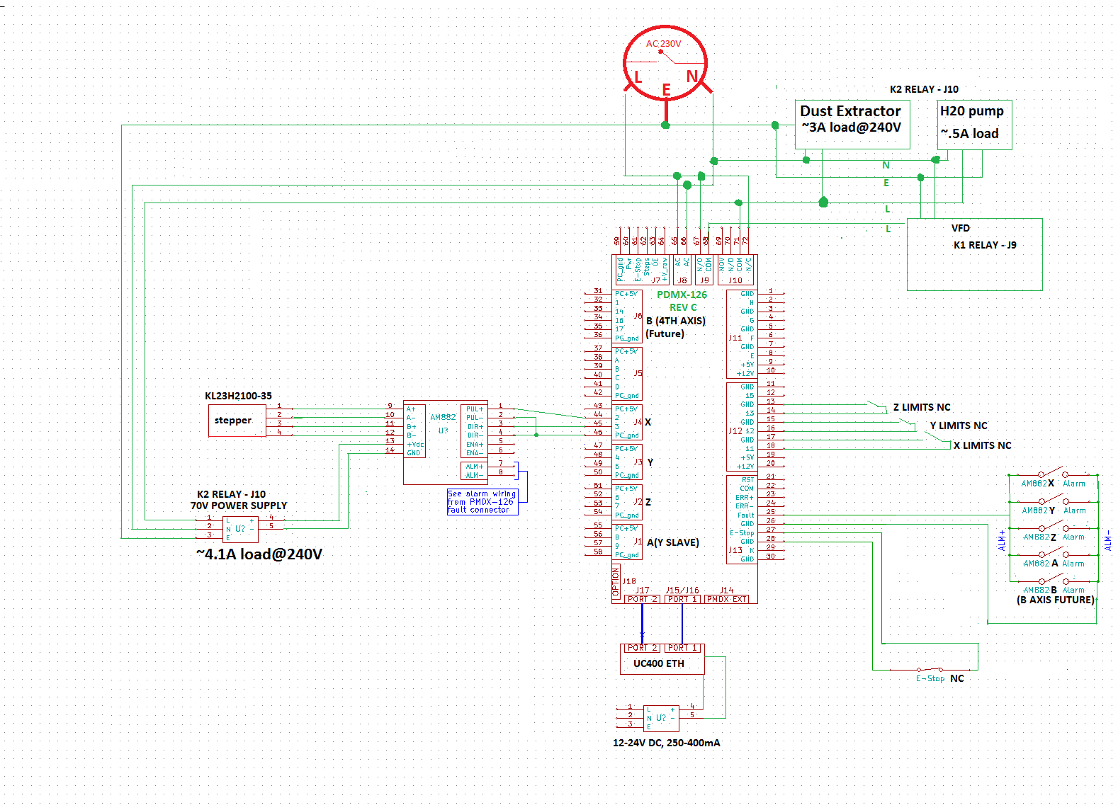
I'm still not happy about having to put all this stuff on the k2 relay, but I can't seem to figure out any other easy way.
Attachment 21419
Printable View
Take 2,
I'm still not happy about having to put all this stuff on the k2 relay, but I can't seem to figure out any other easy way.
Attachment 21419