the ones that came with the kit, individual for each motor
S-350-60 +60V 5.85A
Printable View
the ones that came with the kit, individual for each motor
S-350-60 +60V 5.85A
60V is a bit low for nema 34 but you will be limited with the drives you have.
What micro step rate do you have the drives set at. And what max velocity are you using in Mach (under motor tuning)
This might just be the cause that you are trying to turn the motor too fast
Dip switches set as OFF OFF ON ON OFF ON ON OFF , which sets the thing to 4.9A Peak, 3.5A RMS, Full Current from SW4 (i don,t really know how to set this), and 2000 pulse/rev. The next current setting is 5.7A peak.
Nema 34 motor 5.6A, 1200oz-in, and driver DQ860MA.
motor turning: acc at 50 velocity at 300 for the y axis (whole gantry), cause at a full stop, it does not shake the whole thing, and 400-500 velocity for the x, seems to not cause trouble.
I took apart the whole thing, and have it on my desk right now. I connected one stepper only directly to the driver and it works ok, but still it seems to lose a few steps here and there, at various speeds.
I.ll use it next with the long shielded cables and see how it works.
Will post some results, photos, videos soon.
This might be to high try sw 5,6,7,8 set to off/on/on/on = 800 p/rev set sw 4 to off = half current when idleQuote:
Dip switches set as OFF OFF ON ON OFF ON ON OFF , which sets the thing to 4.9A Peak, 3.5A RMS, Full Current from SW4 (i don,t really know how to set this), and 2000 pulse/rev. The next current setting is 5.7A peak.
setting the above will alter the distance travelled but that can be sorted later when you get the motors working
Ok. I tried it like this.
From left to right in the photos and video, drivers set at 800/1600/2000 with motor turning acc 50 and velocity 400.
There is a difference, as the 800 one runs smooth without vibration when touched. The noise difference exists even between steppers with exact same settings so not sure if it matters.
https://www.youtube.com/watch?v=dsHN_Botomk
Also, changing the pigtail connection with a terminal one, seemed to improve a lot, but still sometimes it does like in this video https://www.youtube.com/watch?v=4nHuNHK4fLA
What still does not seem ok, is that when I run DriverTest in Mach3 folder, I get the first time ..Pulsing to fast and then pulsing to slow.. messages and then runing it again, I get System Excellent (apx 25000 pulses per second, 25 khz), straight line.
Everything is taken apart like in the photos, so design wise, I got the fact that the vfd has to be somewhere outside the control box, or in it.s own box, but what about the pc? Any issues with the motherboard being close to the Bob?
As I shielded the boxes with sheet metal, it seemed to get warm inside, which did not before ,with just the wood ones. So, the new box will be a cleaner version of what I did, and I have two 12v fans. How would to mount this, in order to avoid dust collection, as much as possible and overheating? Blow in or our, from above, from beneath? I.m asking about the control box.
How do you suggest , I should test the steppers to make sure all iss good, and proceed with building the metal box?
Attachment 24608
Attachment 24609
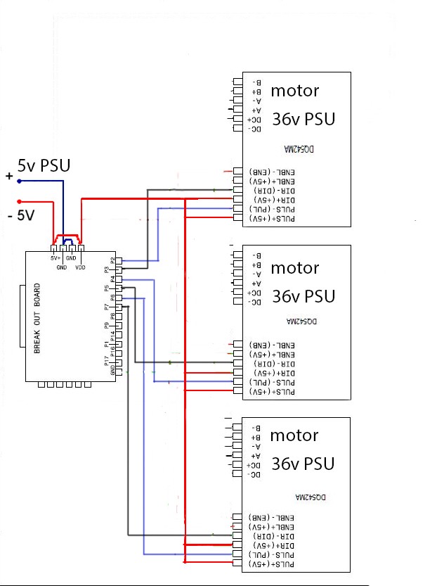
Also I found this wiring diagram online, and it.s quite different from what I.ve done.
I go to BoB from Pull- and Dir-and this one goes from +.
Enbl+ is daisy chained and wired to the Vdd, while mine is bridged to Pull+ and Dir+.
Do this small differences matter in any way?
Attachment 24610
going by your photo in post 35
without circuit details of your breakout board
I expect the opto isolated BOB NPN outputs will be connected
so they can output sinks more current to GND
than it can source current from the +5V supply via a pullup resistor
If I am correct
I would connect the BOB to the stepper drivers like this :-
Attachment 24611
the + step & +direction going to the +5V supply and
- step & - direction being connected to the BOB outputs
John
This is the one. Db25 1205. https://www.ebay.com/itm/CNC-6-Axis-...sid=m570.l1313
I don.t know any more details that it says in the lower side of this webpage.
The multimeter reads 5v at the VDD terminal, without bridging it.
I did it like in the photo you.ve sent, but bridged ENBL+ as well.
Thanks for your reply. :)
going by the photo linked to in post 38
it looks like the BOB is as I expected with pull up resistors on the outputs
Attachment 24612
unless you connect the - enable to a BOB output
having the + enable connected to +5V will have no effect
what could be a problem is having the BOB's output optoisolator being connected to another optoisolator inside the stepper driver
having the step signal passing through two optoisolators could distort the pulses too much at high step rates
John
PS
in the photo of the BOB you can see two links that connect the +5V in to Vdd and connects the two GND's together so you don't need the external wire link as in post 37
PPS
a while ago I produced this circuit diagram from photos taken from the net
Attachment 24613
what I need to confirm is the connection of the 10K resistor connected to the 74HC14 input
it was not clear from the photos if the resistor was a pull up to +5v or pull down to GND
Hi John,
ˇˇwhat could be a problem is having the BOB's output optoisolator being connected to another optoisolator inside the stepper driver/having the step signal passing through two optoisolators could distort the pulses too much at high step ratesˇˇ - does this mean I should remove the bridge from enbl+?
ˇˇwhat I need to confirm is the connection of the 10K resistor connected to the 74HC14 input/it was not clear from the photos if the resistor was a pull up to +5v or pull down to GNDˇˇ - how exactly can I help in confirming this?
P.S. although I have some general knowledge about diodes, capacitors and resistors, I.m struggling to wrap my head around schematics, so I.m sorry if my replies are quite banal. I very much welcome reading material to avoid pushing the limits of anyone.s patience. :)