1 Attachment(s)
Re: Tonsen 4 Axis Controller/Bob
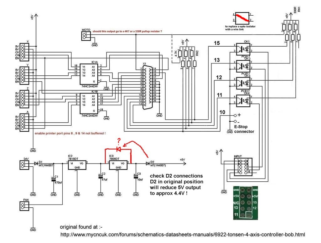
on some boards the opto-isolators and input connector are not fitted
a photo showing what components are fitted to your breakout board
will make it possible to give you details of how to connect home & limit switches
depending on what you have
you need to connect the switches between the BOB ground and either the connections to the printer port pins 11, 12,13 & 15
or the opto-isolator LED cathode
a while ago I found a circuit diagram of the Tonsen-4-Axis BOB
as it does not look like it's 100% correct I have added a few notes on this
Attachment 24553
John