The only aspect I was drawing your attention to was the piece of 4" flexible ducting around the spindle collet area
Printable View
I'd glossed over that but you are right - that is a good feature and would improve dust collection still further. I don't think I could fit 4" hose, but something smaller in diameter and just tall enough to make a seal with the spindle during cutting should work. I'll look into it . . .
Some progress. Putting my hand under the extractor shoe feel likes a reasonable draft so I think it will do the job.
I won't be cutting anything for a bit as I've decommisioned the control box to make the new upgraded version. Here is the old control box - low voltage basic all-in-one system which has run well for over 5 years now, but time for an upgrade:
Attachment 14808
It was pretty clean inside as you can see so the filter on the left was doing its job well.
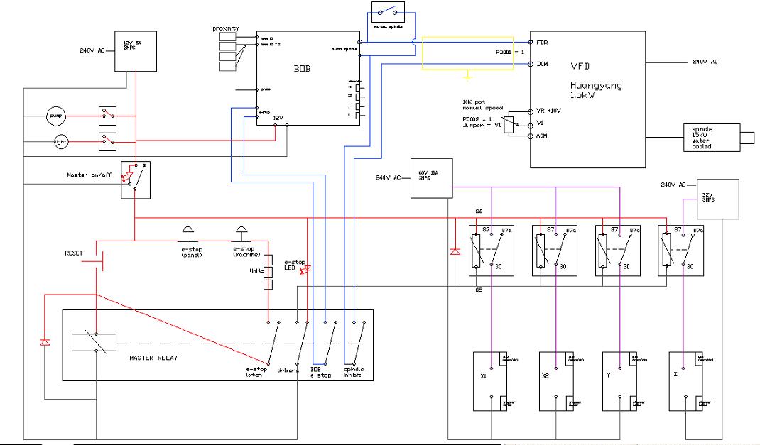
Here is the revised electrical layout - the one I posted a while back would not have worked as the relays were linked in series! There are some other 'improvements' as well:
Attachment 14809
Here is the progress on the new control box:
Attachment 14807
As you can see I was inspired by Eddy's control box to make a better job of it this time round.
Top row left to right:
Invertor/VFD 1.5kW
12V PSU (ancillaries, BOB, safety relay and limits)
60V 10A PSU for X1, X2, Y2 drivers
32V PSU for Z driver (out of old machine)
Next row:
permanent 12V terminal block
permanent 0V terminal block
relay switched 12V terminal block (the photo is now out of date as I had intended to use this as a 5V terminal block)
Master relay with 4 outputs - latching function, driver relay control, BOB e-stop trip, Spindle run inhibit
4off 30A automotive relays (5pin) to control the drivers
star earth point terminal block
Final row:
Breakout Board - Fairly cheap board (~£10 ebay) but with space for something much bigger/better should the need arise(!)
3off DQ860MA 80V drivers for X1, X2, Y1
1off MD542 48V driver for Z
Tool collection so far - That bootlace ferrule tool (orange) makes a really nice job of the cable terminations, thank you to those who recommended that route:
Attachment 14812
I've posted the front control panel in another post but will repeat it here for completeness:
Attachment 14810
I've ordered the Pokeys board which will fix to the back of this control panel, keeping all the wiring local on the front panel and just leaving the USB to run to the main board. This will control the feed start/pause/stop/rewind, feedrate override, and feedrate reset in Mach3 using the Pokeys plugin. All other functions will be hardwired in simple circuits.
Now a question on the relays. Earlier in this post I asked about diodes across the coil - 1Nxxxx series was mentioned but when I looked this up recently there were so many to choose from! So I did a google search specifically on suitable diodes and found mention of an SR5100 5A 100V Shottky Diode so bought a set of 5 for about £2 as I was buying some other stuff anyway. Before I fit these to the relays are they suitable?
Attachment 14811
Can someone confirm that the grey bar on the part is the 'bar' in a diode symbol and that this faces the positive end of the relay - see layout diagram.
Just some random thoughts on buttons.
I was thinking adding the same buttons. Though i don't see a reason for spindle controls there. Its clearly seen on the mach3 screens/ok i have MSM Mill screen /, or at the VFD/if you have it on the wall like me/.
I see the need though of these buttons, most are same as yours, ordered by importance / to me at least/. Mist flood and vacuum are last, as these are controlled via the program and relays or/and manually turning valves.
Reset
Start
Hold
Stop
Find Zero Z /Touch plate/
REF ALL
Go to XY0
Go to Z0
Go to TC position
Go to Park position
Mist
Flood
Vacuum
silyavski,
I think in the end it comes down to how you use the machine and personal preference. I looked at lots of commercial panels to see what could be useful and ended up after many different options with the panel above.
The VFD will be inside the cabinet so I can't see the screen. I've not been able to find a long extension cable to detach the panel and put it on the door. Any links to one welcome!
Although there is control for VFD on/off, it is also under Mach3 control for on/off so it is just a manual override option.
I thought about Mach3 spindle speed control and in the end just went for the manual pot direct to the VFD. I tend to cut the same things at the same speed. It would be very easy to get Mach to also control the speed and then wire the pot to the Pokey system if I change my mind. Keeping it simple for now.
My buttons are laid out in order of running sequence left to right. Power on, then e-stop reset to energise the relays, then switch on lights and pumps if required, then start the spindle and set the speed, then run the cycle, with a feedrate override tuning dial right at the end.
I have a seperate MPG pendant so no need to add controls on the panel.
That's my version anyway . . .
Managed to get a bit more done tonight:
Attachment 14823
Attachment 14824
Wired up the safety relay and the 4 slaves, plus the panel e-stop, the e-stop reset button and e-stop red LED. Triple checked all the wiring, stood back, held my breath and switched it on at the wall. The PSUs came on and the BOB came on.
Then switched the 12V power switch and the e-stop went into standby and the red LED came on. Excellent. I then pressed the reset button and the safety relay clicked along with all 4 slaves (also the red e-stop LED went out). Everything worked perfectly!
Decided to leave on a high and carry on later this weekend if I get a slot. Oh and to answer my own question the diode bar goes to the positive side of the relay to provide flyback control.
I have been watching this post for a long time now, and everthing seems to be coming together beautifully. I don't think it will be too long now before chips are really flying. Great job. Well done. G.
Thanks for the encouragement Geoffrey!
Got the latching bit working on the master relay so it stays on when reset and trips out on estop button being pressed.
Got power to the first 2 drivers via the relays so starting to come together.
Very pleased that it is working as per my original electrical plan. One thing that bothers me is that if I power up the spindle manually and there is an estop then the inhibit relay will tell the VFD to stop. All good except when I reset the fault the spindle will come on straight away. something for me to watch if I use it manually
Most of the time the spindle on/off will be under mach3 control and I'm expecting the relay on the BOB to trip if there is an estop so no problem. Does anyone know if the Bob will trip the spindle relay if there is an estop?
Quick update.
Got the main panel on the wall and wired up all the stepper motors. I have changed over from series to parallel connections (on the X1,X2,&Y motors) to take advantage of the higher current available from the new drivers. I decided to solder and heat shrink the cables at the stepper motor end and dispense with the choc-block. One less terminal to come loose. Here it is before the final large heat shrink was placed over the cables:
Attachment 14950
At the other end I re-did the connnectors including new earth cables to the outer screen. It all looked rather neat and tidy. Panel on wall (box sides and front to follow):
Attachment 14951
(note stepper motors are un-plugged in photo)
Here is the loom I made up to join the BOB to the steppers:
Attachment 14952
I then spent (wasted!) many hours this weekend trying to get the breakout board to talk to the stepper drivers. I checked the output from the direction pins and got around 4V or 0V depending upon direction. I wondered if this was a bit low so unplugged the USB lead and found a 5V source in the PC and made up a cable to connect to the 5V and GND pins instead. Got 5V output this time on the direction pins, but still no stepper movement.
I checked and double checked all the wiring, tried common anode and common cathode connections but still nothing. Checked all the Mach3 settings and they were all correct. Tried various things but to no avail. Borrowed an oscilloscope tonight and connected to the BOB pins. Direction still gave 5V or 0V but no pulse-train out of the step pins.
This was the BOB I was using - it was about £8 from ebay:
Attachment 14948
In frustration I wired up the one which came free with the drivers:
Attachment 14949
5V and GND from the PC, then pins 2 & 3 for step and direction and got a pulse-train! Plugged the driver back in one axis and the stepper moved ! So this will have to do to get it moving again with the new steppers. From that quick test it sounds much better than my all-in-one board if that is anything to go by.
I need to make up some proper looms for the bits I lashed up to get the new board working, but that should be straightforward.
The new board is very simple with no relays, speed control etc. so once I'm running I'll be looking into better boards with more features. There are a couple on my list such as the PMDX126, but not rushing into things.
The saga continues!
On Sunday morning I managed to finish the last bit of basic wiring and set up all the motor tuning etc. Managed to achieve 2500mm/min - 3000mm/min jog speed before stalling, so settled on a safe 2000mm/min on X & Y to get it all going. Old machine ran at 1000mm/min so a great step forward.
I set out the machine to cut the 3mm aluminium front panel out to house all the controls. Fired up the spindle, hit cycle start and it started to cut the first circle. About 3 seconds into the cut there was a large bang and blue flash from the 60V 10A SMPS. This was the supply to the X, A and Y drivers (Z is only its own driver and supply).
After a bit of head scratch I realised that in my haste to get things going I'd left the 3off drivers on the factory default current setting of around 7.8A peak (5.6A RMS). As the power supply is rated at 10A I guess that was too much! Annoyingly the fuse inside the power supply was not blown, so I guess the whole thing is dead. I bought the PSU early last year, and I can't see another one of that spec on ebay, so that is that.
So, been doing a bit of research and will most likely build my own linear power supply for the X, A, and Y axes. Here is where I'm at with it:
Stepper motors - M60STH88-3008DF x 3off, 3.1Nm, 2.1A per phase (4.2 total), 5.46V
Drivers - DQ860MA 3off, 80V max
Toriod calculations
Nominal current draw = 3off x 2 phases x 2.1A per phase = 12.6A
Actual real draw = 0.7 x 12.6 = 9A
Required output to drivers = 68V (with margin for back EMF etc.)
Secondary voltage in coil = 68 / 1.4 = 48V AC
Toroid wired in series = 24 + 24
Power requirement = 48V x 9A = 432 Watts (432 VA)
Power with overhead in case of 4th axis = 750 Watts (750 VA)
Model selected: 750VA 230v to 2x24v CM0750224 from airlink at £48.00
Attachment 15027
Power regulator
For simplicity I'm looking at these power regulator boards at £29.00+£6.99 postage ebay. I know 60,000uF 100V is more than required but it was not much more than the 40,000uF 100V system.
Attachment 15028
Input fuse
I'm not completely sure on this but am looking at a 6A Type D MCB double throw fuse to switch the Live and Neutral into the toroid. Do I need to match the 9A real current draw or do I go lower? This 6A one is from Chalon at £7.18:
Attachment 15029
Output fuse
Is this required, and what would be the best type and rating to use?
Any thoughts on the above spec? thanks.