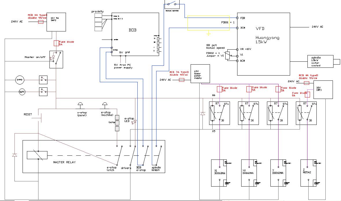
I've redrawn the circuit diagram with a few planned updates. What I'm stuck on is:
Question 1: Choosing values and types of fuse for the input mains side of the power supplies:
3 power supplies requiring input protection are:
1. Planned new linear supply for X, A, Y axes, @750VA, pulling up to 9A (4.1A parallel 3.1Nm steppers x 3off x 70%)
2. Existing SMPS for Z axis is 350W pulling about 1-2A (2A series 1.8Nm stepper x 1off x 70%)
3. Existing SMPS for ancillaries is 12V, 60W, 5A
What to choose for each of the 3 above power supply mains inputs:
> Use MCB din rail mounted double throw?
> What type (A,B,C,D) to choose to avoid trip on inrush?
> What current level to choose?
Question 2: Choosing fuse values for DC output side of supplies
1. Linear supply on X,A,Y could pull up to 4A per motor - choose 5A blade fuse to each stepper?
2. SMPS on Z could pull up to 2A - choose 3A blade fuse?
3. SMPS for ancillaries rated at 5A - just go with 5A blade fuse?
If it helps here is the updated schematic, with the required new fuses / MCBs shown in RED (ignore ratings and type, those are some ideas which I'd like confirming):
Attachment 15047
Question 3: Setting current rating on DQ860MA drivers
Stepper motors are rated at 2.1A per phase so 4.2A total. Current setting options are either PEAK or RMS. Which to choose on the driver dip settings? Is it 4.2A PEAK or 4.0A RMS?
Attachment 15048
Question 4: Do the toriod and power regulator calcs in the previous post seem OK?
Sorry for all the questions . . .

