Re: My turn for help with Pulse multiplier for test rig.
Quote:
Originally Posted by
EddyCurrent
Fit a hand crank to the rear stub shaft of the stepper motor.
That works on so many levels, a complete solution, I am truly in awe :beer:
Re: My turn for help with Pulse multiplier for test rig.
Quote:
Originally Posted by
Robin Hewitt
That works on so many levels, a complete solution, I am truly in awe :beer:
Almost, but not quite. It just needs a solenoid-operated lever to give the user a slap on the wrist when the limit switch is triggered.
Re: My turn for help with Pulse multiplier for test rig.
Quote:
Originally Posted by
Neale
Almost, but not quite. It just needs a solenoid-operated lever to give the user a slap on the wrist when the limit switch is triggered.
Like me you are forgetting Gotama's advice to Siddhartha... "Beware of too much cleverness".
Re: My turn for help with Pulse multiplier for test rig.
When I was about 20 years old my work colleagues presented me with the (fictitious) Duke of Edinburgh Award for 'Use of Stone Age Tools'.
Re: My turn for help with Pulse multiplier for test rig.
Quote:
Originally Posted by
Neale
Almost, but not quite. It just needs a solenoid-operated lever to give the user a slap on the wrist when the limit switch is triggered.
Or, when the handle stops turning, you've hit the end stops.
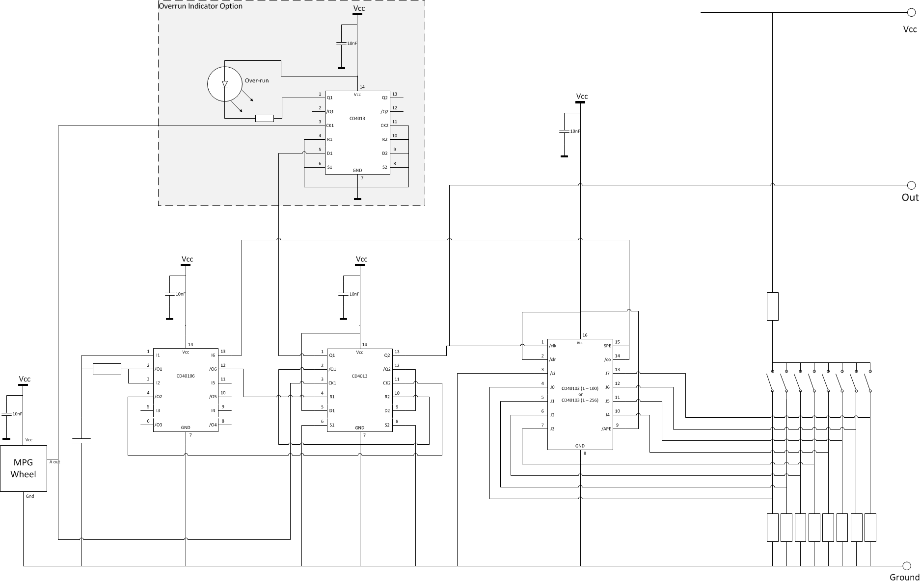
1 Attachment(s)
Re: My turn for help with Pulse multiplier for test rig.
OK, here's version 0.1 for discussion....
Attachment 12250
Re: My turn for help with Pulse multiplier for test rig.
Quote:
Originally Posted by
irving2008
Tbh my approach just generates n pulses for each wheel pulse at a rate that's fast enough to finish before the next wheel pulse.
As touched upon earlier, the 'jitter' this adds to the pulse stream will reduce the maximum feedrate somewhat as the motors wont run as smoothly. How much is hard to say, but it could be a problem...
Quote:
Originally Posted by
irving2008
OK, here's version 0.1 for discussion....
Direction required?
Re: My turn for help with Pulse multiplier for test rig.
More and more it looks to me that the best approach is a mechanical step-up! Trying to multiply the number of pulses electronically is inherently the wrong way to go.
Re: My turn for help with Pulse multiplier for test rig.
Fix the mpg down on a board and mount a larger mdf wheel next to it on an improvised pivot. Use a wide rubber band as a belt . Should be relatively easy to get a 5:1 step up.
Re: My turn for help with Pulse multiplier for test rig.
Quote:
Originally Posted by
JohnHaine
Fix the mpg down on a board and mount a larger mdf wheel next to it on an improvised pivot. Use a wide rubber band as a belt . Should be relatively easy to get a 5:1 step up.
Better still, connect the rubber band to the stepper motor to get a closed loop system. I'm sure you'd get positive feedback for that idea ;)