Originally Posted by
JoeHarris
Hi Andy,
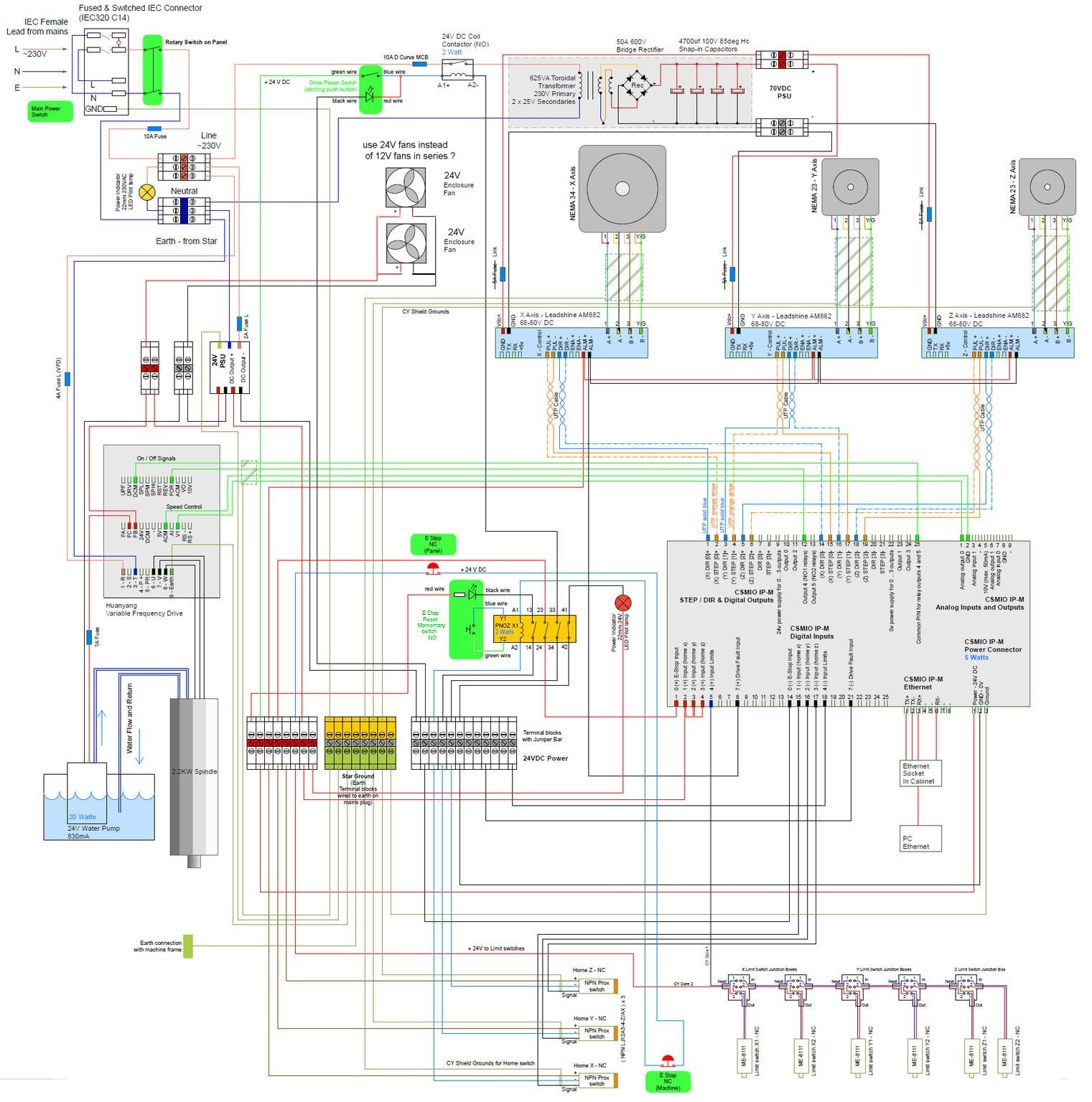
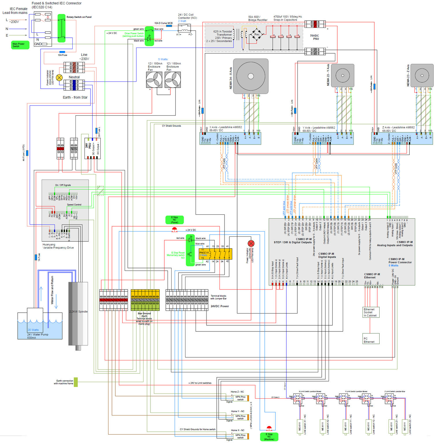
My cabinet is about 790 x 790 x 275 deep. As I said in previous posts, please take this circuit diagram as a guide as to how I have wired my machine - it is from research on here and other places and is not an expert guide and may not be best practice, correct or even safe!? It may also have mistakes in it. I found it useful looking at other peoples diagrams and that is why i'm uploading it, but please do your own and be sure in your own mind that everything is correct before you wire things up. I don't want to be blamed for that infamous magic smoke!!
Cheers
Joe