Re: My turn for help with Pulse multiplier for test rig.
Quote:
Originally Posted by
Jonathan
It's more entertaining to watch and see what other people come up with. Plus I'm busy at the moment with another massive electronics project :glee:, so you'll hear from me if this isn't over in a month or two.
Jonathan I'm even surprised you botherd to comment so I thank you for that.!! . . . . . As for your input then I expected no less from you.!!
Sorry to the rest for not replying sooner or keeping track of this but I've been busy all weekend wrestling unfriendly CNC machines.!!
Ok well let me explain again that ALL i want to do is have the axis move, doesn't matter if it misses steps or stops fast etc just move faster than 1 pulse at a time so I can get from one end of machine to other with cranking the handle 1000's a time.
All I wanting is like Irving says to move the axis while working on machines and for setting up limts switches etc. This is why I would like to have the single pulse detent for when close to limits etc. Before that it won't matter if it gets infront or behind with pulses etc and overruns or misses steps etc as I'm not after any accuracy and when I'm getting close to where want to be I'll drop to single pulse. Sure when used to it I'll know how it's going to react to my turning the handle at differant speeds.?
To those that have suggested mechanical options then YES I know this and I can even push bloody the axis if I wanted but that's not what I want so please don't go there anymore it will only take the thread off at tangents.!
Similar with the arduino and software based options, yes I know they are best or easier option and yes I've done some VB and C++ coding so could after cleaning the rust off gone this route and made it happen.!! . . . But again didn't want to. Just want it rough arse KISS approach and to learn from.
555 timer hasn't been ruled out but I would have to have the single step option like the detent of the MPG.
I'm flat out busy at minute but when I have more time I'll look closer at it and ask some folks I know that have done similair things.
But in mean time please keep giving the suggestions but just remember only needs to be simple doesn't need any thing fancy I'm not after accuracy or any kind of CNC pendant.!!
CHEERS:
1 Attachment(s)
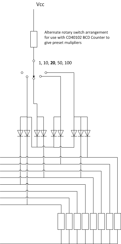
Re: My turn for help with Pulse multiplier for test rig.
Added option to replace DIP switch with rotary for presetting step multiplier rate.
Attachment 12259
Re: My turn for help with Pulse multiplier for test rig.
Given the above refined spec with direct ratio not required, rather than a pulse multiplier I'd suggest a frequency generator with the output frequency programmed to ramp up and down quickly but smoothly with the running target frequency output based on the pulse frequency input.
I'm afraid I don't have my PIC programming system set up at the moment, it's all in a box somewhere in the loft :-(
If only I had an Australian Bloke's Shed, then I could have all my toys out at once!
- Nick
Re: My turn for help with Pulse multiplier for test rig.
A possible issue with the mechanical option is potentially the pulse rate the wheel can achieve. One datasheet shows one such wheel has a fixed 800uS pulse per detent, which limits it to 125 steps/sec or 75rpm.
Re: My turn for help with Pulse multiplier for test rig.
This does not directly answer Dean's request but . . .
If I was building cnc machines I would have as a minimum a box with a bob, power supply, 2 x stepper drivers, vfd, all wiring to a bank of terminals to allow easy connection of limits etc.
This would be connected to a PC with a parallel port running Mach3, there would be two sockets mounted on the outside of the box so that by using a flying lead, individual stepper motors could be connected or if the machine used two steppers on X this could also be accomodated.
This system would allow use of a remote pendant or you could use the Mach3 interface to directly enter G0 codes for moving the axes around, the bob would allow connection of limits and home switches for test purposes.
I believe this would cover all the requirements specified by Dean in the most productive and hassle free manner and from what I've read he probably has all the required parts already, unless of course he has some other, not yet revealed, idea for using the minimalistic approach.
Re: My turn for help with Pulse multiplier for test rig.
Quote:
Originally Posted by
JAZZCNC
555 timer hasn't been ruled out but I would have to have the single step option like the detent of the MPG.
How about a hybrid system, keep the MPG for fine control but have a button that also injects pulses from a (variable frequency) 555 timer type circuit? Direction is set by the wheel and that is used for fine adjustments but for rapid traverse, the button is used.
Re: My turn for help with Pulse multiplier for test rig.
Quote:
Originally Posted by
FatFreddie
How about a hybrid system, keep the MPG for fine control but have a button that also injects pulses from a (variable frequency) 555 timer type circuit? Direction is set by the wheel and that is used for fine adjustments but for rapid traverse, the button is used.
Bingo. :applouse: ..Clive
Re: My turn for help with Pulse multiplier for test rig.
Quote:
Originally Posted by
EddyCurrent
I believe this would cover all the requirements specified by Dean in the most productive and hassle free manner and from what I've read he probably has all the required parts already, unless of course he has some other, not yet revealed, idea for using the minimalistic approach.
Yes I do this already eddy, I have a test rig setup with BOB, SS and 4 drives VFD etc so can test a machine is fully working while on the bench but some times I need to move an axis SINGLE axis away from the bench or before all wiring is done IE short stepper wires so I want simple portable unit to do this. Also some times I have more than one machine on the go and at differant stages of build so Don't want to have to lug PC and all the stuff to machine if it's not on the main bench.
1 Attachment(s)
Re: My turn for help with Pulse multiplier for test rig.
Attachment 12260
Quote:
Originally Posted by
JAZZCNC
But in mean time please keep giving the suggestions but just remember only needs to be simple doesn't need any thing fancy I'm not after accuracy or any kind of CNC pendant.!!
How about a USB games controller like this. Mine cost me nowt, uses keygrabber and the biggest hassle was putting the labels on the keys.
Re: My turn for help with Pulse multiplier for test rig.
Quote:
Originally Posted by
cropwell
Attachment 12260
How about a USB games controller like this. Mine cost me nowt, uses keygrabber and the biggest hassle was putting the labels on the keys.
Nope.!! . . . . Remember NO PC involved.