Where can I buy Prox switches for £1.50?
Printable View
Where can I buy Prox switches for £1.50?
Well here's one £1.40 http://www.ebay.co.uk/itm/LJ12A3-4-Z...kAAOSwvt1WQ~SR
Look harder and you'll buy several of them working out at roughly £1
Here's the very switch I tested to show how well they work on a router.
https://www.youtube.com/watch?v=A11Zvi3nAFE
Excellent. I like your idea that sounds better and much more accurate.
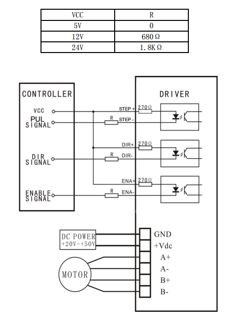
What confused me was this diagram in the KK01 manual showing that I might need to put extra resistors in the driver wiring as well if I was running 24v through the KK01.
That put me off.
Attachment 16653
Excuse me for being dumb again, what are the prox switches actually looking for - a magnet (target wise)?
I've looked and can't find any info.
Look what I got this afternoon - happy days!
Attachment 16652
My cousin cut them for me in his engineering shop.
The CNC mills he's got are serious.
They are perfect the bearings have dropped in beautifully.
So I can start building my machine now.
Thanks Jazz for your excellent input.
Martin
Strange, i have asked Ebay (but only for P. switch without sensor) and the lowest price was £3.60.
Nothing dumb in not under standing. Would be dumb if you didn't understand and Didn't ask.!!
They are Inductive sensors so they sense Metal. You can get Sensors that detect Magnets Called HALL Affect sensors. Both are used to do the same job in different conditions.
Inductive are good for routers because no flying metal chips but on a Mill not so good.!
The resistors are to limit the current going into the opto-isolators at the front end of the KK01. In crude terms, these opto-isolators are designed to accept 5V signals so with a higher voltage, you need to limit the input current to a safe value. It's a very straightforward and common thing to do. Those resistors will cost you about 3p each from your local Maplin so no exotic components needed!
The KK01 needs 5V in any case; the 24V supply is just to feed the limit switches. As Jazz says, the KK01 will still give a 5V output to go to the drives.
In your link its "proximity sensor switch", I asked only "Proximity switch". But after the link, I entered the same in the shops question line and the only parts I found cost £2. Not really much more, but indeed a bit strange.
I have just ordered these. http://www.ebay.co.uk/itm/141781789185