The human toolpath is pretty smooth despite appearances - characterful!! http://uploads.tapatalk-cdn.com/2016...1e2c118958.jpg
Printable View
The human toolpath is pretty smooth despite appearances - characterful!! http://uploads.tapatalk-cdn.com/2016...1e2c118958.jpg
Coming along nicely...love shiney machined aluminium pictures 😁
Sent from my HUAWEI VNS-L31 using Tapatalk
Looks great, how long did it take to mill / rout out?
Yeah, 0.5mm is about what I've taken when I've tried routing aluminium, quite honestly though it scares me but my fence set up wasn't as good as yours. It's not too bad if you've got a decent spray of WD40 on it but I couldn't get past the feeling that it was going to catch and rip the router out of my hands.
Attachment 19440
I have not had a chance to update this much but you should now be able to read it at least. :distrust:
Thanks for the Help!
I have added a fuse to the water pump (not sure what ampage for that yet as haven't chosen a pump yet.)
I have added another contactor and a switch on the 24v circuit to control the pump and VFD
I'm not sure what you mean when you say you just have the E-stop safety relay switch the contactor on. Presumably I still want the drive fault signals connected to the pilz?
Attachment 19469
Also, I am struggling with grounding the various components. Do I need to connect the motors or drives back to the star ground and if so, how?!
Also should the earth terminal on the VFD just go back to the earth terminal on the plug or the star ground and should the CSMIO just go back to the star ground or should this also be connected back the earth on the power plug?
I know similar questions have been asked and answered elsewhere but I'm struggling to piece it all together...
Thanks guys.
A bit more work with the drill, bandsaw, router and belt sander followed by a lot of work with a needle file I've almost finished my first motor mount!http://uploads.tapatalk-cdn.com/2016...67f993a66d.jpghttp://uploads.tapatalk-cdn.com/2016...d842f36245.jpghttp://uploads.tapatalk-cdn.com/2016...febd53dba5.jpghttp://uploads.tapatalk-cdn.com/2016...a8940aa2c8.jpghttp://uploads.tapatalk-cdn.com/2016...ff88cc6047.jpghttp://uploads.tapatalk-cdn.com/2016...d3202a60bd.jpghttp://uploads.tapatalk-cdn.com/2016...bb76ba9ca4.jpghttp://uploads.tapatalk-cdn.com/2016...470a213b0d.jpg
Great work Joe, nearly there now. Frustrating thing is making that bracket would be really quick with a CNC machine!
I bet joe really appreciated you saying that and when is fingers have stopped bleeding started working again after the 20hrs filling I'm sure he'll thank you.!! . . Ya teasing bugger.:hysterical:
Joe this machine is and will be credit to you and one of very few machines that can truely be called hand built. It should be and will be by me anyway, held up to all those wanting to building machine who don't have machinery to help and think it can't be done.
If this site had an award for best build I'd vote you the winner.:encouragement:
Funny I was just thinking the same thing. Keep going Joe its certainly coming together.
Looking better and better Joe, can't wait to see this finished...looks a cracking machine.
Sent from my HUAWEI VNS-L31 using Tapatalk
No no community vote, can put up a poll with the option to vote for your/each favorite entry. Yea my thoughts exactly, what would be better, is if we could get some prizes donated from a few of the usual suppliers, so things people would like rather than cash.
Could do a POTM, part of the month could work better for the smaller less valuable prizes, more importantly I think is this one may encourage people to share more about the things they make once up and running...most seem to build then leave us hanging with regards to their cnc career adventure vs their cnc build journey...
Its nice to see the fruits of labour too !
"No no community vote" should be read as "no no of course it would be a community vote".
Sorry, after reading that bit back I wasn't sure it would be interpreted how I intended :thumsup:
No no no no....yes 😁
Sent from my HUAWEI VNS-L31 using Tapatalk
I read it a few times and thought you must have meant community vote as per post #300. Wondering if post #297 onward could be split off to give Joe his thread back?
Looking forward to seeing what commercial interest there might be after you put the feelers out.
yes yes confirmed.
Will do, was hoping some of you lot would want to get more involved and man the organizing/setting up?, someone to "take the reins" as they say would be nice.
I cant do everything, all at the same time. Wish I was an octopus i've got that much going on, if no one wants to lead the way on this then it will just be something I do at my own leisure.
I'm still not well at all so the last thing I need right now is more things to stress about, I'd much rather wait and fully enjoy the endeavour.
.
Small update: https://vimeo.com/194115391
Sent from my iPhone using Tapatalk
It's alive, well nearly :thumsup: Always nice to see it move
Yes, great moment when something moves under power! Now, if you can sync two cordless drills for testing master plus slave axes...
Edit - just flicked back and see you are using the long-belt sync method. Saves requirement for synchronised cordless drills :smile:
I always fancied using my router like an etch-a-sketch with drills 😁 Well done Joe, its getting better and better...
Sent from my HUAWEI VNS-L31 using Tapatalk
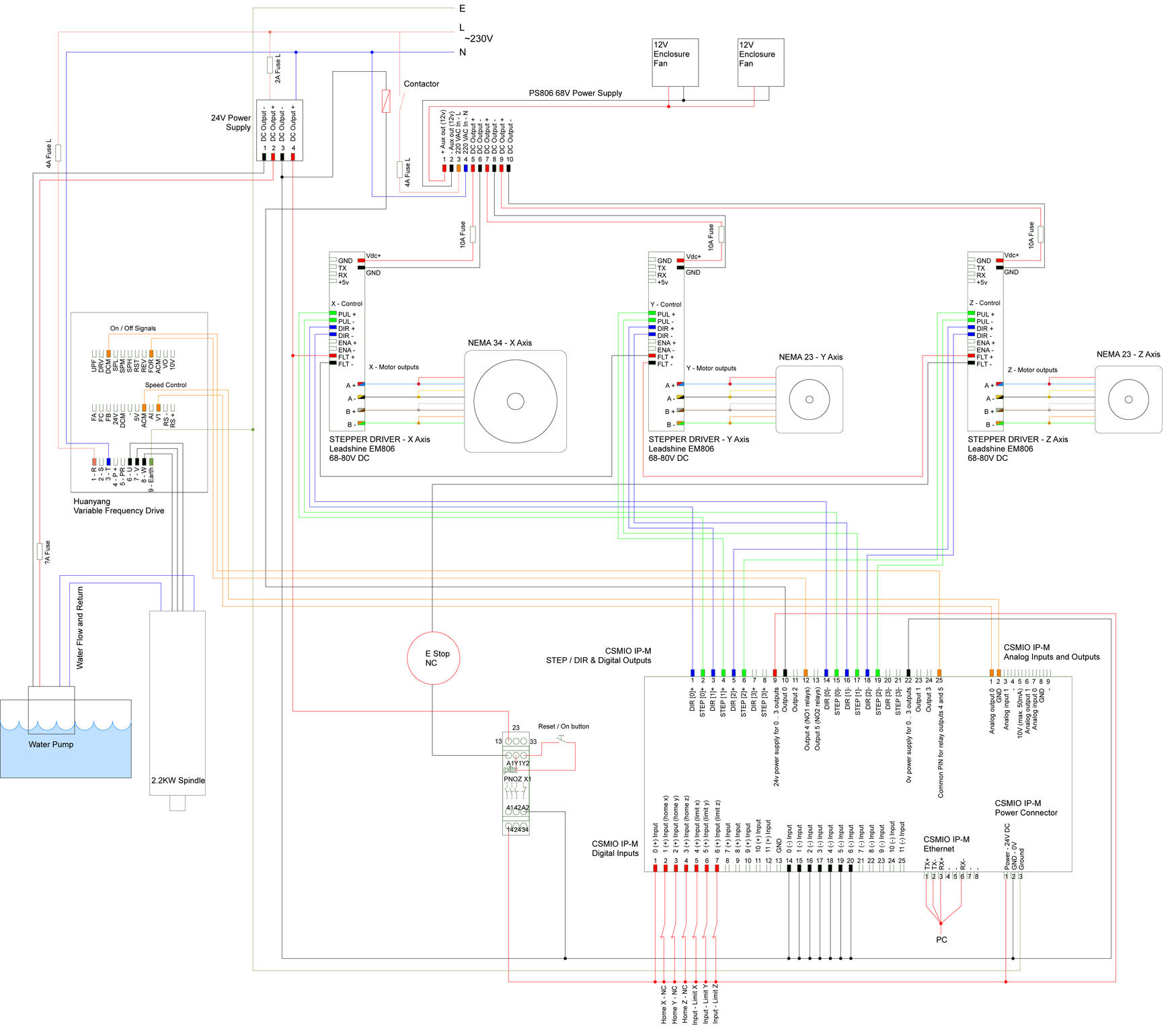
Sorry Joe just looking back at your build and didn't see these questions. So here goes.
Yes still want fault signals in E-stop. What I meant was use another contact on the Relay and run 24V thru it which then turns on Mains Contactor.
Only the Shield of the Motor cable and only the control box end needs grounding to Star point. To save wasting wire and stripping insulation back so shield wire reachs star point and drives just run single wire from Star point to point near drives and solder to the Shields or use connector block.
The Earth wire on the Plug and the Star point should be the same thing, that's the whole idea. You have one Point that the main Earth comes into which is then distributed to all that need Earth. You also take all shields back to this point.
So in this case if the VFD is in the main Control box case (which personally I don't like) and turns on with control box you would take to Star earth point.
The shield for Spindle cable is best or easier if connected to the Earth Terminal in VFD.
If the VFD is external then just use the cables earth wire back to Plug. Same connection as above applies with shield.
IP-M Earth goes to the Star point.
Thanks Dean. I will digest this and revisit the circuit diagram. No doubt there will be more questions! I would also like to pick your brains on the power supply if possible...
http://uploads.tapatalk-cdn.com/2016...67f6fc4381.jpg http://uploads.tapatalk-cdn.com/2016...663bd2960a.jpg
belt tensioner pulleys are in.
Sent from my iPhone using Tapatalk
-----------
Evening all. For anyone interested in milling Aluminium with a hand held router as I have been doing in this build I've made a little (very amateur!) video of the process:
https://youtu.be/22cCYY5pVMI
My setup is a 10mm carbide endmill (and collet) in a dewalt 1/2" router. Using a trend adjustable jig clamped to my bench. Not so much a "how to" as a "it can be done if you're patient!". I couldn't find much on this on YouTube when I looked a year or so ago so thought I'd fill the gap with some shaky phone footage!
Nice vid Joe (I mean the one of you skating around St.Ives showing your wild side :onthego:) only kidding.
Just goes to show what can be done with a few tools (one can always be hired for the weekend) I am a bit surprised how well it hold the ali down under the jig.
https://uploads.tapatalk-cdn.com/201...46c0962d50.jpghttps://uploads.tapatalk-cdn.com/201...6810136353.jpg
I have finished the part in the video I posted before . This is the z axis motor mount. To complete the story I have also made another little video - https://youtu.be/PT56_YEkClo
For anyone thinking about hand making NEMA 34 motor mounts there are some pitfalls you should be aware of... https://youtu.be/CNW9vlPraUg
Sent from my iPhone using Tapatalk
Many Thanks Joe,
Think I must have previously missed the link to your overall build video which I've just watched and it's now bookmarked for reference.
I'm finding your build log is gradually developing into a great one for me to reference!
https://www.youtube.com/watch?v=pZo2LVQA9UI
Hi Joe
Machines coming along a treat, please do not try routing this setup without a sub base on you router, it's too easy to have a disaster. on another point i am looking into buying a bandsaw, what make is the one you are using in the video and is it any good.
Regards
Mike
Don't worry Mike I have a Heath Robinson base plate / sub base which has worked ok! My band saw is one of these https://www.ffx.co.uk/tools/product/...FUUq0wodsXMKdw
It has been pretty good but it is quite small and low powered for metal work. Gets by though! You will need to buy a metal cutting blade as it is designed for wood really...
More on the Heath Robinson sub base for my router - works ok despite appearing (although not really being?!) very dangerous! https://youtu.be/P33QiUFooIg
Sent from my iPhone using Tapatalk