I have no idea yet but they will need to be very heavy duty to put up with the mess.
Printable View
These are good quality strong, adjustable and waterproof and come in a variety of designs
http://www.aliexpress.com/item/Water...707482221.html
Yes, that would my choice, there are a lot of head options - roller, plunger, lever etc with that switch type.
Need to choose where to mount them sensibly too.
Got the knee back on tonight, new lift bearing makes it silky smooth after years of grinding up an down...
Attachment 18542
Anyone know how to adjust gibs properly? The books just say tighten until you feel resistance but on the knee that could be very tight?
The vise-grips are only there to crimp off the feed to the saddle so i can prime the way lube pipes ;)
Dial/DTI gauge, magnetic stand, and a big lever.
You don't want to adjust it up to the point there's no measurable play as you risk it binding and no room being left for oil, but you also don't want it flapping about.
When adjusting slides that I can't try moving by hand to test resistance, I usually aim for around 0.02mm of movement on a DTI. On older machines, you may need to allow for worn areas, so you ideally want to adjust things at the least worn part of the travel.
How is it measured though - the distance the measurement is taken over will vary the reading etc, is it measured up/down or left/right??
You want to be measuring the lift in the slide (forward/backward movement on a knee), however you need to judge the best way to achieve that for each machine.
For a knee, I'd probably mount a DTI on the side of the body pushing against a feature/block mounted on the side of the knee, and try rocking the knee side to side, and pivot it up/down. You obviously don't want to be measuring the play in the knee nut/screw mounting, so you may need to try levering a few different ways to work out what will work best.
You can also get them from Denco Lubrication (part of the Bijur group of companies) in Hereford (or Cougar Lubrication if you're in the South of the UK), shame I wasn't working there still else I'm sure I could have helped out;)
Nice refurb log Dave, following with interest. I was looking at doing this for work but we're still undecided on retrofit or purpose built....funds will decide!
Got the lube parts from Lubetec, very fast delivery.
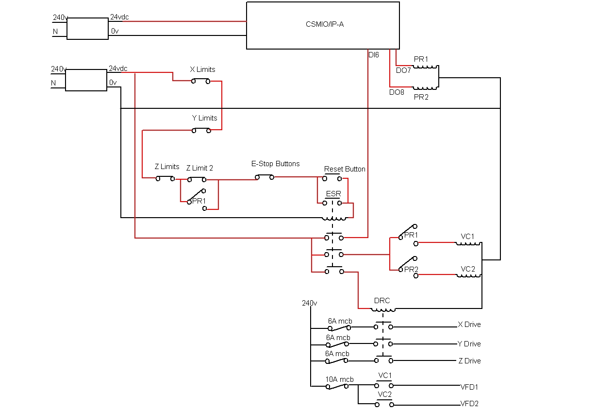
Started sketching out my control circuits, change-over from main spindle to bolt-on aux spindle will be done via the respective Mach3 profiles.
Attachment 18546
Luckily the CSMIO has two 0-10v outputs and stacks of digital I/O so i can connect both VFD's up and use mach to decide which motor to start or which limits to look at.
Not being funny (well perhaps just a little) but I would not let mach decide I would definitely tell it which ones to use, the thought of mach going eenie meenie minie mo doesn't inspire me with confidence.. Sorry couldnt resist that!