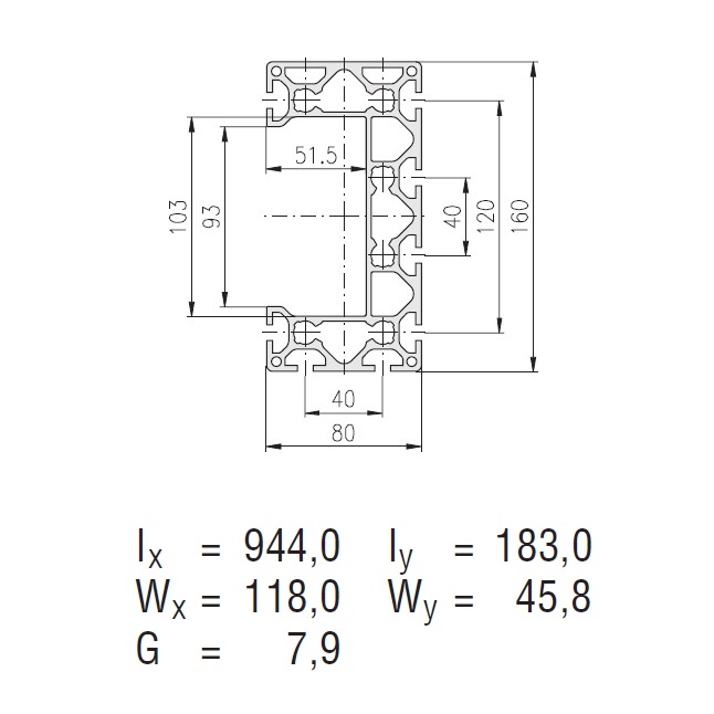
Do you reckon the profile below has what it takes to be the gantry on wood router?
Attachment 10398
Profile rails on the front face, ball screw in the middle.
Very expensive, but very simple.
Printable View
Do you reckon the profile below has what it takes to be the gantry on wood router?
Attachment 10398
Profile rails on the front face, ball screw in the middle.
Very expensive, but very simple.
I was going for this design myself but changed to the L shape using 100x50 aluminium box section. Have you seen this calculator ? it might answer your question, I'm not sure if this is the most up to date version of it though.
http://www.mycncuk.com/forums/linear...alculator.html
Could you give some details - manufacturer/supplier, cost ?
I like the look of this section
Take a seat.
It's a Maytec profile about ~£130 a meter.
Oh, you'll need an M14 tap on top of that cost.
Don't do it :concern:
I got over 10 meters of steel box section cut to length and delivered for less than that, and that could probably be had cheaper elsewhere. Probably harder to work with, but 10x cheaper :thumsup:
Maybe a bit expensive but would make a nice neat job, would be good for mounting the "X" rails as well.
Have M14 taps. :thumsup:
Don't waste your money is my answer.!! . . . . . What width Gantry do you want.?
Because I can tell you with 100% certainty thru building several machines with the L shape gantry using 45x90 profile that it is more than capable of handling cutting wood at 4' width and that's with using tall style gantry sides not sat direct on bearings like I do for machines mostly cutting harder materials.
On the narrower machines I've built with 700mm cutting width so 900mm wide gantry and tall style gantry sides it handles cutting aluminium no problem at lower DOC.
From KJN it's £25mtr and another bonus is the 45mm slot spacing fits the BK/BF bearing holes so easy fastening of ballscrews.
Also agree that Steel is much cheaper and I use it all the time but also see the Profile appeal for ease of building and neatness. For a wood router it works very very well and more than strong enough.
I wouldn't use that stuff got to many . . . It's.!!
It's light duty thin wall stuff.
It's too narrow in middle with potential to twist.
It doesn't provide ideal or easy rail fastening because slots are in wrong places.
It will fill with and collect chips if plan is to face forwards, (say this because of your simple Z plate ref.?)
It won't allow for simple Z plate if rear facing has the top of channel restricts access to ballscrew so placing ballnut bracket further back than needed.
It's not going to provide anything extra the L shape does.
It's going to cost 3 times the price of L shape.
It's going to be weaker than L shape has it's thin walled and narrower.
Bottom line is It's inferior and 3 x the price.!!! . . So why bother.!
Not fussed about the cost of the profile, if it provides an easy build. I've seen this profile with rails on the front and the screw in the middle.
It would be for a wood router so collection of chips shouldn't be an issue as 90% of the waste will be sucked away.
Just wondered if it was up to the job from a technical perspective (ignoring better/cheaper designs). I don't have the knowledge to say if the figures on the drawing are are acceptable for the purpose or how they compare.