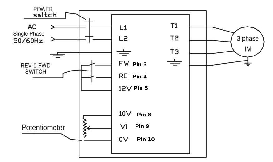
looking at your photo of the terminals
this is how I would connect to the VFD
with the forward on/off control being BOB's the relay controlled by pin 17
Attachment 24228
yes
the relay switches the VFD on in the forward direction
and is the simplest control with one switch
depending on the parameters set for input X1
you could have 3 switches
one for on / off
a second for forward that works in conjunction with the on /off switch
the 3rd being reverse that works in conjunction with the on /off switch
John