-
MSD043A1XXV Panasonic AC Servo Driver 400w - MB3 connection help
I posted this in the General section before I realised there was a specialised stepper /servo section :torn:
http://www.mycncuk.com/threads/13945...onnection-help
I will try and get a mod to transfer it.
-
Re: MSD043A1XXV Panasonic AC Servo Driver 400w - MB3 connection help
Page 13 of the servo controller manual tells you all you need to know about the step/dir interfacing. It recommends a differential drive from the control system, but it's not required. You can use a standard single-ended drive - just connect Step/Dir to pins 6/8 and ground pins 5/7 (just check that - the scan isn't great). The internal 220R resistor is appropriate for 5V signalling.
-
Re: MSD043A1XXV Panasonic AC Servo Driver 400w - MB3 connection help
-
1 Attachment(s)
Re: MSD043A1XXV Panasonic AC Servo Driver 400w - MB3 connection help
Quote:
Originally Posted by
Doddy
Page 13 of the servo controller manual tells you all you need to know about the step/dir interfacing. It recommends a differential drive from the control system, but it's not required. You can use a standard single-ended drive - just connect Step/Dir to pins 6/8 and ground pins 5/7 (just check that - the scan isn't great). The internal 220R resistor is appropriate for 5V signalling.
Thank you.
A couple of things if I may?
One thing that sort of confused me when i first looked at the diagram - twisted pairs? You mention connecting Step/Dir pins to 6/8 and ground to 5/7. The diagram is confusing, it shows a single pulse going in e.g Pulse A and it terminates on 6 - 5???
Apart from where you cannot on the MB3 are the connections to the Sevo drivers the same? If using a single ended drive do i need to connect a 12 - 24v supply as mentioned on page 13? Do I need it for a differential drive?
The MB3 supports both.
Sorry for the basic questions - I just don't want to blow up the £200 MB3 breakout board.
thanks again - the advice is appreciated.
Edit: just found a better diagram (helps me understand) in the MB3 documentation:
Attachment 28744
I added the pin numbers from the Panasonic doc, does that look correct? How can you tell that pins 5, 7 are ground? (the scan shows order from top down (6, 5, 8, 7) as per my latest attached diagram.
Do I connect a dedicated 24v to pin 11+ and 28- ? For single ended? and not differential? Both or none?
thanks again
-
1 Attachment(s)
Re: MSD043A1XXV Panasonic AC Servo Driver 400w - MB3 connection help
Quote:
Originally Posted by
Nemo1966
Thank you.
A couple of things if I may?
One thing that sort of confused me when i first looked at the diagram - twisted pairs? You mention connecting Step/Dir pins to 6/8 and ground to 5/7. The diagram is confusing, it shows a single pulse going in e.g Pulse A and it terminates on 6 - 5???
The differential lines are - not clear admittedly - intended to show the interconnect between your control system (MB3 in your case) and the servo controller.
Quote:
Originally Posted by
Nemo1966
Apart from where you cannot on the MB3 are the connections to the Sevo drivers the same? If using a single ended drive do i need to connect a 12 - 24v supply as mentioned on page 13? Do I need it for a differential drive?
The MB3 supports both.
Ah, sorry, didn't realise the MB3 support differential drives. If you're taking the signal over any distance then a differential twist pair is beneficial for noise-rejection.
Quote:
Originally Posted by
Nemo1966
Sorry for the basic questions - I just don't want to blow up the £200 MB3 breakout board.
thanks again - the advice is appreciated.
Edit: just found a better diagram (helps me understand) in the MB3 documentation:
Attachment 28744
I added the pin numbers from the Panasonic doc, does that look correct? How can you tell that pins 5, 7 are ground? (the scan shows order from top down (6, 5, 8, 7) as per my latest attached diagram.
Do I connect a dedicated 24v to pin 11+ and 28- ? For single ended? and not differential? Both or none?
thanks again
Attachment 28745
The bits circled in red - these are the LEDs of the opto-isolator inputs. The lead connected to the triangular bit is "+", the bar crossing the pointy bit of the triangle is ground. Hence - ground is 5,7 and the signal positive is 6,8. To the immediate-left of these are similar symbols, but reversed - these are normal (non-light-emitting) diodes intended to protect the LEDs from a reverse voltage as would be presented by a differential drive (LEDs are susceptible to damage like this).
Also, confusingly, over on the left - the triangular line drivers - the bottom output wire has a little dot on it - denotes an inverted signal. So "PLUS A" (ignoring typo) is PULS - non-inverted (active = high), and "PLUS B" is PULS - inverted (active = low). You could interpret (wrongly) the cross-over in the wires as the wires swapping - that's not the intent of the diagram - it's supposed to show an indeterminate length of cable. The drawing is designed to confuse.
EDIT:
12-24V between pins 11 & 28 - these are required for the control inputs shown, nothing to do with step/dir but likely required to provide control to the driver.
-
Re: MSD043A1XXV Panasonic AC Servo Driver 400w - MB3 connection help
Quote:
Originally Posted by
Doddy
The differential lines are - not clear admittedly - intended to show the interconnect between your control system (MB3 in your case) and the servo controller.
Ah, sorry, didn't realise the MB3 support differential drives. If you're taking the signal over any distance then a differential twist pair is beneficial for noise-rejection.
Attachment 28745
The bits circled in red - these are the LEDs of the opto-isolator inputs. The lead connected to the triangular bit is "+", the bar crossing the pointy bit of the triangle is ground. Hence - ground is 5,7 and the signal positive is 6,8. To the immediate-left of these are similar symbols, but reversed - these are normal (non-light-emitting) diodes intended to protect the LEDs from a reverse voltage as would be presented by a differential drive (LEDs are susceptible to damage like this).
Also, confusingly, over on the left - the triangular line drivers - the bottom output wire has a little dot on it - denotes an inverted signal. So "PLUS A" (ignoring typo) is PULS - non-inverted (active = high), and "PLUS B" is PULS - inverted (active = low). You could interpret (wrongly) the cross-over in the wires as the wires swapping - that's not the intent of the diagram - it's supposed to show an indeterminate length of cable. The drawing is designed to confuse.
EDIT:
12-24V between pins 11 & 28 - these are required for the control inputs shown, nothing to do with step/dir but likely required to provide control to the driver.
Brilliant - thank you. I agree from a newbie veiwpoint the drawings are difficult to interpret if you aren't experienced in that arena. I'm 99% OK now. Still confused on the 24v bit though :-/
Can't wait until I have to put settings in Mach4 - that should be fun...
thanks again
-
Re: MSD043A1XXV Panasonic AC Servo Driver 400w - MB3 connection help
What is an Open Collector interface?
thanks
-
Re: MSD043A1XXV Panasonic AC Servo Driver 400w - MB3 connection help
I was about to apologise having re-read my earlier answer - I'm terrible at writing at one level without trying to understand the level of the reader. My last reply was mostly gibberish - and that's my fault. By all means challenge any reply I offer.
However, I the Open Collector is I think a new question.
It's derived from a concept of the use of BJT (don't worry) transistors to switch a device on or off. The BJT has three pins, one of which is the collector. Open Collector, refers to the collector of the BJT not being connected to anything (open circuit). That's from the context of the switch, but of course you use the switch to switch a load (device) on or off. The BJT connects the load to the supply line. There's two flavours of BJTs - NPN and PNP. For an NPN Open Collector system, the collector switches to ground. So, you connect your device to the +V supply, and to the open collector switch. The BJT switches on to connect the collector to ground, which then provides power to the load. PNPs are opposite - the collector switches to +V. So you connect your device/load between the Open Collector output and ground. When the BJT is on the Collector is connected to +V.
And I re-read that and it still sounds nonsense.
EDIT:
One of the main benefits of Open Collector outputs is that you can wire them in parallel - because they only switch to ground (NPN... see above for PNP) then they can't overload other, parallel connected, Open collector outputs.
EDIT 2:
The following link gives some explanation. Not sure the internal of the comparator is useful - ignore that bit. This talks NPN BJTs.
http://www.learningaboutelectronics....tor-output.php
-
Re: MSD043A1XXV Panasonic AC Servo Driver 400w - MB3 connection help
I only mentioned the open collector because it mentions in on connections page 13 of the panansonic manual. Note 2.
Is it me or is the Panasonic manual confusing on purpose?
Sorry for the dumb questions - but I guess you have to start somewhere.
-
3 Attachment(s)
Re: MSD043A1XXV Panasonic AC Servo Driver 400w - MB3 connection help
This image refers..
Attachment 28746
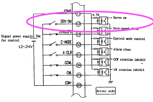
This is an example of two open-collector drives from the "Deviation counter clear input" and "Command pulse inhibit input". This is just an example intended by the author to show how to switch the input. The real needed behaviour is shown inside the servo controller - there are two corresponding opto-isolators, each with a 4.7k resistor for current limiting. The anode (+) of each LED inside each opto is connected through the resistor to the 12-24V supply, and the cathode (-) is switched to ground by the input circuit - depicted as an open-collector driven system. That works, and should work well. If the driving BJT is ON, the open-collector output is drawn to ground, which allows the LED in the opto isolator to switch the internal gubbins. If the driving BJT is OFF, there is no current path for the opto-isolator LED, and the switches off the internal gubbins.
You are not required to drive using an open-collector output, but you are required to provide a current path to ground (or something substantially lower than the COM+ pin), you could use a push-button connected from the input to ground perfectly well.
More likely, you'll be using the MB3
Attachment 28747
"Sink" refers to the ability to allow current to "sink" to ground. If you see the term "source" - it refers to the ability to source current from the +V supply.
Attachment 28748
This shows that the MB3 has a number of open-collector outputs available to you.
"Is it me or is the Panasonic manual confusing on purpose?"
I was about 6 year old when my old man got me interested in Electronics. I'm now 51. I still have to read and re-read manuals like this.
The problem is that the manual is trying to convey a lot of basic information in as concise way as possible. They're not going to hold your hand to explain things - you're playing in the professional world where you're expected to know what you're doing. Not all of us do. Ask questions.
and, trite, but :
The dumbest questions are the ones that you don't ask.
-
Re: MSD043A1XXV Panasonic AC Servo Driver 400w - MB3 connection help
You're doing well Doddy! I spent 16 years working out how to produce clear, easily understandable explanations of electronics stuff and it's not as easy as you think it is.
Nemo1966,
Never be embararrased to ask the simplest questions. I guarantee that there will always be a dozen or more other people thinking "I wanted to know that but was afraid to ask".
The only thing I would add about open collectors is that they are designed to be flexible. Unlike an output which switches from 0-5V, 0-12V etc. which restricts the voltage used by the external device, an open collector (especially the more common NPN version) can be used with any external device within the voltage and current capability of the transistor regardless of the supply voltage used by the device containing it.
Kit
-
2 Attachment(s)
Re: MSD043A1XXV Panasonic AC Servo Driver 400w - MB3 connection help
OK - saw another diagram in the MB3 documentation that I *think* helped me. This is what I have:
Do I need more? Or should the the 24v going to the controller be sunk to a ground like the cabinet chasis frame (with a relay)? Like the old 2 stroke motorbikes?
Attachment 28751
I am also struggling with:
Attachment 28752
Any help is really appreciated
Edit: I will be adding diodes to the 24v supply to driver as wrong polarity can damage it apparently.
-
2 Attachment(s)
Re: MSD043A1XXV Panasonic AC Servo Driver 400w - MB3 connection help
Your diagram is a little confusing - thoughI think I know what you're trying to do.
It's F1 Qualifying on TV just now - and hour for me to snooze, I'll sketch something for you after that.
The indicated dotted ellipse - that's indicating a screen on the cable to reduce EMI (often a braided sheaf under the first layer of insulation).
The question on pin 12 - "Equiv to EN on servos" - kinda - but it's more the command to the servo controller to start/enable the servo. It looks to be pulled low to be active. Page 11 indicates the internal equivalent circuit - another example where you can use the open collector output from the MB03 directly (no need for a relay).
EDIT:
This is how I'd be connecting the MB3 to the servo controller...
Attachment 28757
So, you have a common 24V supply to the Servo controller and the MB3 card. That's all good. The internal circuitry of the Servo controller, as page 11 ...
Attachment 28760
Shows that pin 12 is connected to the side of the internal Opto isolator that needs to sink to ground to enable it - that's the signal path that you're providing with the MB3.
So far you've discussed the servo enable line, step and direction signals, there's every chance you'll have to look at some of the other inputs as well, or you may need to ground them (read up about each of them).
-
Re: MSD043A1XXV Panasonic AC Servo Driver 400w - MB3 connection help
Quote:
Originally Posted by
Nemo1966
Edit: I will be adding diodes to the 24v supply to driver as wrong polarity can damage it apparently.
I'm curious what you meant by this - give us a sketch.
-
1 Attachment(s)
Re: MSD043A1XXV Panasonic AC Servo Driver 400w - MB3 connection help
As per pic... as I was going to add a relay to control what I thought was the equivilent of the Stepper "Enable" I was going to do the same
I was looking at note 2 and 3
Attachment 28761
-
Re: MSD043A1XXV Panasonic AC Servo Driver 400w - MB3 connection help
Okay, if you'll forgive the explanation. The information in the manual is accurate, but again, doesn't particularly try to educate the reader. I think you're looking at 2 + 2 and getting 5 - please don't be offended by that.
Note 2 in the diagram ("Please pay attention for the polarity of VDC. Reversed polarity of the above fig. will damage the driver") is to ensure that you connect 11 and 28 to +V and ground, respectively. You *could* put a diode in series with one of these, but to get the diode right you pretty much have to have wired it correctly anyway. So to me the diode is a little superflouous.
Note 3 in the diagram ("When you directly drive a relay with each output signal, please install a diode in parallel to the relay as the above fig. shows. If you do not install a diode or install it in reverse direction, the driver get damaged") refers to a completely different beast. Inductive loads (the relay coil is one) have a behaviour which, energised creates a magnetic field (in fact, that's how the relay switches - it's an electromagnet that attracts the contactor that provides the electrical switch). When the driving power is removed from the coil, the electromagnetic field collapses, inducing a voltage into the coil of the relay. This flows in reverse and is proportional to the speed at which the driving current is removed - fast = big voltage. This can present a voltage at the OUTPUT of the servo controller that far exceeds the 24V you've connected, and destroy the circuitry. The purpose of the diodes in the diagram you included essentially clamps that current flow between the coil and the diode - safeguarding the servo controller.
So, in that diagram, the diodes are not really to protect wrong polarity, but to protect the servo controller from what's referred to as back EMF.
Fun experiment: Get a relay, connect the coil to 12/24 V as appropriate. Put your fingers (on one hand if you want to be semi-safe) across the two pins of the relay coil, then remove the power from the relay coil. Make sure you're not within striking distance of anything fragile... or hard.
-
Re: MSD043A1XXV Panasonic AC Servo Driver 400w - MB3 connection help
No offence taken in any way - glad to learn whatever I can.
Thanks for the clarification - much appreciated.
-
Re: MSD043A1XXV Panasonic AC Servo Driver 400w - MB3 connection help
Processing..... :dread:
Seems I may reading more into the diagrams than needed.
-
Re: MSD043A1XXV Panasonic AC Servo Driver 400w - MB3 connection help
So looking at the Servo On diagram you posted... then looking at this:
Attachment 28763
Then I just do the same for the other pins and make the hi or low accordingly?
-
1 Attachment(s)
Re: MSD043A1XXV Panasonic AC Servo Driver 400w - MB3 connection help
Quote:
Originally Posted by
Doddy
Okay, if you'll forgive the explanation. The information in the manual is accurate, but again, doesn't particularly try to educate the reader. I think you're looking at 2 + 2 and getting 5 - please don't be offended by that.
Note 2 in the diagram ("Please pay attention for the polarity of VDC. Reversed polarity of the above fig. will damage the driver") is to ensure that you connect 11 and 28 to +V and ground, respectively. You *could* put a diode in series with one of these, but to get the diode right you pretty much have to have wired it correctly anyway. So to me the diode is a little superflouous.
Note 3 in the diagram ("When you directly drive a relay with each output signal, please install a diode in parallel to the relay as the above fig. shows. If you do not install a diode or install it in reverse direction, the driver get damaged") refers to a completely different beast. Inductive loads (the relay coil is one) have a behaviour which, energised creates a magnetic field (in fact, that's how the relay switches - it's an electromagnet that attracts the contactor that provides the electrical switch). When the driving power is removed from the coil, the electromagnetic field collapses, inducing a voltage into the coil of the relay. This flows in reverse and is proportional to the speed at which the driving current is removed - fast = big voltage. This can present a voltage at the OUTPUT of the servo controller that far exceeds the 24V you've connected, and destroy the circuitry. The purpose of the diodes in the diagram you included essentially clamps that current flow between the coil and the diode - safeguarding the servo controller.
So, in that diagram, the diodes are not really to protect wrong polarity, but to protect the servo controller from what's referred to as back EMF.
Fun experiment: Get a relay, connect the coil to 12/24 V as appropriate. Put your fingers (on one hand if you want to be semi-safe) across the two pins of the relay coil, then remove the power from the relay coil. Make sure you're not within striking distance of anything fragile... or hard.
I found this for a MB3 to a panasonic A series.
Attachment 28764
Seems literally just the "servo on" for that one - as you posted in the modified picture.
-
Re: MSD043A1XXV Panasonic AC Servo Driver 400w - MB3 connection help
Quote:
Originally Posted by Nemo1966
Seems literally just the "servo on" for that one - as you posted in the modified picture.
Yup, like Kitwn said earlier - the beauty of open-collector drives is in the ease (and general robustness) of interfacing.
-
Re: MSD043A1XXV Panasonic AC Servo Driver 400w - MB3 connection help
Quote:
Originally Posted by
Doddy
Yup, like Kitwn said earlier - the beauty of open-collector drives is in the ease (and general robustness) of interfacing.
Thanks again.
Now the "other" thing that is worrying me is..... :black_eyed:
Looking at this video https://www.youtube.com/watch?v=ab6P...ature=youtu.be 7:30 minutes in.
It mentions the "Axis" controls are 5v and goes on to say he blew the fuse by connecting 24v to the VCC on that side (you'll understand what I mean if you watch that section).
I am was worried about controlling the 24v servo with 5v, however in the last pics I sent showing the MB3 connected to a Panasonic Minas. The MB3 people connected to it directly... so i guess I may be worrying unduly?
-
Re: MSD043A1XXV Panasonic AC Servo Driver 400w - MB3 connection help
Fuse?, a transient voltage suppressor (TVS) is not intended to protect in the manner that he orchestrated.
The servo inputs, apart from the step/dir, are intended to be driven by the 12/24V supply to the servo driver, and through current sink inputs. The step/dir are intended for 5V differential, or single-ended supplies.
If you want to understand the difference - look at the resistors attached internal to the servo controller on page 11-13 of the manual - the step/dir are 270R (from memory), and the other inputs are 4.7k (4700R). Each opto-isolator device has an internal LED (the term opto-isolator is a bit confusing - they provide electrical isolation, by using an infra-red light between a LED and a photo-transistor across an air-gap, so the mechanism to drive this is to drive the LED 'on'). The LED will have, from memory, around 1.8V forward voltage drop. For the step/dir, 5v-1.8V = 3.2V. Through a 270R resistor, that's around 12mA (Ohm's Law: I=V/R). Typically drive current for a LED like this is around 10mA (max 20mA), the optical power is broadly proportional to the current - the choice of 270R is a standard value in the E3 etc range of resistor values - it's a "rule-of-thumb" resistor value). Now, the other inputs, with 4700R resistors - again, drop 1.8V across the LED, and if you're driving the stepper controller with 12V, then 12-1.8 = 10.2V, I = 10.2/4700 = 2mA, or at 24V then 24-1.8 = 22.2V, I = 22.2/4700 = 5mA. Actually, the currents a little low, but obviously it works - but hopefully you can see that if the 5V works on the Step/Dir at 12mA, that the other inputs with 4k7 resistors are perfectly safe at 24V because of the choice of resistors selected by the designer. being honest, I think the designer has been a little cautious.
Again, it's information provided by the manual that takes a bit of background knowledge/understanding to interpret properly.
But, yes, unduly worrying - the Step/Dir are designed for 5V signalling, the other controller inputs designated for current-sinking through a 4k7 resistor are designed for 12-24V signalling.
-
Re: MSD043A1XXV Panasonic AC Servo Driver 400w - MB3 connection help
Quote:
Originally Posted by
Doddy
Fuse?, a transient voltage suppressor (TVS) is not intended to protect in the manner that he orchestrated.
Perhaps you can see what a minefield processing information from tinterweb is (for a newbie in this area). Hence why I am triple checking everything before diving in. :redface:
Quote:
Originally Posted by
Doddy
The servo inputs, apart from the step/dir, are intended to be driven by the 12/24V supply to the servo driver, and through current sink inputs. The step/dir are intended for 5V differential, or single-ended supplies.
If you want to understand the difference - look at the resistors attached internal to the servo controller on page 11-13 of the manual - the step/dir are 270R (from memory), and the other inputs are 4.7k (4700R). Each opto-isolator device has an internal LED (the term opto-isolator is a bit confusing - they provide electrical isolation, by using an infra-red light between a LED and a photo-transistor across an air-gap, so the mechanism to drive this is to drive the LED 'on'). The LED will have, from memory, around 1.8V forward voltage drop. For the step/dir, 5v-1.8V = 3.2V. Through a 270R resistor, that's around 12mA (Ohm's Law: I=V/R). Typically drive current for a LED like this is around 10mA (max 20mA), the optical power is broadly proportional to the current - the choice of 270R is a standard value in the E3 etc range of resistor values - it's a "rule-of-thumb" resistor value). Now, the other inputs, with 4700R resistors - again, drop 1.8V across the LED, and if you're driving the stepper controller with 12V, then 12-1.8 = 10.2V, I = 10.2/4700 = 2mA, or at 24V then 24-1.8 = 22.2V, I = 22.2/4700 = 5mA. Actually, the currents a little low, but obviously it works - but hopefully you can see that if the 5V works on the Step/Dir at 12mA, that the other inputs with 4k7 resistors are perfectly safe at 24V because of the choice of resistors selected by the designer. being honest, I think the designer has been a little cautious.
Again, it's information provided by the manual that takes a bit of background knowledge/understanding to interpret properly.
But, yes, unduly worrying - the Step/Dir are designed for 5V signalling, the other controller inputs designated for current-sinking through a 4k7 resistor are designed for 12-24V signalling.
Fantastic information - thank you very much!!! Your time and effort is really, really appreciated.
-
2 Attachment(s)
Re: MSD043A1XXV Panasonic AC Servo Driver 400w - MB3 connection help
Hi, just managed to get back to this... :uncomfortableness:
Still having a problem with where the 24v Power should come from for the servos. My problem is that the the Y316 input will only sink 70mA. Could someone please explain what would be the safe way to do this without me damaging the servo and/or MB3.
thanks
Attachment 31050
Heres another diagram for the MB3 - so you can see what I mean... just unsure which 24v I should be using.
Attachment 31051
-
Re: MSD043A1XXV Panasonic AC Servo Driver 400w - MB3 connection help
Quote:
Originally Posted by
Nemo1966
Hi, just managed to get back to this... :uncomfortableness:
Still having a problem with where the 24v Power should come from for the servos. My problem is that the the Y316 input will only sink 70mA. Could someone please explain what would be the safe way to do this without me damaging the servo and/or MB3.
thanks
Attachment 31050
https://industrial.panasonic.com/con...s_manual_e.pdf is my "source of truth" here - please confirm yourself that it's applicable to your servo drive.
From that link, page 11, fig 6-1-1 shows the intent of the 24V supply - though in that link it's referred to as COM+ and COM-, and specified as 12-24V. This is the feed to the isolated inputs to the servo driver, and the purpose is entirely to manage that interface. For this, use the same 24V supply as you use on the MB3 for the servo COM+/COM- pins. If you look at the schematic in 6-1-1, you'll note the series resistor on the opto-isolator inputs - 4k7, a quick bit of Ohms law resolves that as you need a sink capacity of around 5mA per input, so with your schematic with the MB3, Y316 needs to be able to sink 5mA - it's rated at 70mA, and will be fine. (I'll not bore people with the maths here, by all means IM me if you need that explaining, Nemo.... oh, looking up, I think I did in the earlier post).
-
Re: MSD043A1XXV Panasonic AC Servo Driver 400w - MB3 connection help
Quote:
Originally Posted by
Doddy
https://industrial.panasonic.com/con...s_manual_e.pdf is my "source of truth" here - please confirm yourself that it's applicable to your servo drive.
From that link, page 11, fig 6-1-1 shows the intent of the 24V supply - though in that link it's referred to as COM+ and COM-, and specified as 12-24V. This is the feed to the isolated inputs to the servo driver, and the purpose is entirely to manage that interface.
For this, use the same 24V supply as you use on the MB3 for the servo COM+/COM- pins. If you look at the schematic in 6-1-1, you'll note the series resistor on the opto-isolator inputs - 4k7, a quick bit of Ohms law resolves that as you need a sink capacity of around 5mA per input, so with your schematic with the MB3, Y316 needs to be able to sink 5mA - it's rated at 70mA, and will be fine. (I'll not bore people with the maths here, by all means IM me if you need that explaining, Nemo.... oh, looking up, I think I did in the earlier post).
Aye you did, and got it wired, but I cannot get the servo to move, I have wired it to the correct pins etc in Mach4/ESS.
I have been through several wiring scenarios in the book but to no avail, when I connect Servo ON it does lock the spindle of the servo.
Looking though I think the Pulse Input Mode should be "3" - it's set at "0" could someone confirm please? Page 37 https://www.airgunownersclub.co.uk/d...s_manual_e.pdf
Can anyone work out what connections are actually needed for the MB3 - do I need all the connections from page 11 and also the ones at top of page 13?
thanks - any help appreciated. :05.18-flustered: