Hey guys, can anyone give me a step by step or some information on controlling my spindle from the uniport v2?
I'm looking at having mach3 switch the spindle on when I press start.
Any info will be greatly appreciated
Printable View
Hey guys, can anyone give me a step by step or some information on controlling my spindle from the uniport v2?
I'm looking at having mach3 switch the spindle on when I press start.
Any info will be greatly appreciated
Bump
Anyone?
What spindle is it.?
The uniport can only turn the spindle power on/off by using the on board relay it can't control the speed. You need a spindle speed board to do this and even then it can only be used if the spindle has variable speed controller that can accept analog 0-10V to control speed. Vfd's have this option thats why I asked what spindle.
Thanks for the reply Jazz. It's the chinese spindle with the VFD, sorry I can't remember the brand but begins with an H lol (truth is I dunno how to spell it haha)
Sorry forgot to mention I'm not fussed about the speed control through Mach 3 just yet.
All I want is for the spindle to switch on when I press "start"
Haha yeah that's the one ;-) so I defiantly need a spindle board? I thought I may of been able to switch on via the uni as the instructions on the manual of the uniport don't mention the spindle board just the pic Attachment 6408
Might work... but the inrush current of the VFD might be too much for the relay on the board... its could be marginal I reckon with a 2.2kW spindle. Also it is very bad practice to start the motor by switching on the VFD! You could probably, and more safely, use the relay to control the 'soft start' input on the VFD (might be labelled 'RUN' input). Then you will have to turn the VFD on and set the speed before pressing Start on the PC...
Could you give me an idea how to do this? Is it just the case of finding the wire which enables the run command on the VFD? And wire that to the board as in the pic?
Had a word with a mate and between us think we have sussed it but give me 30mins to explain or write how to do it. It's easy thou I think.? but without vfd you'll have to do the testing.!!
Top guy(s) appreciate it!
Please make it read like a child's book as I'm new to all the electrics malarkey haha
Ok here goes.!!
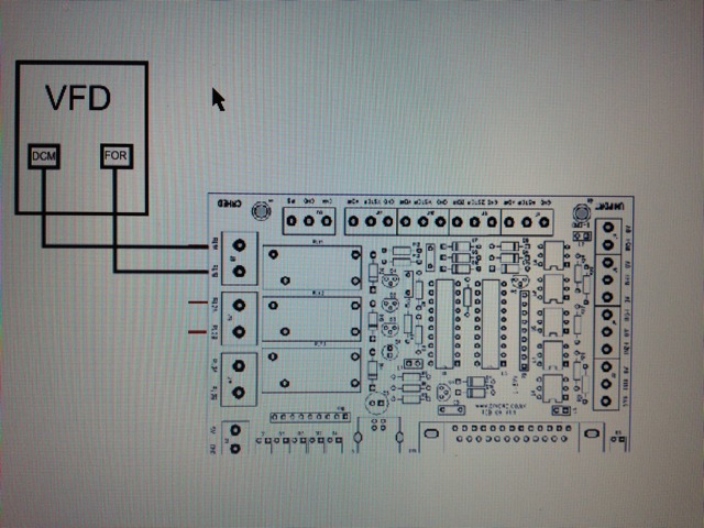
Wiring first.!
Take a wire from the DCM terminal on VFD and run thru the normally open (NO) contact of relay one(No1) on uniport and return to the FOR terminal on the VFD.
VFD Setup:
Set PD01 = 1
PD02 = 0
PD44 = 01
The speed or frequency will need to be set manuely using the key pad.
Mach setup.:
Port & pins - output signals-output#1 = port 1 pin 16
Spindle setup - relay control- untick check box
Spindle setup - relay control- clockwise (M3) output# = 1
Spindle setup - relay control- CCW (M4) output# = 2 (but wont be used)
That should be it.? You may need to toggle the active high/low in output #1 if the relay turns on when it should be off.
Then when mach see's M3 in the code it will turn the relay on which in turn lets the signal from DCM thru it's contacts to the FOR input starting the VFD untill the signal drops then it will turn off.? This will be done when Mach see M5 and turns the output off which in-turn shuts the relay off and signal drops to the VFD.
Hope it works.? ( If it does then you need to thank AudioAndy not just me.!! . . . If it doesn't work then it's all Andy's fault. . Lmao)
On holiday... hence I'm too late! Jazz has said what I would have suggested. Setting PD01 to 1 enables the external input...PD44 says which input.
Is tho correct I'm not sure what you mean by the normally open (NO) Attachment 6409
ok Jazz i will try that tomorrow afternoon when i get back from Scotland and let you know how much smoke my VFD makes :p
Thanks a lot guys!!
Hey Jazz, your "tutorial" worked perfectly!! Thanks a lot!!
However I have a couple questions.
The spindle is in the bed before it starts to spin. In other words it's the machine is doing the cycle and then the spindle comes to life - is the some sort of delay I could toggle with?
Emergency stop - when I hit the E/Stop the machine stops and there is also a delay on the spindle shutting Down, but perfect when I hit stop in Mach3. Any ideas?
Sounds like there is a delay in the VFD between receiving the start command and spinning up the spindle.. normally with Mach you'd feed spindle speed back in from a sensor so it knows when spindle is running... I dont know if there's a delay setting in Mach that would allow the spindle time to get up to speed before starting the cut. As to the delay on stop..well its not going to stop quickly anyway (inertia + plus I guess no braking resistor) and the run/stop command to the VFD will initiate a slow ramp down. there'll be settings on the VFD as to how fast to ramp down (as well as up btw).
Sounds like It will be the relay delay spinup/down settings inside Mach. Go to Ports & pins spindle setup and under the general parameters set the CW delay spinup = 0 or a low number like 1 same for CW spin down.
If that doesn't work then it's in the VFD settings but I'd ahve to go have a look at the manuel to find it.
Awesome guys thanks!
This could be that you haven't got the charge pump setup on BOB or should say override, so when Mach E-stops and drops the charge pump signal it doesn't see it and keeps going for a while.? . . . Not sure on this thou.!!
Edit: On reflection scrap that idea it wouldn't do that.!!
I ain't tried it yet just saying thanks in advance...... But now you got me thinking of it I need to go down and try it but wife ain't gona be happy #singleman = more money to spend on machine! haha
Lol. Nah that CW spin up did big do te trick. Just looking in the VFD now.....
Can't seem to find it in the manual either
Ok brain fart.!! . . just realised you actually do want a delay in the General parameters.? What it does is delay the movement commands giving the spindle time to spin up.!
So set it to 4 or 5 seconds and it should do the trick.?
Edit: Also are you sure the codes OK.? if there's Z movement commands before M3 then it won't start until Z command finish's so it will be hitting work.?
Yeah the z moves befor the spindle which I correct, but by the time it's got to its location the z is down and still has not spun up yet maybe half a second off...
Post the code or email and I'll take a look. Think you have my email if not then say and I'll PM.
It's not on a network that computer would a picture do?
Nevermind here it is ....
Quote:
( ali test )
( File created: Monday, April 22, 2002 - 03:29 AM)
( for Mach2/3 from Vectric )
( Material Size)
( X= 242.000, Y= 90.000 ,Z= 45.000)
()
(Toolpaths used in this file:)
(Pocket 1)
(Profile 1)
(Tools used in this file: )
(1 = GRC 5mm)
N110G00G21G17G90G40G49G80
N120G71G91.1
N130T1M06
N140 (GRC 5mm)
N150G00G43Z3.000H1
N160S12000M03
N170(Toolpath:- Pocket 1)
N180()
N190G94
N200X0.000Y0.000F2540.0
N210G00X-5.499Y-20.973Z3.000
N220G1X-5.499Y-20.973Z-1.000F762.0
N230G1X5.499Y-20.973Z-1.000F2540.0
N240G1X5.787Y-20.914Z-1.000
N250G1X8.713Y-19.874Z-1.000
N260G1X9.471Y-19.473Z-1.000
N270G1X-9.471Y-19.473Z-1.000
N280G1X-11.534Y-18.381Z-1.000
N290G1X-12.088Y-17.973Z-1.000
N300G1X12.088Y-17.973Z-1.000
N310G1X14.122Y-16.473Z-1.000
N320G1X-14.122Y-16.473Z-1.000
N330G1X-14.147Y-16.455Z-1.000
N340G1X-15.629Y-14.973Z-1.000
N350G1X15.629Y-14.973Z-1.000
N360G1X16.455Y-14.147Z-1.000
N370G1X16.952Y-13.473Z-1.000
N380G1X-16.952Y-13.473Z-1.000
N390G1X-18.057Y-11.973Z-1.000
N400G1X18.057Y-11.973Z-1.000
N410G1X18.381Y-11.534Z-1.000
N420G1X18.942Y-10.473Z-1.000
N430G1X-18.942Y-10.473Z-1.000
N440G1X-19.736Y-8.973Z-1.000
N450G1X19.736Y-8.973Z-1.000
N460G1X19.874Y-8.713Z-1.000
N470G1X20.315Y-7.473Z-1.000
N480G1X-20.315Y-7.473Z-1.000
N490G1X-20.848Y-5.973Z-1.000
N500G1X20.848Y-5.973Z-1.000
N510G1X20.914Y-5.787Z-1.000
N520G1X21.182Y-4.473Z-1.000
N530G1X-21.182Y-4.473Z-1.000
N540G1X-21.487Y-2.973Z-1.000
N550G1X21.487Y-2.973Z-1.000
N560G1X21.512Y-2.854Z-1.000
N570G1X21.603Y-1.473Z-1.000
N580G1X-21.603Y-1.473Z-1.000
N590G1X-21.700Y0.000Z-1.000
N600G1X-21.698Y0.027Z-1.000
N610G1X21.698Y0.027Z-1.000
N620G1X21.599Y1.527Z-1.000
N630G1X-21.599Y1.527Z-1.000
N640G1X-21.512Y2.854Z-1.000
N650G1X-21.476Y3.027Z-1.000
N660G1X21.476Y3.027Z-1.000
N670G1X21.171Y4.527Z-1.000
N680G1X-21.171Y4.527Z-1.000
N690G1X-20.914Y5.787Z-1.000
N700G1X-20.829Y6.027Z-1.000
N710G1X20.829Y6.027Z-1.000
N720G1X20.295Y7.527Z-1.000
N730G1X-20.295Y7.527Z-1.000
N740G1X-19.874Y8.713Z-1.000
N750G1X-19.708Y9.027Z-1.000
N760G1X19.708Y9.027Z-1.000
N770G1X18.914Y10.527Z-1.000
N780G1X-18.914Y10.527Z-1.000
N790G1X-18.381Y11.534Z-1.000
N800G1X-18.017Y12.027Z-1.000
N810G1X18.017Y12.027Z-1.000
N820G1X16.912Y13.527Z-1.000
N830G1X-16.912Y13.527Z-1.000
N840G1X-16.455Y14.147Z-1.000
N850G1X-15.574Y15.027Z-1.000
N860G1X15.574Y15.027Z-1.000
N870G1X14.147Y16.455Z-1.000
N880G1X14.049Y16.527Z-1.000
N890G1X-14.049Y16.527Z-1.000
N900G1X-12.014Y18.027Z-1.000
N910G1X12.014Y18.027Z-1.000
N920G1X11.534Y18.381Z-1.000
N930G1X9.368Y19.527Z-1.000
N940G1X-9.368Y19.527Z-1.000
N950G1X-8.713Y19.874Z-1.000
N960G1X-5.787Y20.914Z-1.000
N970G1X-5.232Y21.027Z-1.000
N980G1X5.232Y21.027Z-1.000
N990G00X5.232Y21.027Z3.000
N1000G00X22.000Y0.000Z3.000
N1010G1X22.000Y0.000Z-1.000F762.0
N1020G3X0.000Y22.000I-22.000J0.000F2540.0
N1030G3X-22.000Y0.000I0.000J-22.000
N1040G3X0.000Y-22.000I22.000J0.000
N1050G3X22.000Y0.000I0.000J22.000
N1060G00X22.000Y0.000Z3.000
N1070G00X-5.499Y-20.973Z3.000
N1080G1X-5.499Y-20.973Z-2.000F762.0
N1090G1X5.499Y-20.973Z-2.000F2540.0
N1100G1X5.787Y-20.914Z-2.000
N1110G1X8.713Y-19.874Z-2.000
N1120G1X9.471Y-19.473Z-2.000
N1130G1X-9.471Y-19.473Z-2.000
N1140G1X-11.534Y-18.381Z-2.000
N1150G1X-12.088Y-17.973Z-2.000
N1160G1X12.088Y-17.973Z-2.000
N1170G1X14.122Y-16.473Z-2.000
N1180G1X-14.122Y-16.473Z-2.000
N1190G1X-14.147Y-16.455Z-2.000
N1200G1X-15.629Y-14.973Z-2.000
N1210G1X15.629Y-14.973Z-2.000
N1220G1X16.455Y-14.147Z-2.000
N1230G1X16.952Y-13.473Z-2.000
N1240G1X-16.952Y-13.473Z-2.000
N1250G1X-18.057Y-11.973Z-2.000
N1260G1X18.057Y-11.973Z-2.000
N1270G1X18.381Y-11.534Z-2.000
N1280G1X18.942Y-10.473Z-2.000
N1290G1X-18.942Y-10.473Z-2.000
N1300G1X-19.736Y-8.973Z-2.000
N1310G1X19.736Y-8.973Z-2.000
N1320G1X19.874Y-8.713Z-2.000
N1330G1X20.315Y-7.473Z-2.000
N1340G1X-20.315Y-7.473Z-2.000
N1350G1X-20.848Y-5.973Z-2.000
N1360G1X20.848Y-5.973Z-2.000
N1370G1X20.914Y-5.787Z-2.000
N1380G1X21.182Y-4.473Z-2.000
N1390G1X-21.182Y-4.473Z-2.000
N1400G1X-21.487Y-2.973Z-2.000
N1410G1X21.487Y-2.973Z-2.000
N1420G1X21.512Y-2.854Z-2.000
N1430G1X21.603Y-1.473Z-2.000
N1440G1X-21.603Y-1.473Z-2.000
N1450G1X-21.700Y0.000Z-2.000
N1460G1X-21.698Y0.027Z-2.000
N1470G1X21.698Y0.027Z-2.000
N1480G1X21.599Y1.527Z-2.000
N1490G1X-21.599Y1.527Z-2.000
N1500G1X-21.512Y2.854Z-2.000
N1510G1X-21.476Y3.027Z-2.000
N1520G1X21.476Y3.027Z-2.000
N1530G1X21.171Y4.527Z-2.000
N1540G1X-21.171Y4.527Z-2.000
N1550G1X-20.914Y5.787Z-2.000
N1560G1X-20.829Y6.027Z-2.000
N1570G1X20.829Y6.027Z-2.000
N1580G1X20.295Y7.527Z-2.000
N1590G1X-20.295Y7.527Z-2.000
N1600G1X-19.874Y8.713Z-2.000
N1610G1X-19.708Y9.027Z-2.000
N1620G1X19.708Y9.027Z-2.000
N1630G1X18.914Y10.527Z-2.000
N1640G1X-18.914Y10.527Z-2.000
N1650G1X-18.381Y11.534Z-2.000
N1660G1X-18.017Y12.027Z-2.000
N1670G1X18.017Y12.027Z-2.000
N1680G1X16.912Y13.527Z-2.000
N1690G1X-16.912Y13.527Z-2.000
N1700G1X-16.455Y14.147Z-2.000
N1710G1X-15.574Y15.027Z-2.000
N1720G1X15.574Y15.027Z-2.000
N1730G1X14.147Y16.455Z-2.000
N1740G1X14.049Y16.527Z-2.000
N1750G1X-14.049Y16.527Z-2.000
N1760G1X-12.014Y18.027Z-2.000
N1770G1X12.014Y18.027Z-2.000
N1780G1X11.534Y18.381Z-2.000
N1790G1X9.368Y19.527Z-2.000
N1800G1X-9.368Y19.527Z-2.000
N1810G1X-8.713Y19.874Z-2.000
N1820G1X-5.787Y20.914Z-2.000
N1830G1X-5.232Y21.027Z-2.000
N1840G1X5.232Y21.027Z-2.000
N1850G00X5.232Y21.027Z3.000
N1860G00X22.000Y0.000Z3.000
N1870G1X22.000Y0.000Z-2.000F762.0
N1880G3X0.000Y22.000I-22.000J0.000F2540.0
N1890G3X-22.000Y0.000I0.000J-22.000
N1900G3X0.000Y-22.000I22.000J0.000
N1910G3X22.000Y0.000I0.000J22.000
N1920G00X22.000Y0.000Z3.000
N1930G00X-5.499Y-20.973Z3.000
N1940G1X-5.499Y-20.973Z-3.000F762.0
N1950G1X5.499Y-20.973Z-3.000F2540.0
N1960G1X5.787Y-20.914Z-3.000
N1970G1X8.713Y-19.874Z-3.000
N1980G1X9.471Y-19.473Z-3.000
N1990G1X-9.471Y-19.473Z-3.000
N2000G1X-11.534Y-18.381Z-3.000
N2010G1X-12.088Y-17.973Z-3.000
N2020G1X12.088Y-17.973Z-3.000
N2030G1X14.122Y-16.473Z-3.000
N2040G1X-14.122Y-16.473Z-3.000
N2050G1X-14.147Y-16.455Z-3.000
N2060G1X-15.629Y-14.973Z-3.000
N2070G1X15.629Y-14.973Z-3.000
N2080G1X16.455Y-14.147Z-3.000
N2090G1X16.952Y-13.473Z-3.000
N2100G1X-16.952Y-13.473Z-3.000
N2110G1X-18.057Y-11.973Z-3.000
N2120G1X18.057Y-11.973Z-3.000
N2130G1X18.381Y-11.534Z-3.000
N2140G1X18.942Y-10.473Z-3.000
N2150G1X-18.942Y-10.473Z-3.000
N2160G1X-19.736Y-8.973Z-3.000
N2170G1X19.736Y-8.973Z-3.000
N2180G1X19.874Y-8.713Z-3.000
N2190G1X20.315Y-7.473Z-3.000
N2200G1X-20.315Y-7.473Z-3.000
N2210G1X-20.848Y-5.973Z-3.000
N2220G1X20.848Y-5.973Z-3.000
N2230G1X20.914Y-5.787Z-3.000
N2240G1X21.182Y-4.473Z-3.000
N2250G1X-21.182Y-4.473Z-3.000
N2260G1X-21.487Y-2.973Z-3.000
N2270G1X21.487Y-2.973Z-3.000
N2280G1X21.512Y-2.854Z-3.000
N2290G1X21.603Y-1.473Z-3.000
N2300G1X-21.603Y-1.473Z-3.000
N2310G1X-21.700Y0.000Z-3.000
N2320G1X-21.698Y0.027Z-3.000
N2330G1X21.698Y0.027Z-3.000
N2340G1X21.599Y1.527Z-3.000
N2350G1X-21.599Y1.527Z-3.000
N2360G1X-21.512Y2.854Z-3.000
N2370G1X-21.476Y3.027Z-3.000
N2380G1X21.476Y3.027Z-3.000
N2390G1X21.171Y4.527Z-3.000
N2400G1X-21.171Y4.527Z-3.000
N2410G1X-20.914Y5.787Z-3.000
N2420G1X-20.829Y6.027Z-3.000
N2430G1X20.829Y6.027Z-3.000
N2440G1X20.295Y7.527Z-3.000
N2450G1X-20.295Y7.527Z-3.000
N2460G1X-19.874Y8.713Z-3.000
N2470G1X-19.708Y9.027Z-3.000
N2480G1X19.708Y9.027Z-3.000
N2490G1X18.914Y10.527Z-3.000
N2500G1X-18.914Y10.527Z-3.000
N2510G1X-18.381Y11.534Z-3.000
N2520G1X-18.017Y12.027Z-3.000
N2530G1X18.017Y12.027Z-3.000
N2540G1X16.912Y13.527Z-3.000
N2550G1X-16.912Y13.527Z-3.000
N2560G1X-16.455Y14.147Z-3.000
N2570G1X-15.574Y15.027Z-3.000
N2580G1X15.574Y15.027Z-3.000
N2590G1X14.147Y16.455Z-3.000
N2600G1X14.049Y16.527Z-3.000
N2610G1X-14.049Y16.527Z-3.000
N2620G1X-12.014Y18.027Z-3.000
N2630G1X12.014Y18.027Z-3.000
N2640G1X11.534Y18.381Z-3.000
N2650G1X9.368Y19.527Z-3.000
N2660G1X-9.368Y19.527Z-3.000
N2670G1X-8.713Y19.874Z-3.000
N2680G1X-5.787Y20.914Z-3.000
N2690G1X-5.232Y21.027Z-3.000
N2700G1X5.232Y21.027Z-3.000
N2710G00X5.232Y21.027Z3.000
N2720G00X22.000Y0.000Z3.000
N2730G1X22.000Y0.000Z-3.000F762.0
N2740G3X0.000Y22.000I-22.000J0.000F2540.0
N2750G3X-22.000Y0.000I0.000J-22.000
N2760G3X0.000Y-22.000I22.000J0.000
N2770G3X22.000Y0.000I0.000J22.000
N2780G00X22.000Y0.000Z3.000
N2790G00X-5.499Y-20.973Z3.000
N2800G1X-5.499Y-20.973Z-4.000F762.0
N2810G1X5.499Y-20.973Z-4.000F2540.0
N2820G1X5.787Y-20.914Z-4.000
N2830G1X8.713Y-19.874Z-4.000
N2840G1X9.471Y-19.473Z-4.000
N2850G1X-9.471Y-19.473Z-4.000
N2860G1X-11.534Y-18.381Z-4.000
N2870G1X-12.088Y-17.973Z-4.000
N2880G1X12.088Y-17.973Z-4.000
N2890G1X14.122Y-16.473Z-4.000
N2900G1X-14.122Y-16.473Z-4.000
N2910G1X-14.147Y-16.455Z-4.000
N2920G1X-15.629Y-14.973Z-4.000
N2930G1X15.629Y-14.973Z-4.000
N2940G1X16.455Y-14.147Z-4.000
N2950G1X16.952Y-13.473Z-4.000
N2960G1X-16.952Y-13.473Z-4.000
N2970G1X-18.057Y-11.973Z-4.000
N2980G1X18.057Y-11.973Z-4.000
N2990G1X18.381Y-11.534Z-4.000
N3000G1X18.942Y-10.473Z-4.000
N3010G1X-18.942Y-10.473Z-4.000
N3020G1X-19.736Y-8.973Z-4.000
N3030G1X19.736Y-8.973Z-4.000
N3040G1X19.874Y-8.713Z-4.000
N3050G1X20.315Y-7.473Z-4.000
N3060G1X-20.315Y-7.473Z-4.000
N3070G1X-20.848Y-5.973Z-4.000
N3080G1X20.848Y-5.973Z-4.000
N3090G1X20.914Y-5.787Z-4.000
N3100G1X21.182Y-4.473Z-4.000
N3110G1X-21.182Y-4.473Z-4.000
N3120G1X-21.487Y-2.973Z-4.000
N3130G1X21.487Y-2.973Z-4.000
N3140G1X21.512Y-2.854Z-4.000
N3150G1X21.603Y-1.473Z-4.000
N3160G1X-21.603Y-1.473Z-4.000
N3170G1X-21.700Y0.000Z-4.000
N3180G1X-21.698Y0.027Z-4.000
N3190G1X21.698Y0.027Z-4.000
N3200G1X21.599Y1.527Z-4.000
N3210G1X-21.599Y1.527Z-4.000
N3220G1X-21.512Y2.854Z-4.000
N3230G1X-21.476Y3.027Z-4.000
N3240G1X21.476Y3.027Z-4.000
N3250G1X21.171Y4.527Z-4.000
N3260G1X-21.171Y4.527Z-4.000
N3270G1X-20.914Y5.787Z-4.000
N3280G1X-20.829Y6.027Z-4.000
N3290G1X20.829Y6.027Z-4.000
N3300G1X20.295Y7.527Z-4.000
N3310G1X-20.295Y7.527Z-4.000
N3320G1X-19.874Y8.713Z-4.000
N3330G1X-19.708Y9.027Z-4.000
N3340G1X19.708Y9.027Z-4.000
N3350G1X18.914Y10.527Z-4.000
N3360G1X-18.914Y10.527Z-4.000
N3370G1X-18.381Y11.534Z-4.000
N3380G1X-18.017Y12.027Z-4.000
N3390G1X18.017Y12.027Z-4.000
N3400G1X16.912Y13.527Z-4.000
N3410G1X-16.912Y13.527Z-4.000
N3420G1X-16.455Y14.147Z-4.000
N3430G1X-15.574Y15.027Z-4.000
N3440G1X15.574Y15.027Z-4.000
N3450G1X14.147Y16.455Z-4.000
N3460G1X14.049Y16.527Z-4.000
N3470G1X-14.049Y16.527Z-4.000
N3480G1X-12.014Y18.027Z-4.000
N3490G1X12.014Y18.027Z-4.000
N3500G1X11.534Y18.381Z-4.000
N3510G1X9.368Y19.527Z-4.000
N3520G1X-9.368Y19.527Z-4.000
N3530G1X-8.713Y19.874Z-4.000
N3540G1X-5.787Y20.914Z-4.000
N3550G1X-5.232Y21.027Z-4.000
N3560G1X5.232Y21.027Z-4.000
N3570G00X5.232Y21.027Z3.000
N3580G00X22.000Y0.000Z3.000
N3590G1X22.000Y0.000Z-4.000F762.0
N3600G3X0.000Y22.000I-22.000J0.000F2540.0
N3610G3X-22.000Y0.000I0.000J-22.000
N3620G3X0.000Y-22.000I22.000J0.000
N3630G3X22.000Y0.000I0.000J22.000
N3640G00X22.000Y0.000Z3.000
N3650G00X-5.499Y-20.973Z3.000
N3660G1X-5.499Y-20.973Z-5.000F762.0
N3670G1X5.499Y-20.973Z-5.000F2540.0
N3680G1X5.787Y-20.914Z-5.000
N3690G1X8.713Y-19.874Z-5.000
N3700G1X9.471Y-19.473Z-5.000
N3710G1X-9.471Y-19.473Z-5.000
N3720G1X-11.534Y-18.381Z-5.000
N3730G1X-12.088Y-17.973Z-5.000
N3740G1X12.088Y-17.973Z-5.000
N3750G1X14.122Y-16.473Z-5.000
N3760G1X-14.122Y-16.473Z-5.000
N3770G1X-14.147Y-16.455Z-5.000
N3780G1X-15.629Y-14.973Z-5.000
N3790G1X15.629Y-14.973Z-5.000
N3800G1X16.455Y-14.147Z-5.000
N3810G1X16.952Y-13.473Z-5.000
N3820G1X-16.952Y-13.473Z-5.000
N3830G1X-18.057Y-11.973Z-5.000
N3840G1X18.057Y-11.973Z-5.000
N3850G1X18.381Y-11.534Z-5.000
N3860G1X18.942Y-10.473Z-5.000
N3870G1X-18.942Y-10.473Z-5.000
N3880G1X-19.736Y-8.973Z-5.000
N3890G1X19.736Y-8.973Z-5.000
N3900G1X19.874Y-8.713Z-5.000
N3910G1X20.315Y-7.473Z-5.000
N3920G1X-20.315Y-7.473Z-5.000
N3930G1X-20.848Y-5.973Z-5.000
N3940G1X20.848Y-5.973Z-5.000
N3950G1X20.914Y-5.787Z-5.000
N3960G1X21.182Y-4.473Z-5.000
N3970G1X-21.182Y-4.473Z-5.000
N3980G1X-21.487Y-2.973Z-5.000
N3990G1X21.487Y-2.973Z-5.000
N4000G1X21.512Y-2.854Z-5.000
N4010G1X21.603Y-1.473Z-5.000
N4020G1X-21.603Y-1.473Z-5.000
N4030G1X-21.700Y0.000Z-5.000
N4040G1X-21.698Y0.027Z-5.000
N4050G1X21.698Y0.027Z-5.000
N4060G1X21.599Y1.527Z-5.000
N4070G1X-21.599Y1.527Z-5.000
N4080G1X-21.512Y2.854Z-5.000
N4090G1X-21.476Y3.027Z-5.000
N4100G1X21.476Y3.027Z-5.000
N4110G1X21.171Y4.527Z-5.000
N4120G1X-21.171Y4.527Z-5.000
N4130G1X-20.914Y5.787Z-5.000
N4140G1X-20.829Y6.027Z-5.000
N4150G1X20.829Y6.027Z-5.000
N4160G1X20.295Y7.527Z-5.000
N4170G1X-20.295Y7.527Z-5.000
N4180G1X-19.874Y8.713Z-5.000
N4190G1X-19.708Y9.027Z-5.000
N4200G1X19.708Y9.027Z-5.000
N4210G1X18.914Y10.527Z-5.000
N4220G1X-18.914Y10.527Z-5.000
N4230G1X-18.381Y11.534Z-5.000
N4240G1X-18.017Y12.027Z-5.000
N4250G1X18.017Y12.027Z-5.000
N4260G1X16.912Y13.527Z-5.000
N4270G1X-16.912Y13.527Z-5.000
N4280G1X-16.455Y14.147Z-5.000
N4290G1X-15.574Y15.027Z-5.000
N4300G1X15.574Y15.027Z-5.000
N4310G1X14.147Y16.455Z-5.000
N4320G1X14.049Y16.527Z-5.000
N4330G1X-14.049Y16.527Z-5.000
N4340G1X-12.014Y18.027Z-5.000
N4350G1X12.014Y18.027Z-5.000
N4360G1X11.534Y18.381Z-5.000
N4370G1X9.368Y19.527Z-5.000
N4380G1X-9.368Y19.527Z-5.000
N4390G1X-8.713Y19.874Z-5.000
N4400G1X-5.787Y20.914Z-5.000
N4410G1X-5.232Y21.027Z-5.000
N4420G1X5.232Y21.027Z-5.000
N4430G00X5.232Y21.027Z3.000
N4440G00X22.000Y0.000Z3.000
N4450G1X22.000Y0.000Z-5.000F762.0
N4460G3X0.000Y22.000I-22.000J0.000F2540.0
N4470G3X-22.000Y0.000I0.000J-22.000
N4480G3X0.000Y-22.000I22.000J0.000
N4490G3X22.000Y0.000I0.000J22.000
N4500G00X22.000Y0.000Z3.000
N4510G00X-5.499Y-20.973Z3.000
N4520G1X-5.499Y-20.973Z-6.000F762.0
N4530G1X5.499Y-20.973Z-6.000F2540.0
N4540G1X5.787Y-20.914Z-6.000
N4550G1X8.713Y-19.874Z-6.000
N4560G1X9.471Y-19.473Z-6.000
N4570G1X-9.471Y-19.473Z-6.000
N4580G1X-11.534Y-18.381Z-6.000
N4590G1X-12.088Y-17.973Z-6.000
N4600G1X12.088Y-17.973Z-6.000
N4610G1X14.122Y-16.473Z-6.000
N4620G1X-14.122Y-16.473Z-6.000
N4630G1X-14.147Y-16.455Z-6.000
N4640G1X-15.629Y-14.973Z-6.000
N4650G1X15.629Y-14.973Z-6.000
N4660G1X16.455Y-14.147Z-6.000
N4670G1X16.952Y-13.473Z-6.000
N4680G1X-16.952Y-13.473Z-6.000
N4690G1X-18.057Y-11.973Z-6.000
N4700G1X18.057Y-11.973Z-6.000
N4710G1X18.381Y-11.534Z-6.000
N4720G1X18.942Y-10.473Z-6.000
N4730G1X-18.942Y-10.473Z-6.000
N4740G1X-19.736Y-8.973Z-6.000
N4750G1X19.736Y-8.973Z-6.000
N4760G1X19.874Y-8.713Z-6.000
N4770G1X20.315Y-7.473Z-6.000
N4780G1X-20.315Y-7.473Z-6.000
N4790G1X-20.848Y-5.973Z-6.000
N4800G1X20.848Y-5.973Z-6.000
N4810G1X20.914Y-5.787Z-6.000
N4820G1X21.182Y-4.473Z-6.000
N4830G1X-21.182Y-4.473Z-6.000
N4840G1X-21.487Y-2.973Z-6.000
N4850G1X21.487Y-2.973Z-6.000
N4860G1X21.512Y-2.854Z-6.000
N4870G1X21.603Y-1.473Z-6.000
N4880G1X-21.603Y-1.473Z-6.000
N4890G1X-21.700Y0.000Z-6.000
N4900G1X-21.698Y0.027Z-6.000
N4910G1X21.698Y0.027Z-6.000
N4920G1X21.599Y1.527Z-6.000
N4930G1X-21.599Y1.527Z-6.000
N4940G1X-21.512Y2.854Z-6.000
N4950G1X-21.476Y3.027Z-6.000
N4960G1X21.476Y3.027Z-6.000
N4970G1X21.171Y4.527Z-6.000
N4980G1X-21.171Y4.527Z-6.000
N4990G1X-20.914Y5.787Z-6.000
N5000G1X-20.829Y6.027Z-6.000
N5010G1X20.829Y6.027Z-6.000
N5020G1X20.295Y7.527Z-6.000
N5030G1X-20.295Y7.527Z-6.000
N5040G1X-19.874Y8.713Z-6.000
N5050G1X-19.708Y9.027Z-6.000
N5060G1X19.708Y9.027Z-6.000
N5070G1X18.914Y10.527Z-6.000
N5080G1X-18.914Y10.527Z-6.000
N5090G1X-18.381Y11.534Z-6.000
N5100G1X-18.017Y12.027Z-6.000
N5110G1X18.017Y12.027Z-6.000
N5120G1X16.912Y13.527Z-6.000
N5130G1X-16.912Y13.527Z-6.000
N5140G1X-16.455Y14.147Z-6.000
N5150G1X-15.574Y15.027Z-6.000
N5160G1X15.574Y15.027Z-6.000
N5170G1X14.147Y16.455Z-6.000
N5180G1X14.049Y16.527Z-6.000
N5190G1X-14.049Y16.527Z-6.000
N5200G1X-12.014Y18.027Z-6.000
N5210G1X12.014Y18.027Z-6.000
N5220G1X11.534Y18.381Z-6.000
N5230G1X9.368Y19.527Z-6.000
N5240G1X-9.368Y19.527Z-6.000
N5250G1X-8.713Y19.874Z-6.000
N5260G1X-5.787Y20.914Z-6.000
N5270G1X-5.232Y21.027Z-6.000
N5280G1X5.232Y21.027Z-6.000
N5290G00X5.232Y21.027Z3.000
N5300G00X22.000Y0.000Z3.000
N5310G1X22.000Y0.000Z-6.000F762.0
N5320G3X0.000Y22.000I-22.000J0.000F2540.0
N5330G3X-22.000Y0.000I0.000J-22.000
N5340G3X0.000Y-22.000I22.000J0.000
N5350G3X22.000Y0.000I0.000J22.000
N5360G00X22.000Y0.000Z3.000
N5370G00X-5.499Y-20.973Z3.000
N5380G1X-5.499Y-20.973Z-7.000F762.0
N5390G1X5.499Y-20.973Z-7.000F2540.0
N5400G1X5.787Y-20.914Z-7.000
N5410G1X8.713Y-19.874Z-7.000
N5420G1X9.471Y-19.473Z-7.000
N5430G1X-9.471Y-19.473Z-7.000
N5440G1X-11.534Y-18.381Z-7.000
N5450G1X-12.088Y-17.973Z-7.000
N5460G1X12.088Y-17.973Z-7.000
N5470G1X14.122Y-16.473Z-7.000
N5480G1X-14.122Y-16.473Z-7.000
N5490G1X-14.147Y-16.455Z-7.000
N5500G1X-15.629Y-14.973Z-7.000
N5510G1X15.629Y-14.973Z-7.000
N5520G1X16.455Y-14.147Z-7.000
N5530G1X16.952Y-13.473Z-7.000
N5540G1X-16.952Y-13.473Z-7.000
N5550G1X-18.057Y-11.973Z-7.000
N5560G1X18.057Y-11.973Z-7.000
N5570G1X18.381Y-11.534Z-7.000
N5580G1X18.942Y-10.473Z-7.000
N5590G1X-18.942Y-10.473Z-7.000
N5600G1X-19.736Y-8.973Z-7.000
N5610G1X19.736Y-8.973Z-7.000
N5620G1X19.874Y-8.713Z-7.000
N5630G1X20.315Y-7.473Z-7.000
N5640G1X-20.315Y-7.473Z-7.000
N5650G1X-20.848Y-5.973Z-7.000
N5660G1X20.848Y-5.973Z-7.000
N5670G1X20.914Y-5.787Z-7.000
N5680G1X21.182Y-4.473Z-7.000
N5690G1X-21.182Y-4.473Z-7.000
N5700G1X-21.487Y-2.973Z-7.000
N5710G1X21.487Y-2.973Z-7.000
N5720G1X21.512Y-2.854Z-7.000
N5730G1X21.603Y-1.473Z-7.000
N5740G1X-21.603Y-1.473Z-7.000
N5750G1X-21.700Y0.000Z-7.000
N5760G1X-21.698Y0.027Z-7.000
N5770G1X21.698Y0.027Z-7.000
N5780G1X21.599Y1.527Z-7.000
N5790G1X-21.599Y1.527Z-7.000
N5800G1X-21.512Y2.854Z-7.000
N5810G1X-21.476Y3.027Z-7.000
N5820G1X21.476Y3.027Z-7.000
N5830G1X21.171Y4.527Z-7.000
N5840G1X-21.171Y4.527Z-7.000
N5850G1X-20.914Y5.787Z-7.000
N5860G1X-20.829Y6.027Z-7.000
N5870G1X20.829Y6.027Z-7.000
N5880G1X20.295Y7.527Z-7.000
N5890G1X-20.295Y7.527Z-7.000
N5900G1X-19.874Y8.713Z-7.000
N5910G1X-19.708Y9.027Z-7.000
N5920G1X19.708Y9.027Z-7.000
N5930G1X18.914Y10.527Z-7.000
N5940G1X-18.914Y10.527Z-7.000
N5950G1X-18.381Y11.534Z-7.000
N5960G1X-18.017Y12.027Z-7.000
N5970G1X18.017Y12.027Z-7.000
N5980G1X16.912Y13.527Z-7.000
N5990G1X-16.912Y13.527Z-7.000
N6000G1X-16.455Y14.147Z-7.000
N6010G1X-15.574Y15.027Z-7.000
N6020G1X15.574Y15.027Z-7.000
N6030G1X14.147Y16.455Z-7.000
N6040G1X14.049Y16.527Z-7.000
N6050G1X-14.049Y16.527Z-7.000
N6060G1X-12.014Y18.027Z-7.000
N6070G1X12.014Y18.027Z-7.000
N6080G1X11.534Y18.381Z-7.000
N6090G1X9.368Y19.527Z-7.000
N6100G1X-9.368Y19.527Z-7.000
N6110G1X-8.713Y19.874Z-7.000
N6120G1X-5.787Y20.914Z-7.000
N6130G1X-5.232Y21.027Z-7.000
N6140G1X5.232Y21.027Z-7.000
N6150G00X5.232Y21.027Z3.000
N6160G00X22.000Y0.000Z3.000
N6170G1X22.000Y0.000Z-7.000F762.0
N6180G3X0.000Y22.000I-22.000J0.000F2540.0
N6190G3X-22.000Y0.000I0.000J-22.000
N6200G3X0.000Y-22.000I22.000J0.000
N6210G3X22.000Y0.000I0.000J22.000
N6220G00X22.000Y0.000Z3.000
N6230G00X-5.499Y-20.973Z3.000
N6240G1X-5.499Y-20.973Z-8.000F762.0
N6250G1X5.499Y-20.973Z-8.000F2540.0
N6260G1X5.787Y-20.914Z-8.000
N6270G1X8.713Y-19.874Z-8.000
N6280G1X9.471Y-19.473Z-8.000
N6290G1X-9.471Y-19.473Z-8.000
N6300G1X-11.534Y-18.381Z-8.000
N6310G1X-12.088Y-17.973Z-8.000
N6320G1X12.088Y-17.973Z-8.000
N6330G1X14.122Y-16.473Z-8.000
N6340G1X-14.122Y-16.473Z-8.000
N6350G1X-14.147Y-16.455Z-8.000
N6360G1X-15.629Y-14.973Z-8.000
N6370G1X15.629Y-14.973Z-8.000
N6380G1X16.455Y-14.147Z-8.000
N6390G1X16.952Y-13.473Z-8.000
N6400G1X-16.952Y-13.473Z-8.000
N6410G1X-18.057Y-11.973Z-8.000
N6420G1X18.057Y-11.973Z-8.000
N6430G1X18.381Y-11.534Z-8.000
N6440G1X18.942Y-10.473Z-8.000
N6450G1X-18.942Y-10.473Z-8.000
N6460G1X-19.736Y-8.973Z-8.000
N6470G1X19.736Y-8.973Z-8.000
N6480G1X19.874Y-8.713Z-8.000
N6490G1X20.315Y-7.473Z-8.000
N6500G1X-20.315Y-7.473Z-8.000
N6510G1X-20.848Y-5.973Z-8.000
N6520G1X20.848Y-5.973Z-8.000
N6530G1X20.914Y-5.787Z-8.000
N6540G1X21.182Y-4.473Z-8.000
N6550G1X-21.182Y-4.473Z-8.000
N6560G1X-21.487Y-2.973Z-8.000
N6570G1X21.487Y-2.973Z-8.000
N6580G1X21.512Y-2.854Z-8.000
N6590G1X21.603Y-1.473Z-8.000
N6600G1X-21.603Y-1.473Z-8.000
N6610G1X-21.700Y0.000Z-8.000
N6620G1X-21.698Y0.027Z-8.000
N6630G1X21.698Y0.027Z-8.000
N6640G1X21.599Y1.527Z-8.000
N6650G1X-21.599Y1.527Z-8.000
N6660G1X-21.512Y2.854Z-8.000
N6670G1X-21.476Y3.027Z-8.000
N6680G1X21.476Y3.027Z-8.000
N6690G1X21.171Y4.527Z-8.000
N6700G1X-21.171Y4.527Z-8.000
N6710G1X-20.914Y5.787Z-8.000
N6720G1X-20.829Y6.027Z-8.000
N6730G1X20.829Y6.027Z-8.000
N6740G1X20.295Y7.527Z-8.000
N6750G1X-20.295Y7.527Z-8.000
N6760G1X-19.874Y8.713Z-8.000
N6770G1X-19.708Y9.027Z-8.000
N6780G1X19.708Y9.027Z-8.000
N6790G1X18.914Y10.527Z-8.000
N6800G1X-18.914Y10.527Z-8.000
N6810G1X-18.381Y11.534Z-8.000
N6820G1X-18.017Y12.027Z-8.000
N6830G1X18.017Y12.027Z-8.000
N6840G1X16.912Y13.527Z-8.000
N6850G1X-16.912Y13.527Z-8.000
N6860G1X-16.455Y14.147Z-8.000
N6870G1X-15.574Y15.027Z-8.000
N6880G1X15.574Y15.027Z-8.000
N6890G1X14.147Y16.455Z-8.000
N6900G1X14.049Y16.527Z-8.000
N6910G1X-14.049Y16.527Z-8.000
N6920G1X-12.014Y18.027Z-8.000
N6930G1X12.014Y18.027Z-8.000
N6940G1X11.534Y18.381Z-8.000
N6950G1X9.368Y19.527Z-8.000
N6960G1X-9.368Y19.527Z-8.000
N6970G1X-8.713Y19.874Z-8.000
N6980G1X-5.787Y20.914Z-8.000
N6990G1X-5.232Y21.027Z-8.000
N7000G1X5.232Y21.027Z-8.000
N7010G00X5.232Y21.027Z3.000
N7020G00X22.000Y0.000Z3.000
N7030G1X22.000Y0.000Z-8.000F762.0
N7040G3X0.000Y22.000I-22.000J0.000F2540.0
N7050G3X-22.000Y0.000I0.000J-22.000
N7060G3X0.000Y-22.000I22.000J0.000
N7070G3X22.000Y0.000I0.000J22.000
N7080G00X22.000Y0.000Z3.000
N7090G00X-5.499Y-20.973Z3.000
N7100G1X-5.499Y-20.973Z-9.000F762.0
N7110G1X5.499Y-20.973Z-9.000F2540.0
N7120G1X5.787Y-20.914Z-9.000
N7130G1X8.713Y-19.874Z-9.000
N7140G1X9.471Y-19.473Z-9.000
N7150G1X-9.471Y-19.473Z-9.000
N7160G1X-11.534Y-18.381Z-9.000
N7170G1X-12.088Y-17.973Z-9.000
N7180G1X12.088Y-17.973Z-9.000
N7190G1X14.122Y-16.473Z-9.000
N7200G1X-14.122Y-16.473Z-9.000
N7210G1X-14.147Y-16.455Z-9.000
N7220G1X-15.629Y-14.973Z-9.000
N7230G1X15.629Y-14.973Z-9.000
N7240G1X16.455Y-14.147Z-9.000
N7250G1X16.952Y-13.473Z-9.000
N7260G1X-16.952Y-13.473Z-9.000
N7270G1X-18.057Y-11.973Z-9.000
N7280G1X18.057Y-11.973Z-9.000
N7290G1X18.381Y-11.534Z-9.000
N7300G1X18.942Y-10.473Z-9.000
N7310G1X-18.942Y-10.473Z-9.000
N7320G1X-19.736Y-8.973Z-9.000
N7330G1X19.736Y-8.973Z-9.000
N7340G1X19.874Y-8.713Z-9.000
N7350G1X20.315Y-7.473Z-9.000
N7360G1X-20.315Y-7.473Z-9.000
N7370G1X-20.848Y-5.973Z-9.000
N7380G1X20.848Y-5.973Z-9.000
N7390G1X20.914Y-5.787Z-9.000
N7400G1X21.182Y-4.473Z-9.000
N7410G1X-21.182Y-4.473Z-9.000
N7420G1X-21.487Y-2.973Z-9.000
N7430G1X21.487Y-2.973Z-9.000
N7440G1X21.512Y-2.854Z-9.000
N7450G1X21.603Y-1.473Z-9.000
N7460G1X-21.603Y-1.473Z-9.000
N7470G1X-21.700Y0.000Z-9.000
N7480G1X-21.698Y0.027Z-9.000
N7490G1X21.698Y0.027Z-9.000
N7500G1X21.599Y1.527Z-9.000
N7510G1X-21.599Y1.527Z-9.000
N7520G1X-21.512Y2.854Z-9.000
N7530G1X-21.476Y3.027Z-9.000
N7540G1X21.476Y3.027Z-9.000
N7550G1X21.171Y4.527Z-9.000
N7560G1X-21.171Y4.527Z-9.000
N7570G1X-20.914Y5.787Z-9.000
N7580G1X-20.829Y6.027Z-9.000
N7590G1X20.829Y6.027Z-9.000
N7600G1X20.295Y7.527Z-9.000
N7610G1X-20.295Y7.527Z-9.000
N7620G1X-19.874Y8.713Z-9.000
N7630G1X-19.708Y9.027Z-9.000
N7640G1X19.708Y9.027Z-9.000
N7650G1X18.914Y10.527Z-9.000
N7660G1X-18.914Y10.527Z-9.000
N7670G1X-18.381Y11.534Z-9.000
N7680G1X-18.017Y12.027Z-9.000
N7690G1X18.017Y12.027Z-9.000
N7700G1X16.912Y13.527Z-9.000
N7710G1X-16.912Y13.527Z-9.000
N7720G1X-16.455Y14.147Z-9.000
N7730G1X-15.574Y15.027Z-9.000
N7740G1X15.574Y15.027Z-9.000
N7750G1X14.147Y16.455Z-9.000
N7760G1X14.049Y16.527Z-9.000
N7770G1X-14.049Y16.527Z-9.000
N7780G1X-12.014Y18.027Z-9.000
N7790G1X12.014Y18.027Z-9.000
N7800G1X11.534Y18.381Z-9.000
N7810G1X9.368Y19.527Z-9.000
N7820G1X-9.368Y19.527Z-9.000
N7830G1X-8.713Y19.874Z-9.000
N7840G1X-5.787Y20.914Z-9.000
N7850G1X-5.232Y21.027Z-9.000
N7860G1X5.232Y21.027Z-9.000
N7870G00X5.232Y21.027Z3.000
N7880G00X22.000Y0.000Z3.000
N7890G1X22.000Y0.000Z-9.000F762.0
N7900G3X0.000Y22.000I-22.000J0.000F2540.0
N7910G3X-22.000Y0.000I0.000J-22.000
N7920G3X0.000Y-22.000I22.000J0.000
N7930G3X22.000Y0.000I0.000J22.000
N7940G00X22.000Y0.000Z3.000
N7950G00X-5.499Y-20.973Z3.000
N7960G1X-5.499Y-20.973Z-10.000F762.0
N7970G1X5.499Y-20.973Z-10.000F2540.0
N7980G1X5.787Y-20.914Z-10.000
N7990G1X8.713Y-19.874Z-10.000
N8000G1X9.471Y-19.473Z-10.000
N8010G1X-9.471Y-19.473Z-10.000
N8020G1X-11.534Y-18.381Z-10.000
N8030G1X-12.088Y-17.973Z-10.000
N8040G1X12.088Y-17.973Z-10.000
N8050G1X14.122Y-16.473Z-10.000
N8060G1X-14.122Y-16.473Z-10.000
N8070G1X-14.147Y-16.455Z-10.000
N8080G1X-15.629Y-14.973Z-10.000
N8090G1X15.629Y-14.973Z-10.000
N8100G1X16.455Y-14.147Z-10.000
N8110G1X16.952Y-13.473Z-10.000
N8120G1X-16.952Y-13.473Z-10.000
N8130G1X-18.057Y-11.973Z-10.000
N8140G1X18.057Y-11.973Z-10.000
N8150G1X18.381Y-11.534Z-10.000
N8160G1X18.942Y-10.473Z-10.000
N8170G1X-18.942Y-10.473Z-10.000
N8180G1X-19.736Y-8.973Z-10.000
N8190G1X19.736Y-8.973Z-10.000
N8200G1X19.874Y-8.713Z-10.000
N8210G1X20.315Y-7.473Z-10.000
N8220G1X-20.315Y-7.473Z-10.000
N8230G1X-20.848Y-5.973Z-10.000
N8240G1X20.848Y-5.973Z-10.000
N8250G1X20.914Y-5.787Z-10.000
N8260G1X21.182Y-4.473Z-10.000
N8270G1X-21.182Y-4.473Z-10.000
N8280G1X-21.487Y-2.973Z-10.000
N8290G1X21.487Y-2.973Z-10.000
N8300G1X21.512Y-2.854Z-10.000
N8310G1X21.603Y-1.473Z-10.000
N8320G1X-21.603Y-1.473Z-10.000
N8330G1X-21.700Y0.000Z-10.000
N8340G1X-21.698Y0.027Z-10.000
N8350G1X21.698Y0.027Z-10.000
N8360G1X21.599Y1.527Z-10.000
N8370G1X-21.599Y1.527Z-10.000
N8380G1X-21.512Y2.854Z-10.000
N8390G1X-21.476Y3.027Z-10.000
N8400G1X21.476Y3.027Z-10.000
N8410G1X21.171Y4.527Z-10.000
N8420G1X-21.171Y4.527Z-10.000
N8430G1X-20.914Y5.787Z-10.000
N8440G1X-20.829Y6.027Z-10.000
N8450G1X20.829Y6.027Z-10.000
N8460G1X20.295Y7.527Z-10.000
N8470G1X-20.295Y7.527Z-10.000
N8480G1X-19.874Y8.713Z-10.000
N8490G1X-19.708Y9.027Z-10.000
N8500G1X19.708Y9.027Z-10.000
N8510G1X18.914Y10.527Z-10.000
N8520G1X-18.914Y10.527Z-10.000
N8530G1X-18.381Y11.534Z-10.000
N8540G1X-18.017Y12.027Z-10.000
N8550G1X18.017Y12.027Z-10.000
N8560G1X16.912Y13.527Z-10.000
N8570G1X-16.912Y13.527Z-10.000
N8580G1X-16.455Y14.147Z-10.000
N8590G1X-15.574Y15.027Z-10.000
N8600G1X15.574Y15.027Z-10.000
N8610G1X14.147Y16.455Z-10.000
N8620G1X14.049Y16.527Z-10.000
N8630G1X-14.049Y16.527Z-10.000
N8640G1X-12.014Y18.027Z-10.000
N8650G1X12.014Y18.027Z-10.000
N8660G1X11.534Y18.381Z-10.000
N8670G1X9.368Y19.527Z-10.000
N8680G1X-9.368Y19.527Z-10.000
N8690G1X-8.713Y19.874Z-10.000
N8700G1X-5.787Y20.914Z-10.000
N8710G1X-5.232Y21.027Z-10.000
N8720G1X5.232Y21.027Z-10.000
N8730G00X5.232Y21.027Z3.000
N8740G00X22.000Y0.000Z3.000
N8750G1X22.000Y0.000Z-10.000F762.0
N8760G3X0.000Y22.000I-22.000J0.000F2540.0
N8770G3X-22.000Y0.000I0.000J-22.000
N8780G3X0.000Y-22.000I22.000J0.000
N8790G3X22.000Y0.000I0.000J22.000
N8800G00X22.000Y0.000Z3.000
N8810S12000M03
(Profile 1)
()
N8840G00X0.000Y22.000Z3.000
N8850G1X0.000Y22.000Z-1.000F762.0
N8860G3X-22.000Y0.000I0.000J-22.000F2540.0
N8870G3X0.000Y-22.000I22.000J0.000
N8880G3X22.000Y0.000I0.000J22.000
N8890G3X0.000Y22.000I-22.000J0.000
N8900G1X0.000Y22.000Z-2.000F762.0
N8910G3X-22.000Y0.000I0.000J-22.000F2540.0
N8920G3X0.000Y-22.000I22.000J0.000
N8930G3X22.000Y0.000I0.000J22.000
N8940G3X0.000Y22.000I-22.000J0.000
N8950G1X0.000Y22.000Z-3.000F762.0
N8960G3X-22.000Y0.000I0.000J-22.000F2540.0
N8970G3X0.000Y-22.000I22.000J0.000
N8980G3X22.000Y0.000I0.000J22.000
N8990G3X0.000Y22.000I-22.000J0.000
N9000G1X0.000Y22.000Z-4.000F762.0
N9010G3X-22.000Y0.000I0.000J-22.000F2540.0
N9020G3X0.000Y-22.000I22.000J0.000
N9030G3X22.000Y0.000I0.000J22.000
N9040G3X0.000Y22.000I-22.000J0.000
N9050G1X0.000Y22.000Z-5.000F762.0
N9060G3X-22.000Y0.000I0.000J-22.000F2540.0
N9070G3X0.000Y-22.000I22.000J0.000
N9080G3X22.000Y0.000I0.000J22.000
N9090G3X0.000Y22.000I-22.000J0.000
N9100G1X0.000Y22.000Z-6.000F762.0
N9110G3X-22.000Y0.000I0.000J-22.000F2540.0
N9120G3X0.000Y-22.000I22.000J0.000
N9130G3X22.000Y0.000I0.000J22.000
N9140G3X0.000Y22.000I-22.000J0.000
N9150G1X0.000Y22.000Z-7.000F762.0
N9160G3X-22.000Y0.000I0.000J-22.000F2540.0
N9170G3X0.000Y-22.000I22.000J0.000
N9180G3X22.000Y0.000I0.000J22.000
N9190G3X0.000Y22.000I-22.000J0.000
N9200G1X0.000Y22.000Z-8.000F762.0
N9210G3X-22.000Y0.000I0.000J-22.000F2540.0
N9220G3X0.000Y-22.000I22.000J0.000
N9230G3X22.000Y0.000I0.000J22.000
N9240G3X0.000Y22.000I-22.000J0.000
N9250G1X0.000Y22.000Z-9.000F762.0
N9260G3X-22.000Y0.000I0.000J-22.000F2540.0
N9270G3X0.000Y-22.000I22.000J0.000
N9280G3X22.000Y0.000I0.000J22.000
N9290G3X0.000Y22.000I-22.000J0.000
N9300G1X0.000Y22.000Z-10.000F762.0
N9310G3X-22.000Y0.000I0.000J-22.000F2540.0
N9320G3X0.000Y-22.000I22.000J0.000
N9330G3X22.000Y0.000I0.000J22.000
N9340G3X0.000Y22.000I-22.000J0.000
N9350G00X0.000Y22.000Z3.000
N9360G00Z20.000
N9370G00X0.000Y0.000
N9380M09
N9390M30
%
It does have z 3.0 move before M3 but that shouldn't cause a problem. I can't see any M5 any were to stop spindle.? but that still wouldn't cause the start up delay.
Did you try setting the delays higher.?
yeah and still nothing.
i cant say i saw dwell flashing i will report that one in the morning.
yeah i clicked apply, and no nothing changed what so ever.
i will go over it all again tomorrow :)
What happens when you manually click the spindle button?
Does the spindle start instantly, or is there still a delay?