-
7 Attachment(s)
What i am doing wrong with mach3?? trying to config machine.
Hi Guys,
I was given this machine by somebody and they told me it would be useful to use and make parts prior to my build as i would like to build a bigger machine. This is the first time im trying to set up a cnc machine but dont know what im doing wrong. ive tried to follow the online mach3 videos but to no avail. I was given a sheet of some sort of data which i do not understand. Was hoping if someone could make heads and tails out of what i might be doing wrong. I have attached several pics of my initial setup and configurations with mach 3.
Thank in advance.
-
Re: Can anyone help with what i am doing wrong with mach3?? trying to config machine.
Has it ever worked recently.? What's happening or not give more details please.
This looks a bit messed up regards wiring and bit of a hack job so will be a bit trial and error unless you know exactly where each pin goes. The sheet you show will help if it's correct.
Try these numbers in motor outputs for starters.
X Axis Step =9
X Axis Dir 12
Y Axis Step 10
Y axis Dir 13
Z axis Step 11
Z axis Dir 14
Also show use whats on the input signals Tab for E-stop.
Edit: The pins could also be this way round depending on the how the Sheet reads.
X Step =2
X dir = 5
Y Step = 3
Y Dir = 6
Z Step 4
Z dir = 7
-
Re: Can anyone help with what i am doing wrong with mach3?? trying to config machine.
Hi Thanx for your reply,
I tried that but still no joy. as for whats happening, nothing at all. the table just isnt moving and the computer and mach3 just isnt picking it up. as for the e-stop Ive set it to 0. when on main page i press reset and then press the tab key making sure the jog is on anything but 0%. ive gone through the vids but still no joy on the mach 3 support vids. I went through the control panel, system hardware and add hardware to the lpt 1 port as well. dont know what could be going wrong? theres just no activity.
-
Re: Can anyone help with what i am doing wrong with mach3?? trying to config machine.
Quote:
Originally Posted by
JAZZCNC
Edit: The pins could also be this way round depending on the how the Sheet reads.
X Step =2
X dir = 5
Y Step = 3
Y Dir = 6
Z Step 4
Z dir = 7
That looks right.
the drives look like parker sd2/3, and they have 12v logic so you may need a level shifter to drive them.
-
Re: Can anyone help with what i am doing wrong with mach3?? trying to config machine.
Quote:
Originally Posted by
i2i
That looks right.
the drives look like parker sd2/3, and they have 12v logic so you may need a level shifter to drive them.
hi
if thats so, would i need some sort of special drivers for it?? also whats a level shifter?? and how would i install it??
-
Re: Can anyone help with what i am doing wrong with mach3?? trying to config machine.
there is a mention of a transistor and resistor on the paper.
-
Re: Can anyone help with what i am doing wrong with mach3?? trying to config machine.
Hi just getting a bit technical what is a level shifter and if there is a mention of a transisitor and a resistor what would i need to do?? would i need to buy some hardware or do something on mach3?? just getting a little confused as i dont know anything about the electronics and havnt a clue what to do.
-
Re: Can anyone help with what i am doing wrong with mach3?? trying to config machine.
Quote:
Originally Posted by
i2i
there is a mention of a transistor and resistor on the paper.
There's on in my radio as well but it's not much use in there is it ?
Come on the guy is a beginner, throwing remarks like level crossing and resistors isn't going to help him at all is it ?
-
Re: Can anyone help with what i am doing wrong with mach3?? trying to config machine.
Quote:
Originally Posted by
scnc
Hi just getting a bit technical what is a level shifter and if there is a mention of a transisitor and a resistor what would i need to do?? would i need to buy some hardware or do something on mach3?? just getting a little confused as i dont know anything about the electronics and havnt a clue what to do.
To be honest without more information then it's going to be very hard to help has we don't know wot's what or were the problem lies.
So from the beggining did this machine ever run in it's current state electronics wise.? . . . Did it ever run with Mach3.?
What happens when you turn power on.? Does anything light up inside the control box and if so describe what, take pictures if your unsure.
Do the motors make any cluncking or thudding sounds or twitch.?
Take good clear photos from all angles of the electronics. Try and trace the wires and show with pics if possible.
Take pics of motors and if possible the wires or connections. Count the number of wires at the motors end there will probably be more than at other end were they go into control box.
The more info and pics you can give/show the more possible it will be to help.
Being totally Honest in all probability the easiest route will be to rip out the existing drives and rats nest of wires and start again with new modern drives and breakout board. May possibly need a power supply has well but without testing the output hard to know.
Chances are the motors will be fine but again would need to know or see more about them to tell.
Fitting drives and breakout board is relatively easy and provided the correct drives to match the motors and power supply are used then we can easily guide you thru the process here thru the forum.
Also I don't mind giving you my Number and I will gladly guide via the phone, it really is that easy.!
Setting Mach3 is also not rocket science or very hard when you know what your working with which we don't at the minute. And At the minute were stabbing in the dark with very small to no chance of success on all accounts.
The base machine looks reasonably ok so my advise would be start again because for less than £200 you'll be up and running in no time. You'll also have machine that's sell able and the investment will more than pay back by increasing the machines value and appeal.
-
Re: Can anyone help with what i am doing wrong with mach3?? trying to config machine.
Quote:
Originally Posted by
scnc
hi
if thats so, would i need some sort of special drivers for it?? also whats a level shifter?? and how would i install it??
As Jazz has said we need more info and better photos to see what's there.
The level shifter allows the 5v logic level from the parallel port to activate the 12v logic in the drives.
If the machine has worked before then this is all there and just needs to be checked.
-
Re: Can anyone help with what i am doing wrong with mach3?? trying to config machine.
The first thing I notice is that step and direction pins for the motor outputs on X are the same as Y
-
Re: Can anyone help with what i am doing wrong with mach3?? trying to config machine.
thanx ever so much guys will upload vid tommorow.
thanx again :-)
-
Re: Can anyone help with what i am doing wrong with mach3?? trying to config machine.
Hi all,
I'm not a great camera man but heres a video up on youtube:
http://www.youtube.com/watch?v=i-35LC0t7zs
if you want any more details please let me know and thanx again :-)
-
Re: Can anyone help with what i am doing wrong with mach3?? trying to config machine.
Ok first forget using USB adaptor they wont work. Also forget using laptop they need special motion control board to work properly.
You need to use a PC with parallel port and plug directly into it. . . . . Don't try doing anything else until you have changed it just won't work.
Other than showing wrong cable this the video is pretty much useless has it's blurry and your moving around too much. Concentrate on showing the control box internals and pan slowly and hold still then same with motors slowly pan around the wires.
Better would be good quality pictures from multiple angles.
Can't help without better information or clearer pictures/video.
-
Re: Can anyone help with what i am doing wrong with mach3?? trying to config machine.
Yep agree with Jazz, proper parallel port needed. You can buy a card to plug into a spare PCI port on the desktop PC which will give you a parallel port. Get this sorted first cause you're not going to get anywhere without it. Parallel-USB adapters just do not work for this stuff.
Plenty to choose from on Ebay:
Single Port Printer Parallel LPT Card PCI 810154012848 on eBay!
-
20 Attachment(s)
Re: Can anyone help with what i am doing wrong with mach3?? trying to config machine.
-
Re: Can anyone help with what i am doing wrong with mach3?? trying to config machine.
What a rats nest.
Plus the SD3 drives are only full or half step.
seeing as you got a free machine it would pay to dump all this crap and get a new breakout board, power supply and 3 drivers and you wll be set up for a long while,
-
Re: Can anyone help with what i am doing wrong with mach3?? trying to config machine.
what does it mean by the sd3 drivers being half step or full step??? I would like to redo the control box but i just want to get it working at the mo.
Would it need a rewire if so how can i learn to do this?? are there any control box for dummies thing i can read?? Im a complete beginner!
-
Re: Can anyone help with what i am doing wrong with mach3?? trying to config machine.
That is a bit of a rats nest!
Stepper motors are controlled in steps. For a common 2 phase stepper motor, each step is typically 1.8deg (200 steps per revolution). Each step is moved between by switching of one coil, and turning on the next (hence the four wires). (the actual stepping is a bit more involved, but I'm keeping it simple!)
If you drive a stepper motor at low speed using full steps, it basically jumps between steps, and provides rough movement aswell as limits speed due to resonance issues.
Half stepping means instead of the driver jumping between steps, it applies aproximately half power to the next coil, while still maintaining half power on the previous coil, so the motor is held approximately between steps. This improves low speed movement, but is not as good as modern microstepping drivers.
With a microstepping driver, the drive gradually transistions between full steps, by transferring power between coils in a series of microsteps. Modern drives typically use 8 microsteps per full step, as there is nothing to be gained from more steps for typical CNC applications. This leads to far smoother motion, and a bit more accuracy (due to the way microstepping works and the motor torque charachteristics the exact position may vary slightly). The smoother motion means an easier life on the machine, faster speeds, and a better finish (within the limits of the actual machine itself).
If you were handy with a multimeter, you should be able to figure out what's not working, but by the looks of it there's various bits in that control box that modern drives and break out boards don't need.
You really need to start by doing some wiring diagrams. Start at the power in, and trace the wires through the various components to the drives. Then do the same with the wires from the parallel port.
You may find buying 3 new drives, a breakout board, and starting from fresh is easier and quicker.
-
Re: Can anyone help with what i am doing wrong with mach3?? trying to config machine.
I've just a quick ebay search, and something like this kit would get you up and running, provided you can figure out the existing power supply, and get it working for the steppers - CNC Router DIY Kit 5 Axis Breakout Board +3x M542 Stepper Motor Driver 1.0A-4.5A | eBay
If you scroll down the page, it has some pretty simple but clear wiring diagrams, which should help clarify what's needed, and how they connect.
-
Re: Can anyone help with what i am doing wrong with mach3?? trying to config machine.
Suggest you forget trying to do this your self has this rats nest would make someone with experience have to sit down and take a good hard look before delving in.!!
Best advise is Either buy modern components or hand to someone who knows what there doing.! If someone with no experience tries messing in there the outcome will be the same.???. . . You'll be buying new drives and modern components anyway because you'll have blown something up.!!
Has well as being poor performance compared to modern drives the stuff inside there is very intolerant to error and will let out the magic smoke very quickly if you miss wire or cock up.!
If it where me even thou I've got the experience to sort it I'd still be dumping that lot has the performance of modern drives would transform the machine and be much more stable/reliable and accurate with much better performance along with better quality finish.
-
Re: Can anyone help with what i am doing wrong with mach3?? trying to config machine.
-
Re: Can anyone help with what i am doing wrong with mach3?? trying to config machine.
I knew somebody would be along with cheaper options.
Main reason I linked what I did were the wiring diagrams!
-
Re: Can anyone help with what i am doing wrong with mach3?? trying to config machine.
OK good reasoning but many of us here will be able to supply diagrams.
In fact if SCNC, can't see a name, is serious enough, if he gets these and throw the router in his car and come over, I'm only an hour away I'll wire it up and get it running knowing that anything not working or missing will be here on site.
-
Re: Can anyone help with what i am doing wrong with mach3?? trying to config machine.
Quote:
Originally Posted by
m_c
He's going to need motors has well because these are 5 wire Unipolar motors and using them with Bipolar drives is not recommended. At best you get erratic results with high potential for missed steps and at worst will damage the drive.?
Also I'd change the power supply to something with more volts better matched to the drives like 44-46v because looking at those pics I see 26V now chances are this is AC before rectification so could be 36Vdc.? Which is still 10V less than ideal for these drives and modern motors. 10V makes a big enough difference to be worth changing IME.
-
Re: Can anyone help with what i am doing wrong with mach3?? trying to config machine.
Quote:
Originally Posted by
JAZZCNC
He's going to need motors has well because these are 5 wire Unipolar motors and using them with Bipolar drives is not recommended. At best you get erratic results with high potential for missed steps and at worst will damage the drive.?
Sure ?
The driver is only 4 wire.
http://www.mycncuk.com/forums/attach...e-imag0890.jpg
-
Re: Can anyone help with what i am doing wrong with mach3?? trying to config machine.
The fifth pin on the back of the connectors appears to have some kind of resistor set-up going on. I would say maybe something to do with sheilding, but then there's also a small thin wire connected, so possibly some kind of safety system for if the steppers aren't plugged in?
Power supply might be higher than 26V. There's multiple wires coming of the transformer, so without tracing wires, it's hard to say for definite.
26V AC translates to just over 36V DC, so should give a useable voltage. Won't be the best performance possible, but will still be good enough.
-
1 Attachment(s)
Re: Can anyone help with what i am doing wrong with mach3?? trying to config machine.
Quote:
Originally Posted by
John S
Sure ?
The driver is only 4 wire.
Not 100% sure. . . But I see 5 wires out the motors and where the connectors enter the box there's Green wire with red rings with what looks like a resistor that goes to the daughter board next to the drives. I suspect this is common and the 4 wires on the drive are A+ B+ A- B- like this.
Attachment 8035
But I could be wrong.!!!
-
Re: Can anyone help with what i am doing wrong with mach3?? trying to config machine.
Erm...After checking the parker sd3 specs it says bipolar drive so MC could be right and it's shielding or something. . . . More investigating needed me thinks.
Think best thing you could do scnc is take john up on his offer and throw it in car and let him check it out.! If it's been working then chances are it will be a quick fix or just a setup issue.
At the very least he'll be able to check out what stuff is and where it goes.!
-
Re: Can anyone help with what i am doing wrong with mach3?? trying to config machine.
if you fancy a day in sunny Cardiff, i'll sort the existing control system out for you. Or bung it on a pallet and send it down.
-
Re: Can anyone help with what i am doing wrong with mach3?? trying to config machine.
Once again thanx for all your replies,
I think I might get some new drivers, breakout board and power supply. I am a complete beginner but i will try and have a bash at it. I suspect i may get stuck so hope you guys can back me up.(as you have so far!!) in the worst case scenario I will bring it along to jhon or i2i if the offers are still there. so heres what im thinking of getting as jhon mentioned :
CNC Micro-Stepping Stepper Motor Driver 2M542 Bi-polar 2phase 4.2A Switch | eBay
5 Axis Breakout Board Interface FR Stepper Motor Driver | eBay
also a 2 way male parallel port.
also what voltage power supply would i need? I noticed on some videos there are 2 power supplies including a 5 volt one so would i need 1 or 2?
thanx again
-
Re: Can anyone help with what i am doing wrong with mach3?? trying to config machine.
lets say you buy new drivers and power supplies and a breakout board, you'll probably be replacing perfectly good drivers and power supplies and a breakout board.
it will make things a bit simpler as you'll get instructions how to do it, but you'll probably be spending £150+
-
Re: Can anyone help with what i am doing wrong with mach3?? trying to config machine.
Ok, so what would be the best thing to do?? I was told that the current drivers were old and may not be stable. also that they dont have micro stepping capabilities or something. would there be any advantages to making a new control box?? or is it best to keep with the same?
thanx
-
Re: Can anyone help with what i am doing wrong with mach3?? trying to config machine.
Quote:
Originally Posted by
i2i
lets say you buy new drivers and power supplies and a breakout board, you'll probably be replacing perfectly good drivers and power supplies and a breakout board.
it will make things a bit simpler as you'll get instructions how to do it, but you'll probably be spending £150+
Close call really to me.? He'll need to spend £30-40 on fuel there and back to wales with no guarantee something won't be dead anyway. He'll still have drives that only Half step and a rats nest of out of date and obsolete components that could give up the ghost at any time with little to no chance of replacements.
Sometimes it's best to just cut your loses and start a fresh with decent and easily replaceable gear and £150 isn't out the way to me. Plus it will be added to the value of the machine by the very fact it's upto date with modern drives.
Looking at the rest of the machine which looks half decent then If it was me I'd still rip the lot out even thou I could probably get it working just for the very fact it will perform so much better and makes it much easier and more selling point when the time comes.
-
Re: Can anyone help with what i am doing wrong with mach3?? trying to config machine.
they are old and don't have micro stepping, but they will be stable. If your system works and just needs sorting you'll save £150 bucks.
It may not be the fastest system out there, but it will do the job.
-
Re: Can anyone help with what i am doing wrong with mach3?? trying to config machine.
scnc, the balls in your court mate. Drop it down and i'll do my best to get it working, and if there's a major problem i'll help you install the new stuff.
Or spend your bucks and get the "drives" and "psu" and start from scratch, which i'm sure the guys on here will give you all the help they can.
Either way you'll get sorted.
-
Re: What i am doing wrong with mach3?? trying to config machine.
Thanx would really appreciate that. Ill pop down and bring the old box and the new parts but ill try and get the new control box done if i can manage it. Can you guys confirm the parts?
Im going to try and make an attempt to making a cnc from scratch but ill need to do loads of research but that would be later on so if i end up with 2 working control boxes i can always have one readily prepared for the other table.
would the following be ok:
CNC Micro-Stepping Stepper Motor Driver 2M542 Bi-polar 2phase 4.2A Switch | eBay
5 Axis Breakout Board Interface FR Stepper Motor Driver | eBay
also a 2 way male parallel port.
and what kind of power supplies?
would i need anything else for a new box??
thanx guys :-)
-
Re: What i am doing wrong with mach3?? trying to config machine.
They'll do.
Power supply wise, take your pick. You can either build one yourself by buying a toiroid transformer, a bridge rectifier, and big capacitor(s), or look for one of the pre-built switched mode (rectangular metal box) ones that outputs around 48V. Either will work, and of the top of my head, if you were to use the 3 drives to their full capability, then a minimum of 6 amp output would be needed, but I'd doubt the motors will need that much.
If you're doing a complete box, then you'll need things like connectors, switches, terminal blocks, and possibly a few indicator lamps. Also a good selection of cable will help.
Control boxes aren't really a one-size fits all thing, as different people prefer different things and will do the same thing different ways, however for basics, you need to consider your options for the following main items-
-E-stop system
-Power Supply(s)
-Motor Connections
-Computer interface
-Additional features (jog buttons, probe connections...etc)
I've not got time right now to explain those items further, but if nobody else posts up, I'll expand on them later.
-
1 Attachment(s)
Re: What i am doing wrong with mach3?? trying to config machine.
Ok so my understanding so far apart from how to connect the motors to the drivers to the breakout boards is attached. please let me know how to add to it.Attachment 8097
-
1 Attachment(s)
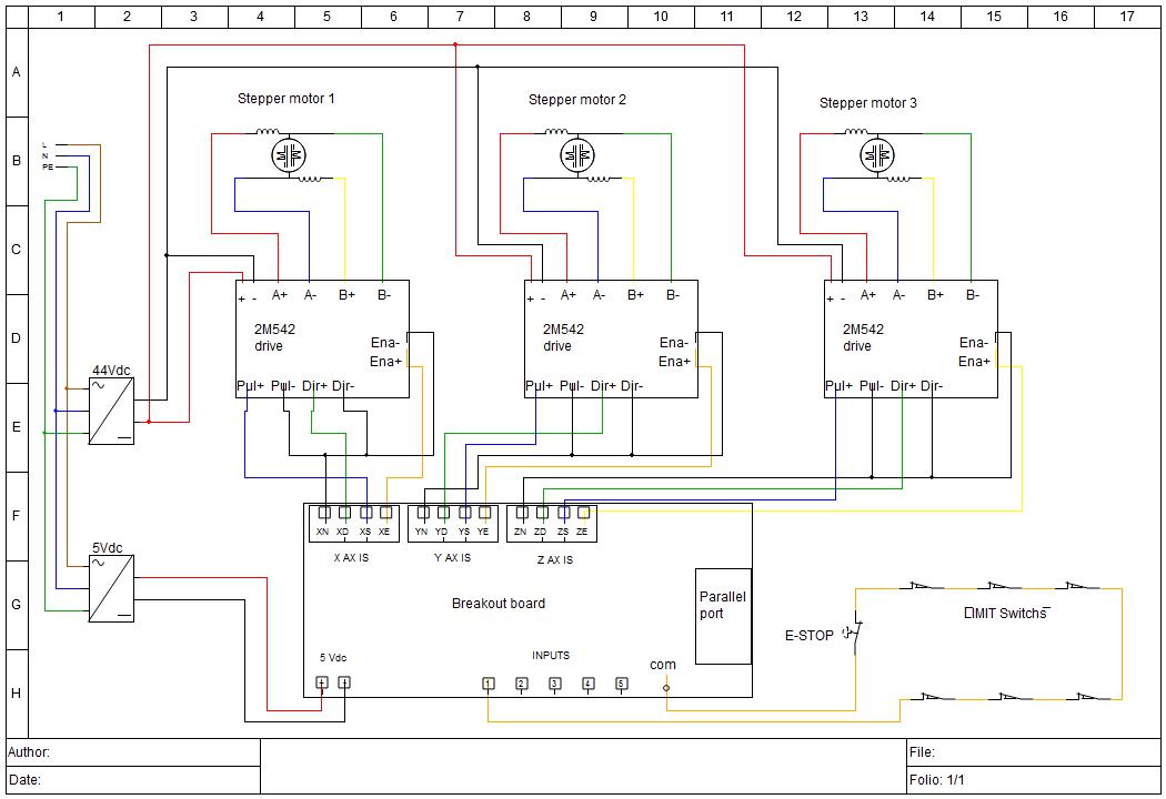
Re: What i am doing wrong with mach3?? trying to config machine.
Quote:
Originally Posted by
scnc
Ok so my understanding so far apart from how to connect the motors to the drivers to the breakout boards is attached. please let me know how to add to it.
Here you go try this.
The motor wire colours probably won't be correct and you'll need to test the wires to find the phases. Also it doesn't show fuses etc and you'll need to add some but should give you an idea of what wire goes where.!!
Attachment 8099