-
Denford Novamill Mach3 conversion
I took ownership of this about a week ago and I've already spent some time chasing the wiring and figuring out what components to order. I decided on an AKZ250 Mach3 USB controller (leafboy77) and already ordered it, plus 3 stepper drivers to go with it.
I am planning to use the existing spindle driver which is a Sprint 400 unit.
I have a question about the control signal going to the Sprint 400, the manual says 0-10V. Does that mean pulse with modulation, or literally 0-10V as if it were potentiometer control?
-
Re: Denford Novamill Mach3 conversion
Quote:
Originally Posted by
Miller
I have a question about the control signal going to the Sprint 400, the manual says 0-10V. Does that mean pulse with modulation, or literally 0-10V as if it were potentiometer control?
Means 0-10v so either potentiometer or 0-10V analog signal from speed controller.
-
1 Attachment(s)
Re: Denford Novamill Mach3 conversion
This is what I found in the controller manual. So it looks like a 10v source through an 1k resistor, joint with the PWM output, turns into 0-10V analog?
http://www.mycncuk.com/attachment.ph...id=13647&stc=1
-
Re: Denford Novamill Mach3 conversion
That's exactly what it does. The PWM output is active low, i.e. a pull-down to GND. The wider the pulse the lower the average voltage.
-
Denford Novamill Mach3 conversion
Normally you would have a smoothing filter to convert the PWM to an average voltage, presumably that must be in the vfd?
The other thing to be careful of is to check the vfd is ground referenced. My Novamill came without its control box so I had to build the whole thing, using a KB Electronics thyristor controller. In this the 0V rail is not connected to ground but floating with 100v or so of rectified ac. Not a good idea to connect to a controller with its 0V common earthed! Currently I use manual speed control, will have to rig up an opto isolator to allow M3 to control the speed.
The Novamill is a great little machine, much nice than a converted Sieg machine, enjoy!
-
Re: Denford Novamill Mach3 conversion
All commercial VFD control inputs are referenced to signal ground, which shouldn't be confused with safety earth. The AC input and UVW outputs are isolated/floating.
The VFD has effectively got a low pass filter on the speed control inputs as it has a limited slew rate on speed. You could add an external capacitor but it's not needed.
-
Re: Denford Novamill Mach3 conversion
Quote:
Originally Posted by
irving2008
The VFD has effectively got a low pass filter on the speed control inputs as it has a limited slew rate on speed. You could add an external capacitor but it's not needed.
Irving, are you referring to the ramp settings here ? which basically use a capacitor integrator. I say this because some drives can trip on overcurrent if the ramp is set too low which implies the input itself is not filtered.
-
Re: Denford Novamill Mach3 conversion
Not specifically, I know my VFD couldn't respond fast enough to recognise individual pulses at low duty cycles even on a 100Hz pwm. So no capacitor needed.
-
Denford Novamill Mach3 conversion
I think you're being a bit categorical here Irving! You can't rely on a limited slew rate to do the smoothing for you. And your comment on ground referencing isn't helpful because by definition "signal ground" is what the control inputs are referenced to! The question is, can the 0v on the controller be safely connected to the signal reference on the vfd?
The Novamill does not use a vfd since the motor is a dc permanent magnet type and the original controller I think is thyristor based. There may or may not be isolation between the trigger circuit and the speed control circuitry, on the KB Electronics one I have there isn't.
Miller, I suggest that you ask the question on the Denford forum, denfordata.co.uk .
-
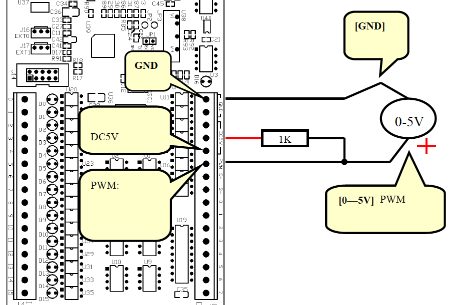
2 Attachment(s)
Re: Denford Novamill Mach3 conversion
Thanks, so it's not as easy as it looks then. I have couple more diagram, one for the spindle driver and another one where it shows the breaker board's own 5V supply used to form an analog signal. Can we draw some definitive conclusions over the above issues?
Breakout board's own analog signal.
http://www.mycncuk.com/attachment.ph...id=13651&stc=1
Sprint 400 spindle driver schematics below, pot goes on terminals 1/2/3 on the left.
http://www.mycncuk.com/attachment.ph...id=13652&stc=1
-
Re: Denford Novamill Mach3 conversion
Duff drawing removed, please ignore
-
Re: Denford Novamill Mach3 conversion
Great stuff EddyCurrent! I also need a power supply and that's pretty much the hardware done with. The motors are 1.5A for X and Y, and respectively 3A for Z axis. They are all rated at 30VDC, which I take it it's the max voltage?
Anyway, what is the optimum voltage to feed the stepper drivers? I can get a a nice deal on a quality 24-28V 10A power supply.
-
Re: Denford Novamill Mach3 conversion
No I think Eddy's wrong.
You want to connect to the PWM+10V(pin3) and 0V(gnd) to (Pin2) the 10K resistor is just showing the POT resistance. You are controllong the 0 to 10V signal from PWM on the BOB so don't need it.
But Like John said best check if the Spindle controller 0 is floating or at mains potential.? Putting to Gnd on the BOB could fry it.?
Edit: correction to pins
-
Re: Denford Novamill Mach3 conversion
Quote:
Originally Posted by
JAZZCNC
No I think Eddy's wrong.
needs a 3rd opinion now.
found this in mean time, it uses 5v with resistor but same idea with 10v, also I'm sure everyone realised that in my earlier post I purposely left out run signals etc.
http://www.youtube.com/watch?v=iyF-T5fth14
-
Denford Novamill Mach3 conversion
STOP!!!
The key phrase is written in the thick black box round the speed controller schematic. It says:
WARNING. The electronics is at mains potential do not earth!
This controller, like mine, is a thyristor type with all the control circuitry run direct from the mains. It also needs a dc input from 0 to 10 v on pin 3 relative to the 0 V on the controller to vary the speed. There is no sign of a low pass smoothing filter to convert PWM to the dc control voltage.
To control the speed from the BOB you will need an opto isolator driven from the PWM output, which will safely transfer the PWM to the high voltage environment of the speed controller. Then you need a simple low pass filter to smooth the PWM, to generate the control voltage. The was a circuit on the Mach 3 boards a little while back, I'll try to track it down.
To reiterate, if you connect the 0 V on the BOB to the controller as shown in EddyCurrent's picture, on switching on the mains will be applied through a rectifier to ground. If you're lucky the fuse will blow, but rectifiers blow up faster than fuses! Guess how I know?
-
Denford Novamill Mach3 conversion
Ok, I found the circuit, it's on the Mach discussion forum called something like "PWM spindle circuit advice" by superagurk. I'm sure one could make something simpler though, but I haven't yet tackled the job of controlling my spindle from Mach.
-
Re: Denford Novamill Mach3 conversion
I should have downloaded the drive manual first. I can see that there is a 400i version that is isolated. Pretty naff I would say, why make a drive like that ? are we saying the potentiometer is at mains voltage ? are they even designed for that ? I never expected the chassis to be live and the symbols for 'common' show they are connected to the chassis.
It just shows how you can be lead astray when you are used to working on proper industrial equipment.
Sorry for giving you duff information Miller, I'll remember to read the proper manual first in future instead of relying on gear I've worked on in the past.
-
Re: Denford Novamill Mach3 conversion
Lots of pots designed for mains isolation, that's how all TVs used to be. There is nothing wrong with designing a drive like this, as long as the speed control is manual with an isolated pot. My KB drive is industrial, they have a whole range of them.
Miller, important to note that the circuit in the Mach forum has to have its own mains power supply to maintain isolation. The trouble is that it needs a supply above 10 volts to get 10 v max output.
-
Re: Denford Novamill Mach3 conversion
Quote:
Originally Posted by
JohnHaine
I think you're being a bit categorical here Irving! You can't rely on a limited slew rate to do the smoothing for you. And your comment on ground referencing isn't helpful because by definition "signal ground" is what the control inputs are referenced to! The question is, can the 0v on the controller be safely connected to the signal reference on the vfd?
John, not categorical but maybe I'll accept I was being too generic. I hadn't read whole thread, but was responding to specific posts. I can rely on VFD not needing external capacitor cos it works for me and many others. Most VFD have internal low pass filters anyway.
And the diagram posted by the OP shows a VFD.
However, it now transpires that's all irrelevant to the OPs requirements.
I agree with Eddy, to show COM as 'chassis' but have it at some unspecified high voltage is wrong in my book.
-
1 Attachment(s)
Re: Denford Novamill Mach3 conversion
OK, I've sort of been inspired by this thread to work out a simple circuit to interface the PWM from a BoB to a non-mains-isolated speed controller such as the Sprint or KE type thyristor units. This circuit does not need an auxiliary power supply, it runs from the 10v available from the controller itself. It uses an ST Micro dual "rail-to-rail" op amp to hopefully get the full 10V control range. It isn't tested yet but offered just as an example, but I think it should work.
I've just noticed an error in my labelling - on the input side the pin labelled "0V BoB" should go to the output you have selected for the PWM speed control, not the 0V rail!
On the controller side, it looks like for the Sprint box that Miller has, +10 V comes from terminal 1; the control input ("0-10V to controller") goes to terminal 2; and 0V is on terminal 4.
This could easily be made on a small piece of strip board, but take care with the IC2 connections as there will be mains voltages on pins 5 and 4 so make sure they are well isolated from 1 and 2.
I suggest configuring Mach for about 25 Hz PWM base frequency. One problem you may find is that the low speed end where the machine may not start until the speed is turned up a bit from zero; or may run very slowly even though set to zero. It's quite complicated to replicate the function of the "min speed" pot in the controller.
I do need to get round to adding speed control from Mach to my Novamill, so this should get tested sometime! But any questions or feedback welcome.
John.
http://www.mycncuk.com/attachment.ph...id=13658&stc=1
-
Re: Denford Novamill Mach3 conversion
No worries Eddy, and thanks everybody especially John. The circuit looks easy enough, I should be able to test it sometimes next week.
Alternatively, I have found an off the shelf converter from Axiomatic:
http://www.axiomatic.com/TDAX13020X.pdf
But I have a feeling it's going to be much more expensive than the diy version John proposed, so not really an option.
On another note, can somebody confirm a 24-28v 10A power supply would do, and what voltage do you feed to stepper drivers?
-
Re: Denford Novamill Mach3 conversion
Hello Miller,
Let me know if it works and any questions.
On the PSU, the one I use in my Novamill conversion is similar to the 36V one here: but I got mine direct from China via ebay for rather less money IIRC. Look for topengineer1989 as the seller. I use the common 2M542 drivers. 36 volts is fine to drive the steppers assuming the drivers are rated up to 40 or 50 volts. I think I have set the X and Y currents to just less than 2A and the Z probably 3 but could check those.
John.
-
Re: Denford Novamill Mach3 conversion
Yes, that's the seller I bought the BOB from. It came as a complete package with 3 x 2M542 drivers. Still in the post but should be getting it quite soon.
The motors are rated 1.5A and 3A at 30V, so I will keep about same amp rating and feed 36V then.
What I had in mind for power supply is this. It shouldn't make more than £30 posted and looks nice quality and DIN mounted, but if it's less than ideal because of the lower voltage, I'll go for the 36V as you suggested.
Just to confirm, your circuit has 2 x 470K and 3 x 47K resistor. I have selected this for C1, and this for C2, and this for the op amp.
-
Re: Denford Novamill Mach3 conversion
I had to get up at 4:30 am this morning to get rid of my duff drawing, couldn't sleep knowing it was there :uncomfortableness:
Quote:
Originally Posted by
JohnHaine
On the controller side, it looks like for the Sprint box that Miller has, +10 V comes from terminal 1; the control input ("0-10V to controller") goes to terminal 2; and 0V is on terminal 4.
John, it looks to me like the input to the drive is terminal 3, terminal 2 goes to a pot for 'minimum speed' which creates a potential divider along with the external pot to give an offset from zero.
-
Re: Denford Novamill Mach3 conversion
Oops! Eddycurrent, you're quite right, terminal 3. Terminal 2 is not connected.
Miller, the eletrolytic you selected is a surface mount type, is that what you wanted? The other one is leaded. Maplin is a good place for miscellaneous components. Well, the 36 V works fine for me, lower voltages may work but the drives are fine with 36. That's the package I bought too of the BoB and drivers.
John.
-
Re: Denford Novamill Mach3 conversion
Quote:
Originally Posted by
JohnHaine
Miller, the eletrolytic you selected is a surface mount type, is that what you wanted?
John.
It was the only option for a 10V 10uF. The closest through-hole I can find is 16V.
-
Re: Denford Novamill Mach3 conversion
-
Re: Denford Novamill Mach3 conversion
The voltage rating isn't critical, 16 V is fine, leaded much easier to solder.
-
Re: Denford Novamill Mach3 conversion
I gather that this circuit has now been built and works which is nice to know!