Control panel wire gauge question?
Can anybody shed some light on what wire gauge / mm / mm2 wire should be used for control panel wiring, 240v AC, 24v DC and signal wires?
Some articles mention 14 AWG for mains AC and 16/18 AWG for DC / signal, but then it gets confusing with mm and mm2.
Thanks again
Re: Control panel wire gauge question?
Quote:
Originally Posted by
Dwayne Dibbley
Can anybody shed some light on what wire gauge / mm / mm2 wire should be used for control panel wiring, 240v AC, 24v DC and signal wires?
Some articles mention 14 AWG for mains AC and 16/18 AWG for DC / signal, but then it gets confusing with mm and mm2.
Thanks again
0.5 mm or 0.75mm is more than enough as there is hardly any current drawn. for the DC low voltage side ..Clive
Re: Control panel wire gauge question?
Thanks Clive, so I'm assuming 0.5 and 0.75 are mm2. Would that equate to the top two items on this page http://www.csecables.com/acatalog/Tri-Rated-Cable.html?
Re: Control panel wire gauge question?
Quote:
Originally Posted by
Dwayne Dibbley
Yes they are fine but for the signal cables to the limits etc I would go with screened ie 3 or 4 core CY 0.5mm type I have used cat5 inside the control box for the BOB to the drives. ..Clive
1 Attachment(s)
Re: Control panel wire gauge question?
OK, can someone just cast their eyes over the main wiring for my cabinet ( attached image ), a little bit of reverse engineering from other diagrams on here and adapted to fit my needs i think?
Thanks
Re: Control panel wire gauge question?
24V seems low for the power supply to the drivers. What is the max that the drivers can take and which motors are you using? ..Clive
Re: Control panel wire gauge question?
Quote:
Originally Posted by
Clive S
24V seems low for the power supply to the drivers. What is the max that the drivers can take and which motors are you using? ..Clive
Clive, see this thread regarding the PSU http://www.mycncuk.com/threads/5541-PSU-question from quite a while back when i started. I have upgraded the original drivers to these http://www.planet-cnc.com/files/MotorDriver25A-32.pdf now. It runs fine ( i presume ) just needed to move the electrics off the bench into a dust free environment.
Thanks again
Re: Control panel wire gauge question?
The drawing is a bit ambiguous for me I would prefer more of a schematic. Do you really need 4 PSU 2 x 24 V 1 x 9v and 1 x 12V.
I don't know how big your machine is but its a shame to use only 24V psu and those drivers because your machine might have so much more potential if they were changed.
I have bumped this up so that Dean might see it and chime in. Clive
Re: Control panel wire gauge question?
Quote:
Originally Posted by
Clive S
I have bumped this up so that Dean might see it and chime in. Clive
Ding Dong Ding Dong.!! . . . . 24Vdc is correct for these drives Clive they only Take 30Vdc Max so don't want to release the Magic smoke.!!
Quote:
Originally Posted by
Dwayne Dibbley
OK, can someone just cast their eyes over the main wiring for my cabinet ( attached image ), a little bit of reverse engineering from other diagrams on here and adapted to fit my needs i think?
Ok well see a couple of things.
Don't see the latching Relay wiring.?
Don't see the point of the Green 240V Led just use Red Led that's on all the time Power is On. Use the Green Led for indicating System is Reset and Ready. I'd Also use 24V leds.
Don't Like the fact your using 1x Mcb for 3 x Psu all different sizes. You will be better having the smaller ones on separate Glass Din rail fuses.
Re: Control panel wire gauge question?
ill upgrade to real drivers one day :), regarding the other PSU's the 9v powers the USB controller, and the 12v spins some fans on the drivers and the din 24v powers the estop thingy to kill power to the other psu's
Re: Control panel wire gauge question?
Quote:
Ding Dong Ding Dong.!! . . . . 24Vdc is correct for these drives Clive they only Take 30Vdc Max so don't want to release the Magic smoke.!!
Yes I had checked that out in the early post. I was just saying its a shame to use such low voltage drivers. ..Clive
1 Attachment(s)
Re: Control panel wire gauge question?
OK updated to V3 now and I have added the e-stop / latch relay connections? removed the 9v and 12v PSU to avoid confusion at this point and ill upgrade the fans to 24v and run off the Din Rail PSU. Am i close correct with the relay / contactor connections?
Thanks again
1 Attachment(s)
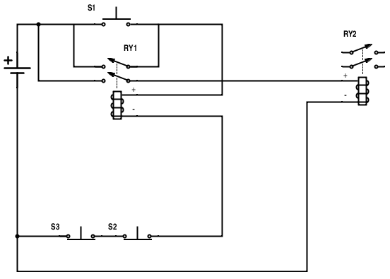
Re: Control panel wiring question?
Ive attached a schematic of what i think the latch circuit looks like:
S1 = Go push button NO
S2 = E-Stop NC
S3 = Stop Button NC
RY1 = double pole latch relay NO ( can you also do the same with a single pole? )
RY2 = contractor DC coil
Thankshttp://www.mycncuk.com/attachment.ph...id=15124&stc=1
Re: Control panel wiring question?
Surly a stop button should not be the same as E-stop. ..Clive
Re: Control panel wiring question?
Quote:
Originally Posted by
Clive S
Surly a stop button should not be the same as E-stop. ..Clive
Where would you place a stop button to release the latch? or not required?
Re: Control panel wiring question?
Quote:
Originally Posted by
Dwayne Dibbley
Where would you place a stop button to release the latch? or not required?
When you press E-stop or the stop button then latch is dropped because power is removed from relay. So in your schematic E-stop and Stop are the same.
Same in Mach3 if you press Stop while machine is moving then consider it just the same as pressing E-stop button. You will lose position and need to Re-home before continuing. Only Feedhold is safe controlled stop.
1 Attachment(s)
Re: Control panel wiring question?
OK, attached a new version where on pressing the Go/Reset the latch relay joins A-B over the go button to keep the circuit live, and at the same time A-B energizes the DC coil in the Contactor powering the Stepper PSU / VFD. Hitting the E-Stop breaks the 24v circuit and the latch is released along with the contactor?
Does that sound / look about right?
Thanks
Re: Control panel wire gauge question?
Unfortunately that is not going to work. Just wire the contactor coil in parallel with the latch relay coil. Also, put the e-stop switch between the supply positive and the start switch rather than in the negative line. That way, power supply and both relays can have one side to ground which will simplify wiring.
Re: Control panel wiring question?
Your offering up very confusing drawings here mate.!! . . . Your last drawing was ok just didn't need a Stop button.?
It's easy really just run 24V thru relay NO contact and then back to relay coil Positive. Then run wire thru Momentery Button(reset) between 24V and Coil positive. You can then run E-stop either in series with positive or Negative wire.
Latch will be made when Momentery reset buttons is pressed and dropped when E-stop is pressed and won't latch again untill e-stop is cleared and Reset button pressed.
Second contact on the Relay can turn on your Contactor. You can also use Another contact to pass Input (+) thru and back to Input (-) to inform software E-stop as happened.!
Re: Control panel wiring question?
Thanks, I think i over think things to much, just one query what advantage is the latching relay over just running the 24v circuit through the contactor dc coil?
Re: Control panel wiring question?
Quote:
Originally Posted by
Dwayne Dibbley
Thanks, I think i over think things to much, just one query what advantage is the latching relay over just running the 24v circuit through the contactor dc coil?
Well think about just what would happen if you just wired 24V direct thru the E-stop to contactor with nothing else between.!! . . . . . Yes machine would stop when pressed but what would happen when E-stop released and contactor turns back on.?? . . . . . . . . . . . . . . . . Argh crash bang whollop when machine instantly takes off again with no idea where it is or where it's going.!
Yep the drives would turn on and motors would setoff again and because you didn't inform control software E-stop happened then instantly machine would carry on but now with no idea where it is.!!
The whole point of the Latching safety system is to allow a controlled Stop and Safe Re-start.
Re: Control panel wiring question?
OK, now that makes sense. So as you suggested run the software Estop loop through the 3rd loop on the contactor, then when the latch is released the contactor cuts power and triggers the software e-stop, and build it as per the first schematic i posted ( less the extra stop button ).
second point, are the MCB's i selected of the correct rating for the intended use?
6A C Type for the 24V/6.5A stepper driver PSU (meanwell spec states 2A/230VAC so should the breaker cover the input Amps or the 24v 6.5A? )
16A C type for 1.5KW VFD ( 1500W @ 240V reads more to 8 AMP? )
2A B Type for the Saftey Circuit 24V/2.5A PSU ( again link the stepper PSU should this be sized for the input A and not the output ?)
Thanks again for your help.
Re: Control panel wiring question?
I Have done some digging and have come up with these as the min MCB's required based on 230V calculations:
24V DC PSU ( Latch relay ) - 3A MCB B type- (345W 230v 1.5A)
24V DC PSU ( Steppers ) - 3A MCB B Type - (460W 230v 2A)
VFD - 10A MCP C type - (1500W 230v 6.5A?)
does that sound possible or would it be more of trial and error ie buy a couple of different sizes and try the smallest that does not trip on power up?
Thanks