Thread: Build Log - Herbert
-
12-08-2016 #31
Good luck with it, Ian - it's easy really once you have a few basics under your belt! And the folks on this forum are quick to pick up any errors - you won't be allowed to get away with anything...
-
12-08-2016 #32
Perhaps it is too late now, but here are some things I'd do differently...
I would move that VFD out of the cabinet. You will likely experience some problems with the UC300 in the middle and so near the VFD. The other alternative to moving out the VFD is to move out the UC300 into it's own shielded box.
The other modification I'd do is to install the PSUs in an orientation which would allow the fans to cool and would allow easier wiring. As it is now, you can't stick a screw driver inside the cabinet to attach/detach wires, you have to remove each PSU, screw in all the wires and install the PSU in the cabinet again. That is going to create some practical problems and may result in a not so nice wiring in the end.
A question... are you planning to feed the UC300 with an external +5V? I think that's better than using the PC USB power. Make sure your +5V is very clean otherwise you may experience problems with the UC300. The other thing is that if you want to control the VFD spindle speed with 0-10V you can do that from the UC300 directly, but if you will use Mach3, or some other software with Modbus capabilities than a neater solution is to use the RS485. Considerably better than digital outputs and 0-10V, also demands less and easier wiring.
-
12-08-2016 #33
Nothing is ever written in stone, the one is a porposed idea and the second which looks like its fixed was laying out the components to see what it looked like.
Things have moved on since then, I now am using din rail with 5vdc and 24vdc psu's the two 36vdc psu's are going to be mounted flat one above the other, loads of room to do that.
The VFD will be in the enclosure, with double screened cables and fed via an emi 10A filter.
The UC300 & BOB have been relocated at the bottom of the case well away from the VFD.
All screens and earths to a star earth point.
I will upload photos of all the component laters.Life is best lived @ G0......
-
31-08-2016 #34
Well back of the olde Jolly Holidays, and its back to working through things.
I have found out that I cannot control the VFD via Mach with the current BOB, so need to swap for the CPO-10V from CNC4YOU.
I have in my minds eye how the control cabinet layout is going to be, but just to be on the safeside I have drawn some shapes in Viso and moving them around to see what's best. (I know no CAD, but me thinks I must learn one).
The pencil drawings of the main machine do not allow me much way of checking things plus it takes ages to drawin with pencil and paper so I guess I must bite the bullet and decide on a CAD package to start to learn and work my scribbed designs through.
That will give you guys something to comment on and advise me on what I am trying to build.
TTFNLife is best lived @ G0......
-
31-08-2016 #35
-
31-08-2016 #36Life is best lived @ G0......

-
01-09-2016 #37
This is the sentence I answered: "I have found out that I cannot control the VFD via Mach with the current BOB, so need to swap for the CPO-10V from CNC4YOU."
All you need is to configure the UC300 plugin, Mach3 will handle it accordingly. If your BoB provides optical isolation on the digital inputs/outputs than you should be safe. I have never heard anyone putting optical isolators on the analog 0-10V to VFD. I think the VFD has that protection already. In fact, my VFD has optical isolators on the digital inputs/outputs also, and I think even cheap Chinese VFDs have that, so the VFD could be controlled safely even without a BoB. Stepper drivers are a totally different thing... not everyone of those has optical isolation. But... A BoB is necessary to have if you are using a UC300 because you need to split the signals to be able to install all the external devices.
BTW, I have the UC300 and been using it for quite a while now, and also read the manual...
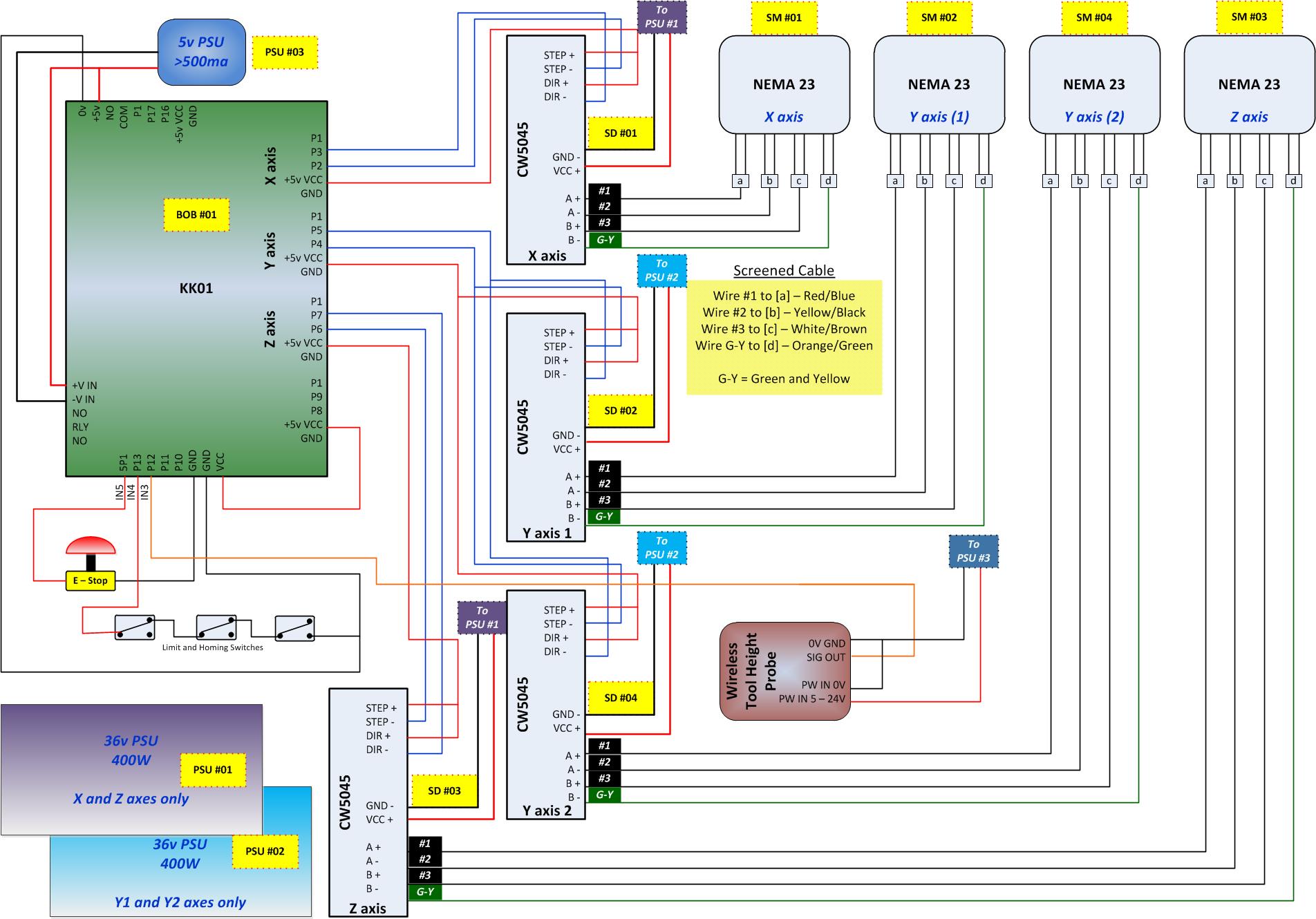
In fact, just looked at your cabinet picture, and it looks like you have similar drivers to mine, your CW5045 are also supposed to have optical isolators on the inputs, so even those are safe to run with direct connection, but using a BoB to split the signals is more practical, even if not necessary in your (and my) case.Last edited by A_Camera; 01-09-2016 at 10:06 AM.
-
01-09-2016 #38
I didn't know that was the question you were answering
I am new to all this electrical stuff and can only go on what I have found both off this forum and the manuals, the BOB that I have I wanted to control the VFD as you understand, but in talking to CNC4YOU they said the BOB I had was the basic one and needed the other type.All you need is to configure the UC300 plugin, Mach3 will handle it accordingly. If your BoB provides optical isolation on the digital inputs/outputs than you should be safe. I have never heard anyone putting optical isolators on the analog 0-10V to VFD. I think the VFD has that protection already. In fact, my VFD has optical isolators on the digital inputs/outputs also, and I think even cheap Chinese VFDs have that, so the VFD could be controlled safely even without a BoB. Stepper drivers are a totally different thing... not everyone of those has optical isolation. But... A BoB is necessary to have if you are using a UC300 because you need to split the signals to be able to install all the external devices.
Plugin? what does this do or where can I find one?
I did not mean that you didn't understand what I was talking about, I had no knowledge that you used the UC300, but I am glad that you do and manybe you can advise me in the future with connections?BTW, I have the UC300 and been using it for quite a while now, and also read the manual...
Thank you for looking at my proposed build, maybe I am using the BOB and do not need it as the CW5045 have the optical isolators, I could find any wiring or interface drawings to help me......with direct connection from the UC300.In fact, just looked at your cabinet picture, and it looks like you have similar drivers to mine, your CW5045 are also supposed to have optical isolators on the inputs, so even those are safe to run with direct connection, but using a BoB to split the signals is more practical, even if not necessary in your (and my) case.
maybe if your willing you can explain how I can setup the UC300 so I do not have to purchase the new BOB as I have not done that as yet?
Hoping you can,
IanLife is best lived @ G0......
-
01-09-2016 #39
In principle everybody is right, both CNC4YOU and I, and the UC300 manual...
The BoB you have can not be used to control the VFD with, unless you are ready to adjust the speed manually, or use a digital pulse or PWM signal, if that is possible with your VFD and BoB. To control the spindle speed using 0-10V you need another BoB... if you want to do it via a BoB. CNC4YOU may not be familiar with the UC300 and it's capabilities, only that the BoB you have does not have what it takes to get the 0-10VDC analogue out signal.
The UC300 manual is right because it is written for everybody, not a specific use. Balazs, the creator of the UC300, can not know or limit the application, so he rightfully warns the users that the UC300 does not have optical isolation, so you must aware of that and use a proper BoB.
I am right, because based on what I have, i.e. UC300, the Bosch Rexroth VFD, DQ542MA drivers, I know that my drivers and the VFD has optically isolated inputs, so in principle I would not need a BoB. Never the less, I use one, because of practical reasons, and because my probe, limit switches and E-stop otherwise would not be isolated. I would not recommend anyone not to use a BoB for the same reasons, even the inputs must be isolated, and unless your limit switches are not isolated you should use a BoB. In my previous post I forgot about the limit switch inputs, but because you already have a BoB, that part falls under digital inputs and outputs isolation, and you have solved that already with your BoB.
http://cncdrive.com/UC300.html
That is the source to get all the installation files necessary for the UC300. The manual explains the installation process, as well as how to connect the outputs and configure the use of analogue outputs. I have tested this and it works as described, but I am using Modbus and RS485 to control the VFD, so I am not using the 0-10V output. Once you have installed the driver and your UC300 is recognized by and configured in Mach3 you can use the 0-10V to control the spindle speed.
Ask and I'll answer if I can, but this forum and the Internet is full of information, so even if I will not have time or won't be able to answer, there are many others.
It is better to use a BoB, even if you may not need it. It makes connecting things easier, as well as it provides optical isolation also on the inputs. It is also very easy to plug in to the UC300, so there is really no reason for not using one, even if it is possible based on the stepper drivers. I don't know your VFD, so I can not say how the inputs are for that one. I did have a quick look at your wiring diagram, but have no time to check every wire and connection. I am sorry for that.
If you have a specific question I will try to answer, but like I said, I don't know your BoB, or the VFD you are using and also I don't control my VFD via digital outputs and 0-10V. I did test it once but I use RS485 Modbus communication, using only two wires out of a USB dongle. This is controlled from Mach3. When it comes to the UC300, it is just a USB motion controller with some digital outputs to control my stepper drivers via this BoB:
I have 0-10V out from the BoB also, but it is not as stable and linear as the UC300 analogue output is. Again, for ease of connection reasons, if I'd use the 0-10V to control spindle speed, I'd use the BoB, but if I would not have this one, I'd use the UC300 output directly.
I can show you my settings for the UC300, but have no possibility to test other settings or configurations. Basically what I did before I received the UC300 was that I read the manual and knew it will work for my needs and when I received it I just followed the manual practically word for word, connected it, installed the drivers, updated the firmware and checked it out. The manual pretty well describes how to install and configure it, but if you have a specific question, don't hesitate to ask, I'll answer if I can, or somebody else will hopefully chime in.
If all else fails, you can always contact Balazs. He is very busy but normally answers all mail questions quickly through the web contact details. Of course, he may tell you to contact CNC4YOU since you bought the UC300 via them, I don't know, but it is worth a try if you can't get answers elsewhere.
-
The Following User Says Thank You to A_Camera For This Useful Post:
-
07-09-2016 #40
Thread Information
Users Browsing this Thread
There are currently 3 users browsing this thread. (0 members and 3 guests)
Similar Threads
-
BUILD LOG: a Steel Box Section Build with SBR20 & Ballscrews Plus a few questions
By grain_r in forum DIY Router Build LogsReplies: 130Last Post: 27-01-2023, 06:47 PM -
BUILD LOG: New Build - For Your Amusement - MK-2 build
By Karl in forum DIY Router Build LogsReplies: 12Last Post: 08-02-2017, 08:03 PM

Reply With Quote


Bookmarks